- Commonly Asked For Parts

#PartDescriptionPriceReqNotesAvailability
278-1911 Handle base $115.50 usually ships 7-9 days
278-1911 Handle base $115.50 usually ships 7-9 days
278-2194 Flexible skirt $122.74 usually ships 7-9 days

- Pad Holders

#PartDescriptionPriceReqNotesAvailability
1 991-2214 Center-Lok II pad holder - left hand thread (red) $40.84 ships same day
2a 991-2201 Center-Lok II pad holder - right hand thread (black) $40.84 (Pad driver side female, Floor side male) ships same day
2b 991-8577 Pad retainer $23.04 (Pad driver side male, Floor side female) ships same day
3a 991-2202 Big mouth pad holder set (blue) $44.52 (includes 3 screws) ships same day
3b 991-2205 Deep lock ring and pad grip ring $32.00 usually ships 17-22 days
4 991-2203 Big mouth pad holder male thread portion $37.74 usually ships 17-22 days
5 991-2206 Center-Lok 3 pad holder $18.47 (includes 3 screws) usually ships 13-17 days
6 996-0372 Big mouth pad holder (left hand thread) $37.11 ships same day
7 N/A Not available Call for price usually ships 3-26 days
8 991-2209 Split retainer - pad holder ring (OBSOLETE) $29.10 usually ships 13-17 days
9 N/A Not available Call for price (replaced by #3 991-2202) usually ships 3-26 days
10 991-2211 Center lock pad holding cup (male) (yellow) (OBSOLETE) $25.17 usually ships 17-22 days

- Pads

#PartDescriptionPriceReqNotesAvailability
01 255-2040 20 inch aqua plus burnishing pad (pkg of 5) $45.88 usually ships 32-33 days
02 255-2035 20 inch Armadillo concrete scrubbing pad (pkg 5) (OBSOLETE) $52.45 usually ships 32-33 days
03 255-2064 20 inch Blue ace pad (pkg of 5) $45.88 usually ships 32-33 days
04 255-2042 20 inch Blue Jay burnishing pad (pkg of 5) $45.88 usually ships 32-33 days
05 255-2012 20 inch Cure white pad (pkg of 5) $45.88 ships same day
06 255-2077 20 inch Diamondback extreme stripping pad (pkg of 5) $64.28 ships same day
07 255-2038 20 inch EHD Extra Heavy Duty Concrete Leveling Pad (pkg of 2 $184.39 usually ships 32-33 days
08 255-2021 20 inch gorilla lite burnishing pad (pkg of 5) $45.88 ships same day
09 255-2050 20 inch gorilla spray buff/polish/burnish pad (pkg of 5) $42.88 ships same day
10 255-2065 20 inch Heat concrete bonding pad (pkg of 5) $166.75 usually ships 32-33 days
11 255-2030 20 inch jaguar burnishing pad (pkg of 5) $45.88 usually ships 32-33 days
12 255-2067 20 inch Laminated 2001 Gorilla polish pad (pkg of 5) $166.75 usually ships 32-33 days
13 255-2087 20 inch Melamine Mela-Kleen pad (pkg of 2)         $201.75 usually ships 32-33 days
14 255-2068 20 inch Microclean daily cleaning pad (pkg of 2) $227.88 usually ships 32-33 days
15 255-2069 20 inch Micropolish polishing and burnishing pad (pkg of 2) $227.88 usually ships 32-33 days
16 255-2090 20 inch premium black stripping pad (pkg of 5) $45.88 ships same day
17 255-2070 20 inch premium blue cleaning pad (pkg of 5) $45.88 ships same day
18 255-2092 20 inch premium brown stripping pad (pkg of 5) $45.88 ships same day
19 255-2080 20 inch premium green scrubbing pad (pkg of 5) $45.88 ships same day
20 255-2060 20 inch premium red scrubbing pad (pkg of 5) $45.88 ships same day
21 255-2052 20 inch premium tan polishing pad (pkg of 5) $45.88 ships same day
22 255-2020 20 inch premium white polishing pad (pkg of 5) $34.80 ships same day
23 255-2011 20 inch superspeed rubberized pad (pkg of 5) $45.88 usually ships 32-33 days
24 255-2095 20 inch razorback stripping pad (pkg of 5) $65.53 usually ships 32-33 days
25 255-2047 20 inch Redwood maroon floor prep pad (pkg of 10) $94.43 usually ships 32-33 days
26 255-2055 20 inch Ruff non-abrasive brush pad (pkg of 2) $162.70 ships same day
27 255-2023 20 inch sand screen driver pad (pkg of 2) $53.35 usually ships 32-33 days
28 255-0157 20 inch Professional sand screen 100 grit (pkg of 10) $75.27 ships same day
29 255-0021 20 inch Professional sand screen 120 grit (pkg of 10) $177.75 usually ships 32-33 days
30 255-0158 20 inch Professional sand screen 150 grit (pkg of 10) $127.20 ships same day
31 255-0159 20 inch Professional sand screen 180 grit (pkg of 10) $97.79 usually ships 32-33 days
32 255-0160 20 inch Professional sand screen 220 grit (pkg of 10) $156.88 ships same day
33 255-0161 20 inch Professional sand screen 400 grit (pkg of 10) $97.79 usually ships 32-33 days
34 255-0030 20 inch Professional sand screen 60 grit (pkg of 10) $218.88 usually ships 32-33 days
35 255-0020 20 inch Professional sand screen 80 grit (pkg of 10) $181.20 ships same day
36 255-0249 20 inch Superscreen sand screen 100 grit (pkg of 10) $124.45 usually ships 32-33 days
37 255-0250 20 inch Superscreen sand screen 120 grit (pkg of 10) $146.25 usually ships 32-33 days
38 255-0251 20 inch Superscreen sand screen 150 grit (pkg of 10) $81.48 usually ships 32-33 days
39 255-0252 20 inch Superscreen sand screen 180 grit (pkg of 10) $127.20 usually ships 32-33 days
40 255-0253 20 inch Superscreen sand screen 220 grit (pkg10) (OBSOLETE) $127.20 usually ships 32-33 days
41 255-0254 20 inch Superscreen sand screen 400 grit (pkg of 10) $81.48 usually ships 32-33 days
42 255-0247 20 inch Superscreen sand screen 60 grit (pkg of 10) $208.80 usually ships 32-33 days
43 255-0248 20 inch Superscreen sand screen 80 grit (pkg of 10) $168.00 ships same day
45 255-9591 20 inch Diamond by Gorilla 11000 Grit (pkg of 2) $178.90 usually ships 32-33 days
46 255-9588 20 inch Diamond by Gorilla 1500 Grit (pkg of 2) $178.90 ships same day
47 255-9585 20 inch Diamond by Gorilla 200 Grit (pkg of 2) $188.85 usually ships 32-33 days
48 255-9589 20 inch Diamond by Gorilla 3000 Grit (pkg of 2) $178.90 usually ships 32-33 days
49 255-9586 20 inch Diamond by Gorilla 400 Grit (pkg of 2) $188.85 usually ships 32-33 days
50 255-9587 20 inch Diamond by Gorilla 800 Grit (pkg of 2) $178.90 usually ships 32-33 days
51 255-9590 20 inch Diamond by Gorilla 8000 Grit (pkg of 2) $178.90 usually ships 32-33 days
52 255-9645 20 inch Diamond starter pack (1 of each grit) $334.79 usually ships 32-33 days
53 255-2082 20 inch Turbostrip segmented rotary pad(OBSOLETE) $64.40 usually ships 32-33 days
54 255-2015 20 inch Duala clean and shine pad - low speed (pkg of 5) $159.75 usually ships 32-33 days
55 255-2016 20in 2001 Duala clean& shine pad-high speed(pkg 5) (OBSOLETE $159.75 usually ships 32-33 days

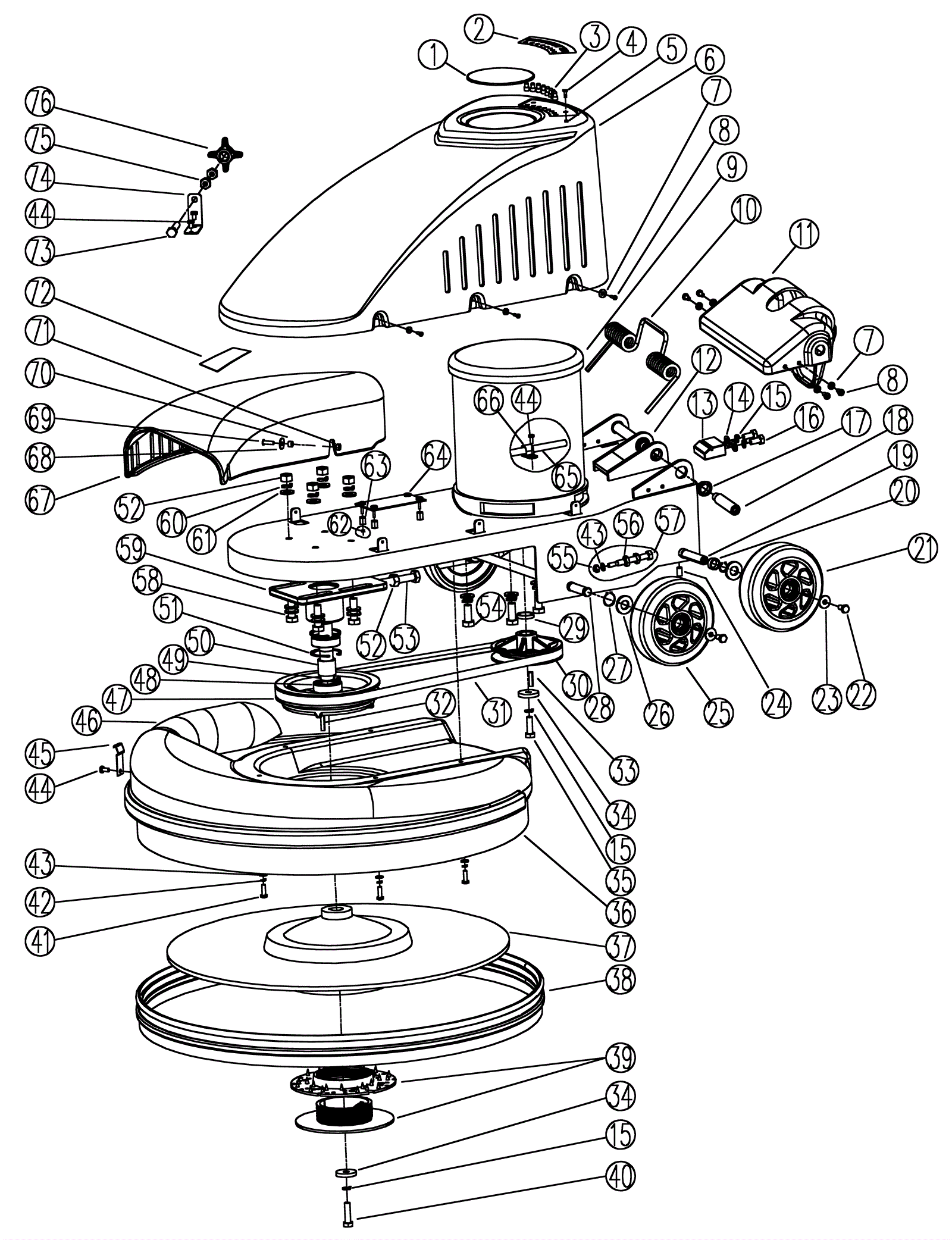
Base Assembly

#PartDescriptionPriceReqNotesAvailability
1 278-0029 ICE decal $7.30 1 usually ships 7-9 days
2 278-2001 Brush adjustment decal $7.30 1 usually ships 7-9 days
3 278-2002 120V Control Board Assembly $122.74 1 usually ships 7-9 days
4 278-1658 Screw M4 x 16 flat head $3.65 2 usually ships 7-9 days
5 999-0954 Nut M4-.7 nylon insert lock stainless steel $0.99 4 ships same day
6 278-2003 Motor cover $90.44 1 usually ships 7-9 days
7 999-9089 Washer M4 flat stainless steel $0.99 14 ships same day
8 999-9101 Screw M4-.7 x 10mm pan head stainless steel $0.99 10 ships same day
9a 278-2004 120V motor $1,378.98 1 usually ships 7-9 days
9b 278-1882 Carbon brush set $13.16 1 usually ships 7-9 days
9c 278-1243 Rectifier $36.81 1 usually ships 7-9 days
10 278-1883 Twist spring $24.55 1 usually ships 7-9 days
11 278-1884 Twist spring cover $57.88 1 usually ships 7-9 days
12 278-2005 Housing $321.44 1 usually ships 7-9 days
13 278-1886 Position plate $29.28 1 usually ships 7-9 days
14 999-9097 Washer M8 flat stainless steel $0.99 2 ships same day
15 999-0674 Washer M8 split lock plain finish $0.99 4 ships same day
16 999-0517 Bolt M8-1.25 x 16mm hex head full thread zinc $0.99 2 ships same day
17 278-1887 Spacer $7.30 4 usually ships 7-9 days
18 278-1888 Screw rod $24.55 2 usually ships 7-9 days
19 278-1889 Rear axle $18.41 1 usually ships 7-9 days
20 278-1890 Wheel axle spacer $3.65 2 usually ships 7-9 days
21 278-1891 6 inch wheel $46.02 2 usually ships 7-9 days
22 999-1383 Screw M6-1 x 16mm hex head stainless steel $3.96 4 ships same day
23 999-1803 Washer M6 flat fender stainless steel $0.99 4 ships same day
24 278-0007 Set screw $3.65 2 usually ships 7-9 days
25 278-1095 5 inch wheel $30.69 2 usually ships 7-9 days
26 278-1097 Washer M12.5 $3.65 4 usually ships 7-9 days
27 278-1892 12 diameter external retaining ring $3.65 4 usually ships 7-9 days
28 278-1893 Front axle $18.41 1 usually ships 7-9 days
29 278-1894 Spacer $7.30 1 usually ships 7-9 days
30 278-1895 Driving pulley $47.19 1 usually ships 7-9 days
31 278-2006 Vee belt $27.83 1 usually ships 7-9 days
32 278-1897 Driven shaft key $3.65 1 ships same day
33 278-1898 Motor key $7.30 1 usually ships 7-9 days
34 999-9097 Washer M8 flat stainless steel $0.99 2 ships same day
35 999-0501 Bolt M8-1.25 x 25mm hex head full thread stainless steel $2.64 1 ships same day
36 278-2007 Housing $76.71 1 usually ships 7-9 days
37 278-1921 19 inch pad driver $242.00 1 usually ships 7-9 days
38 278-2194 Flexible skirt $122.74 1 usually ships 7-9 days
39 278-0201 Big mouth center lok $20.22 1 usually ships 1-5 days
40 999-1653 Screw M8-1.25 x 30mm hex head stainless steel $4.36 1 ships same day
41 999-1312 Screw M6-1 x 20mm hex head stainless steel $0.99 7 ships same day
42 999-1117 Washer M6 split lock stainless steel $0.99 7 ships same day
43 999-6714 Washer M6 x 12mm flat stainless steel $0.99 9 ships same day
44 999-9109 Screw M5-.8 x 12mm pan head phillips stainless steel $0.99 4 ships same day
45 278-2008 Dust bag cover hook $3.65 1 usually ships 7-9 days
46 278-2009 Dust collector bag $7.30 1 usually ships 7-9 days
47 278-1922 Driven pulley $49.96 1 usually ships 7-9 days
48 278-0907 Ball bearing $14.63 2 ships same day
49 278-1923 Driven shaft $30.69 1 usually ships 7-9 days
50 278-1924 Bearing spacer $7.30 1 usually ships 7-9 days
51 278-1925 Internal retaining ring $3.65 2 usually ships 7-9 days
52 999-1887 Nut M10-1 1/4 hex $5.49 5 usually ships 1-5 days
53 999-9081 Screw M10-1.5 x 65mm hex head stainless steel $2.99 1 ships same day
54 278-0946 Bolt M6 x 16mm hex head $3.65 4 usually ships 7-9 days
55 999-0497 Nut M6-1 nylon insert lock stainless steel $0.99 1 ships same day
56 999-1651 Nut M8-1 hex stainless steel $2.83 4 ships same day
57 278-1927 Screw rod M8 $7.30 2 usually ships 7-9 days
58 278-1928 Screw M10 x 32mm hex head $3.65 4 usually ships 7-9 days
59 278-1929 Driven shaft mounting plate $44.97 1 usually ships 7-9 days
60 278-1307 Washer lock $3.65 8 usually ships 7-9 days
61 999-9099 Washer M10 flat stainless steel $0.99 16 ships same day
62 999-1161 Nut M3-.5 hex nylock stainless steel $0.99 4 ships same day
63 278-2010 Nut M3 x 15 $3.65 4 usually ships 7-9 days
64 999-6715 Screw M3-.5 x 6mm pan head stainless steel $0.99 4 ships same day
65 278-2011 Motor power cord $10.25 1 usually ships 7-9 days
66 278-1168 Cord clamp $3.65 1 usually ships 7-9 days
67 278-2012 Dust bag cover $61.93 1 usually ships 7-9 days
68 278-2013 Washer $3.65 1 usually ships 7-9 days
69 278-0104 Screw M5 x 15mm $3.65 1 usually ships 7-9 days
70 278-2014 Spacer $3.65 1 usually ships 7-9 days
71 999-0953 Nut M5-.8 hex nylon insert lock stainless steel $2.88 1 ships same day
72 278-2015 Warning decal $3.65 1 usually ships 7-9 days
73 999-1426 Screw M8-1.25 x 45mm hex head stainless steel $3.04 1 ships same day
74 278-2017 Dust bag cover bracket $7.30 1 usually ships 7-9 days
75 999-0496 Nut M8-1.25 nylon insert lock stainless steel $1.98 2 ships same day
76 278-0045 Knob $5.10 1 usually ships 7-9 days

Handle Assembly

#PartDescriptionPriceReqNotesAvailability
1 278-1183 Insert $24.55 1 usually ships 7-9 days
2 278-1184 Leveling spring $3.65 1 usually ships 7-9 days
3 278-1181 Leveling rod $9.61 1 usually ships 7-9 days
4 278-1875 Bottom tubing bracket $179.50 1 usually ships 7-9 days
5 278-1182 Pin $3.65 1 ships same day
6 278-1911 Handle base $115.50 1 usually ships 7-9 days
7 278-1876 Cord wrap $3.65 1 usually ships 7-9 days
8 999-1670 Screw M5-8 x 40mm hex head $0.99 2 usually ships 1-5 days
9 278-1055 Tooth washer 5 $3.65 4 usually ships 7-9 days
10 278-1056 Screw M5 x 12mm $3.65 4 usually ships 7-9 days
11 278-1058 Tooth washer 4 $3.65 2 usually ships 7-9 days
12 999-1645 Screw M4-.7 x 12mm hex head stainless steel $1.29 1 ships same day
13 278-1877 Leveling rod $7.30 1 usually ships 7-9 days
14 278-1059 Pin $3.65 3 usually ships 7-9 days
15 278-1907 Cover $3.65 1 usually ships 7-9 days
16 278-0983 50 foot power cord (yellow) $239.21 1 usually ships 7-9 days
17 278-1057 Strain relief cord $18.41 1 usually ships 7-9 days
18 999-0876 Washer M6 split lock plain finish $0.99 4 ships same day
19 278-1064 Screw M6 x 35mm $3.65 2 usually ships 7-9 days
20 278-2000 Serial number Call for price 1 usually ships 7-9 days
21 278-1065 Screw M6 x 25mm $3.65 2 usually ships 7-9 days
22 278-1062 Rear cover $18.41 1 usually ships 7-9 days
23 278-2198 20amp circuit breaker $18.41 1 ships same day
24 278-1074 Safety spring $3.65 1 usually ships 7-9 days
25 278-1068 Ball base $3.65 1 usually ships 7-9 days
26 278-1069 Screw M4 x 8mm $3.65 2 usually ships 7-9 days
27 278-1070 Right hand trigger switch $3.65 1 usually ships 7-9 days
28 278-1060 Left trigger switch $3.65 1 usually ships 7-9 days
29 278-0090 Screw M3 x 25mm $3.65 2 usually ships 7-9 days
30 278-1071 Safety spring $3.65 1 usually ships 7-9 days
31 278-0089 Washer M3 tooth $3.65 2 ships same day
32 278-2192 Switch $55.26 1 usually ships 7-9 days
33 278-1073 Safety bottom $3.65 1 usually ships 7-9 days
34 278-1075 Front cover $30.69 1 usually ships 7-9 days
35 278-0029 ICE decal $7.30 1 usually ships 7-9 days
36 278-1076 Clamp core $3.65 1 usually ships 7-9 days
37 278-1077 Screw M4 x 6mm $3.65 2 usually ships 7-9 days
38 999-0497 Nut M6-1 nylon insert lock stainless steel $0.99 1 ships same day
39 999-6714 Washer M6 x 12mm flat stainless steel $0.99 6 ships same day
40 999-0953 Nut M5-.8 hex nylon insert lock stainless steel $2.88 2 ships same day
41 278-1053 Tank clamp $3.65 1 usually ships 7-9 days
42 278-1879 Top tubing bracket $131.08 1 usually ships 7-9 days
43 278-1084 Handle cord $18.41 1 usually ships 7-9 days
44 278-1086 Grommet $3.65 1 usually ships 7-9 days
45 278-1911 Handle base $115.50 1 usually ships 7-9 days
46 278-1880 Pin $26.44 1 usually ships 7-9 days
47 278-0131 Screw $3.65 6 usually ships 7-9 days
48 999-1117 Washer M6 split lock stainless steel $0.99 6 ships same day
49 278-1168 Cord clamp $3.65 1 usually ships 7-9 days
50 278-0231 Screw M6 x 10mm $3.65 1 usually ships 7-9 days