| # | Part | Description | Price | Req | Notes | Availability |
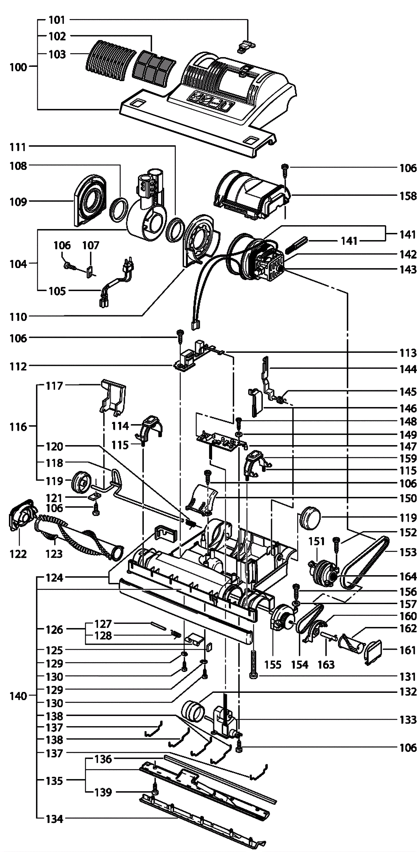
100 |
273-0058
|
Power head cover |
$154.19
|
|
(includes 101-103) |
usually ships 11-15 days |
101 |
173-2387
|
Exhaust filter catch |
$9.42
|
|
|
ships same day |
102a |
173-0093
|
Exhaust filter |
$6.66
|
|
(OEM) |
ships same day |
102b |
991-9016
|
Exhaust filter (Sensor XP) |
$1.93
|
|
(NON-OEM) |
ships same day |
103 |
173-2388
|
Exhaust filter cover |
$20.36
|
|
|
ships same day |
104 |
273-0921
|
Swivel neck assembly |
$74.15
|
|
(includes 105-107) |
usually ships 11-15 days |
105 |
173-2390
|
Male contact holder |
$33.19
|
|
|
usually ships 11-15 days |
106 |
173-0007
|
Screw M3-.5 x 13mm |
$2.05
|
|
|
usually ships 11-15 days |
107 |
173-2391
|
Cable clamp |
$4.30
|
|
|
usually ships 1-5 days |
108 |
173-2392
|
Sleeve |
$15.77
|
|
|
usually ships 11-15 days |
109 |
273-0922
|
Right side swivel neck support |
$30.95
|
|
|
usually ships 11-15 days |
110 |
273-0923
|
Left side swivel neck support |
$38.49
|
|
|
usually ships 1-5 days |
111 |
173-5248
|
Left side swivel neck bearing |
$11.59
|
|
|
usually ships 11-15 days |
112 |
173-2395
|
12V power supply |
$175.37
|
|
|
ships same day |
113 |
173-2396
|
Ribbon cable |
$34.36
|
|
|
usually ships 11-15 days |
114 |
173-2397
|
Brush roller release |
$22.59
|
|
|
usually ships 11-15 days |
115 |
173-2398
|
Spring |
$3.67
|
|
|
ships same day |
116 |
173-2399
|
Axle assembly |
$40.25
|
|
(includes 114-115, 117-120) |
ships same day |
117 |
273-0925
|
Foot pedal (orange) |
$14.12
|
|
|
ships same day |
118 |
173-2401
|
Axle |
$48.49
|
|
|
usually ships 11-15 days |
119 |
173-2402
|
Wheel |
$40.49
|
|
|
usually ships 11-15 days |
120 |
173-0009
|
Axle spring |
$5.50
|
|
|
ships same day |
121 |
173-0008
|
Axle clamp |
$3.31
|
|
|
ships same day |
122 |
173-0217
|
Right side bearing block |
$40.02
|
|
|
ships same day |
123 |
173-0103
|
18 inch brush assembly |
$87.10
|
|
|
ships same day |
124 |
173-2450
|
Bumper |
$56.85
|
|
|
usually ships 1-5 days |
125 |
173-2405
|
Rubbing plate |
$4.30
|
|
|
ships same day |
126 |
173-2406
|
Access door |
$22.59
|
|
(includes 127-128) |
usually ships 11-15 days |
127 |
173-2407
|
Access door axle |
$1.47
|
|
|
ships same day |
128 |
173-2408
|
Access door spring |
$6.01
|
|
|
ships same day |
129 |
173-2409
|
Hinge |
$2.83
|
|
|
usually ships 11-15 days |
130 |
173-2458
|
Screw M2.9 x 9.5mm (OBSOLETE) |
$0.99
|
|
|
usually ships 11-15 days |
131 |
999-1518
|
Screw M4-.7 x 30mm pan head phillips zinc plated |
$1.91
|
|
|
ships same day |
132 |
173-2410
|
Pile adjustment wheel |
$41.07
|
|
|
ships same day |
133 |
173-2411
|
Drive motor with gear box |
$156.54
|
|
|
usually ships 11-15 days |
134 |
273-0059
|
Front bottom plate |
$61.20
|
|
|
usually ships 11-15 days |
135 |
173-5298
|
Rear bottom plate |
$48.61
|
|
(includes 136 and 139) |
usually ships 11-15 days |
136 |
173-5297
|
Seal strip |
$13.42
|
|
|
usually ships 11-15 days |
137 |
173-5269
|
Wire tie |
$7.66
|
|
|
usually ships 11-15 days |
138 |
173-5270
|
Wire tie |
$7.66
|
|
|
usually ships 11-15 days |
139 |
273-0939
|
Screw M4-.7 x 12mm with washer |
$3.39
|
|
|
ships same day |
140 |
273-0932
|
Chassis (gray) |
$269.53
|
|
(includes 124-130 and 134-139) |
usually ships 11-15 days |
141a |
173-5271
|
120V vacuum motor |
$350.75
|
|
|
usually ships 11-15 days |
141b |
173-4726
|
Carbon brush (pkg of 2) |
$69.44
|
|
|
usually ships 11-15 days |
141c |
273-0931
|
Thermo switch |
$72.97
|
|
|
usually ships 11-15 days |
142 |
173-2415
|
Rubber mount |
$25.89
|
|
|
usually ships 11-15 days |
143 |
173-5272
|
Motor pulley |
$15.07
|
|
|
ships same day |
144 |
173-2417
|
Support lever |
$38.14
|
|
|
ships same day |
145 |
173-2418
|
Support spring |
$4.17
|
|
|
ships same day |
146 |
173-2419
|
Motor pulley cover |
$14.12
|
|
|
usually ships 11-15 days |
147 |
173-2420
|
Computer controller |
$215.39
|
|
|
ships same day |
148 |
173-2462
|
Screw M2.9 x 13mm |
$0.99
|
|
|
usually ships 1-5 days |
149 |
173-2463
|
Washer 3.2mm |
$0.99
|
|
|
usually ships 1-5 days |
150 |
173-2421
|
Cover |
$16.60
|
|
|
usually ships 11-15 days |
151 |
173-8557
|
Sensor with red ring |
$148.30
|
|
|
usually ships 11-15 days |
152 |
173-2464
|
Screw 3.9 x 25mm |
$1.20
|
|
|
ships same day |
153 |
173-8443
|
Belt |
$35.90
|
|
|
ships same day |
154 |
173-2424
|
Belt |
$31.90
|
|
|
ships same day |
155 |
173-0218
|
Left side bearing block |
$111.23
|
|
|
usually ships 11-15 days |
156 |
173-0135
|
Screw M3-.5 x 16mm |
$0.99
|
|
|
ships same day |
157 |
173-0090
|
Lock washer |
$1.63
|
|
|
usually ships 11-15 days |
158 |
173-2430
|
Motor cover |
$48.61
|
|
|
ships same day |
159 |
173-2446
|
Brush cover release |
$23.42
|
|
|
usually ships 11-15 days |
160 |
173-2443
|
Bearing seal |
$35.19
|
|
|
usually ships 11-15 days |
161 |
173-0219
|
Brush cover (gray/blue) |
$43.55
|
|
|
usually ships 11-15 days |
162 |
173-0103
|
18 inch brush assembly |
$87.10
|
|
|
ships same day |
163 |
173-2444
|
Shaft extension |
$38.49
|
|
|
usually ships 11-15 days |
164 |
173-2416
|
Motor pulley |
$23.77
|
|
|
usually ships 11-15 days |