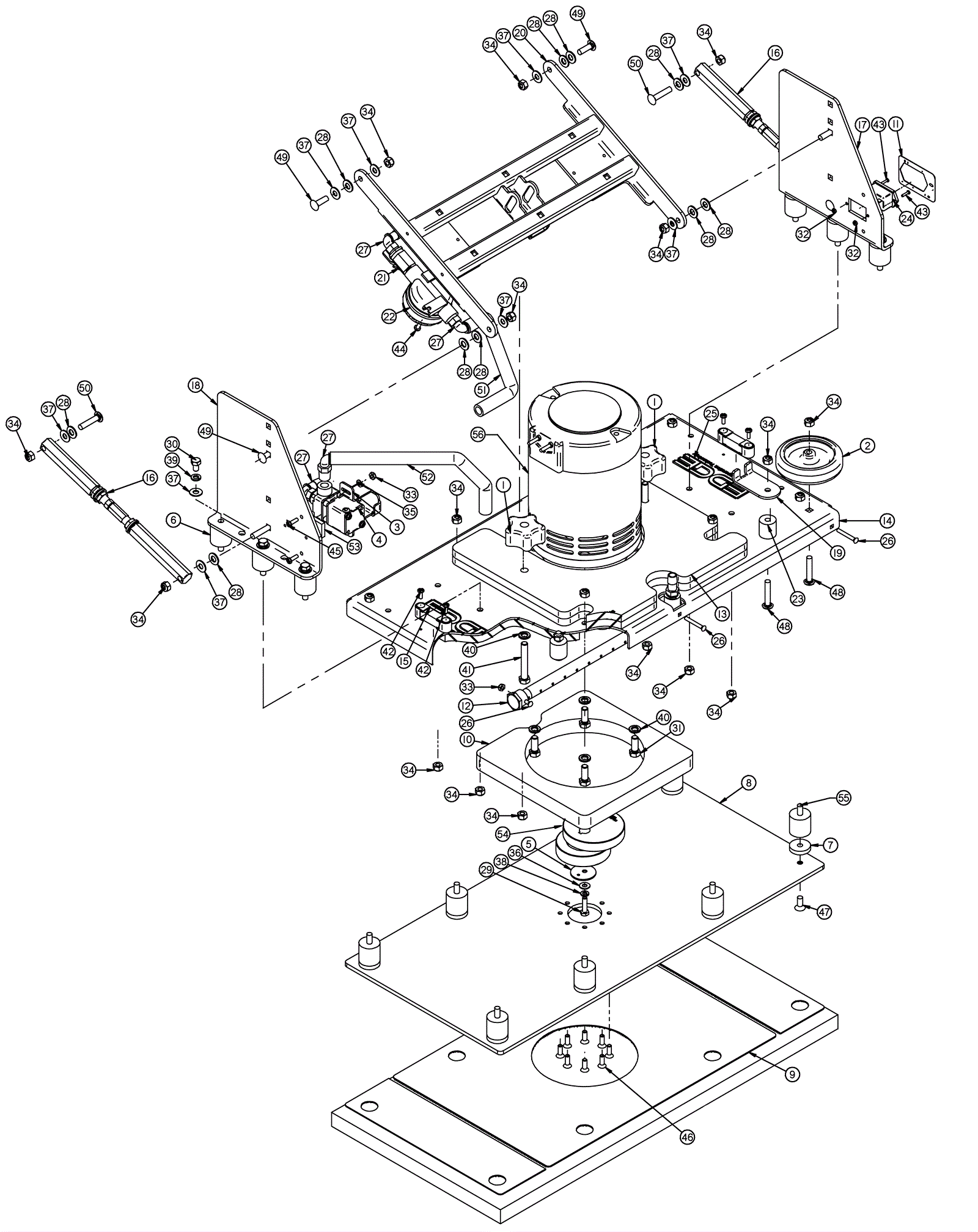
| # | Part | Description | Price | Req | Notes | Availability |
1 |
202-5078
|
Star knob |
$15.29
|
2 |
|
ships same day |
2 |
202-5079
|
4 inch wheel |
$10.23
|
2 |
|
usually ships 8-13 days |
3 |
202-3058
|
Valve bracket |
$21.34
|
1 |
|
usually ships 8-13 days |
4 |
202-5200
|
24V solenoid |
$148.61
|
1 |
|
ships same day |
5 |
202-5084
|
Crush washer |
$7.37
|
1 |
|
usually ships 8-13 days |
6 |
202-5111
|
Isolator kit (pkg of 6) |
$79.31
|
1 |
(includes 6 isolators, 6 bolts, 6 washers, 6 lock washers and 6 nylok nuts) |
usually ships 8-13 days |
7a |
202-5085
|
20 and 28 inch spacer |
$5.50
|
8 |
(28 inch) |
usually ships 8-13 days |
7b |
202-5086
|
32 inch spacer |
$7.04
|
8 |
(32 inch) |
usually ships 1-5 days |
8a |
202-5087
|
28 inch aluminum pad driver |
$287.98
|
1 |
(28 inch) |
usually ships 8-13 days |
8b |
202-5088
|
32 inch aluminum pad driver |
$378.62
|
1 |
(32 inch) |
usually ships 8-13 days |
9 |
202-5089
|
Mighty-Lok II grip face pad holder set (brown) |
$160.60
|
1 |
|
ships same day |
10 |
202-5202
|
1 inch bearing gasket |
$42.79
|
1 |
|
usually ships 8-13 days |
11 |
202-5091
|
Isolator decal |
$10.78
|
1 |
|
usually ships 8-13 days |
12a |
202-5093
|
28 inch solution feed tube |
$114.07
|
1 |
(28 inch) |
usually ships 8-13 days |
12b |
202-4189
|
32 inch feed tube |
$134.86
|
1 |
(32 inch) |
usually ships 8-13 days |
13 |
202-5095
|
15 pound top weight |
$343.53
|
2 |
|
usually ships 8-13 days |
14a |
202-5096
|
28 inch square scrub deck |
$733.18
|
1 |
(28 inch) |
usually ships 8-13 days |
14b |
202-7032
|
Kit, Deck, Square Head, SS, 32 inch |
$2,156.22
|
1 |
(32 inch) |
usually ships 8-13 days |
15 |
202-5098
|
2 inch bolt on level |
$5.50
|
2 |
|
usually ships 8-13 days |
16 |
202-5099
|
Adjustable lateral arm assembly |
$113.85
|
2 |
|
usually ships 8-13 days |
17 |
202-5100
|
Left side deck lifting bracket |
$62.15
|
1 |
|
usually ships 8-13 days |
18 |
202-5101
|
Right side deck lifting bracket |
$62.15
|
1 |
|
usually ships 8-13 days |
19 |
202-5203
|
Wheel bracket |
$13.09
|
2 |
|
usually ships 8-13 days |
20 |
202-5102
|
Lateral arm |
$282.81
|
1 |
|
usually ships 8-13 days |
21 |
202-3057
|
Ball valve |
$39.16
|
1 |
|
ships same day |
22 |
202-3234
|
Inline filter |
$84.15
|
1 |
|
ships same day |
23 |
202-0582
|
Stand-off |
$13.31
|
2 |
|
usually ships 8-13 days |
24 |
202-0376
|
Hour meter |
$90.20
|
1 |
|
usually ships 8-13 days |
25 |
202-5204
|
5 inch EDGE decal |
$13.22
|
2 |
|
usually ships 8-13 days |
26 |
202-5205
|
Bolt #10-32 x 1 1/2 inch carriage stainless steel |
$5.50
|
3 |
|
usually ships 8-13 days |
27 |
202-3059
|
Elbow barb |
$5.50
|
4 |
|
usually ships 8-13 days |
28 |
202-2210
|
Washer 3/8 x 3/4 flat nylon |
$5.50
|
11 |
|
usually ships 8-13 days |
29 |
999-0297
|
Bolt 1/4-20 x 1 hex head stainless steel |
$2.53
|
1 |
|
ships same day |
30 |
999-0547
|
Bolt 5/16-18 x 1/2 hex head stainless steel |
$0.99
|
6 |
|
ships same day |
31 |
999-0562
|
Bolt 3/8-16 x 1 hex head stainless steel |
$1.50
|
4 |
|
ships same day |
32 |
999-0295
|
Nut 4-40 nylon insert lock stainless steel |
$0.99
|
2 |
|
ships same day |
33 |
999-0086
|
Nut 10-32 nylon insert lock zinc plated |
$0.99
|
5 |
|
ships same day |
34 |
999-0423
|
Nut 5/16-18 nylon insert lock stainless steel |
$0.99
|
26 |
|
ships same day |
35 |
999-0998
|
Washer #10 flat stainless steel |
$0.99
|
2 |
|
ships same day |
36 |
999-0335
|
Washer 1/4 x 5/8 SAE flat stainless steel |
$0.99
|
1 |
|
ships same day |
37 |
999-0549
|
Washer 5/16 x 3/4 SAE flat stainless steel |
$0.99
|
15 |
|
ships same day |
38 |
999-0632
|
Washer 1/4 split lock stainless steel |
$0.99
|
1 |
|
ships same day |
39 |
999-0553
|
Washer 5/16 medium split lock stainless steel |
$0.99
|
6 |
|
ships same day |
40 |
999-0659
|
Washer 3/8 medium split lock stainless steel |
$0.39
|
6 |
|
ships same day |
42 |
999-0916
|
Screw 8-32 x 1/2 pan head phillips stainless steel |
$0.99
|
4 |
|
ships same day |
43 |
202-2370
|
Screw 4-40 x 1/2 Phillips pan head stainless steel |
$5.50
|
2 |
|
usually ships 1-5 days |
44 |
999-1350
|
Screw 10-32 x 1/2 inch phillips pan head stainless steel |
$0.99
|
2 |
|
ships same day |
45a |
202-2122
|
Screw 10-32 x 5/8 inch phillips pan head |
$5.50
|
2 |
|
usually ships 8-13 days |
45b |
999-1487
|
Screw 10-32 x 5/8 pan head phillips stainless steel |
$0.99
|
2 |
|
ships same day |
46 |
999-0457
|
Screw 1/4-20 x 3/4 flat head phillips stainless steel |
$0.99
|
8 |
|
ships same day |
47 |
202-2831
|
Screw 5/16-18 x 3/4 flat head socket stainless steel |
$5.50
|
8 |
|
usually ships 8-13 days |
48 |
202-3077
|
Carriage bolt 5/16 x 1-1/2 stainless steel |
$5.50
|
4 |
|
usually ships 8-13 days |
49 |
999-9066
|
Bolt 5/16-18 x 1 carriage head stainless steel |
$1.34
|
4 |
|
ships same day |
50 |
999-1370
|
Bolt 5/16-18 x 1 1/2 carriage head stainless steel |
$0.99
|
4 |
|
usually ships 1-5 days |
51 |
202-5206
|
Valve filter (OBSOLETE) |
Call for price
|
1 |
|
usually ships 1-5 days |
52 |
202-5207
|
Hose |
$4.40
|
1 |
|
usually ships 8-13 days |
53 |
202-5208
|
Valve pad |
$5.50
|
1 |
|
usually ships 8-13 days |
54a |
202-5109
|
28 inch eccentric assembly |
$261.69
|
1 |
|
usually ships 8-13 days |
54b |
202-5110
|
32 inch eccentric assembly |
$314.27
|
1 |
|
usually ships 8-13 days |
55a |
202-5107
|
28 inch isolator kit (pkg of 8) |
$150.59
|
1 |
(includes 8 isolators, 1 hour meter, 8 bolts, 8 nuts, 1 gasket and 1 sticker seal) |
usually ships 8-13 days |
56a |
202-5531
|
24V 1 HP motor |
$2,292.84
|
1 |
(standard) |
usually ships 8-13 days |
56b |
202-5354
|
24V 1.2 HP motor |
$2,239.05
|
1 |
(optional) |
usually ships 8-13 days |