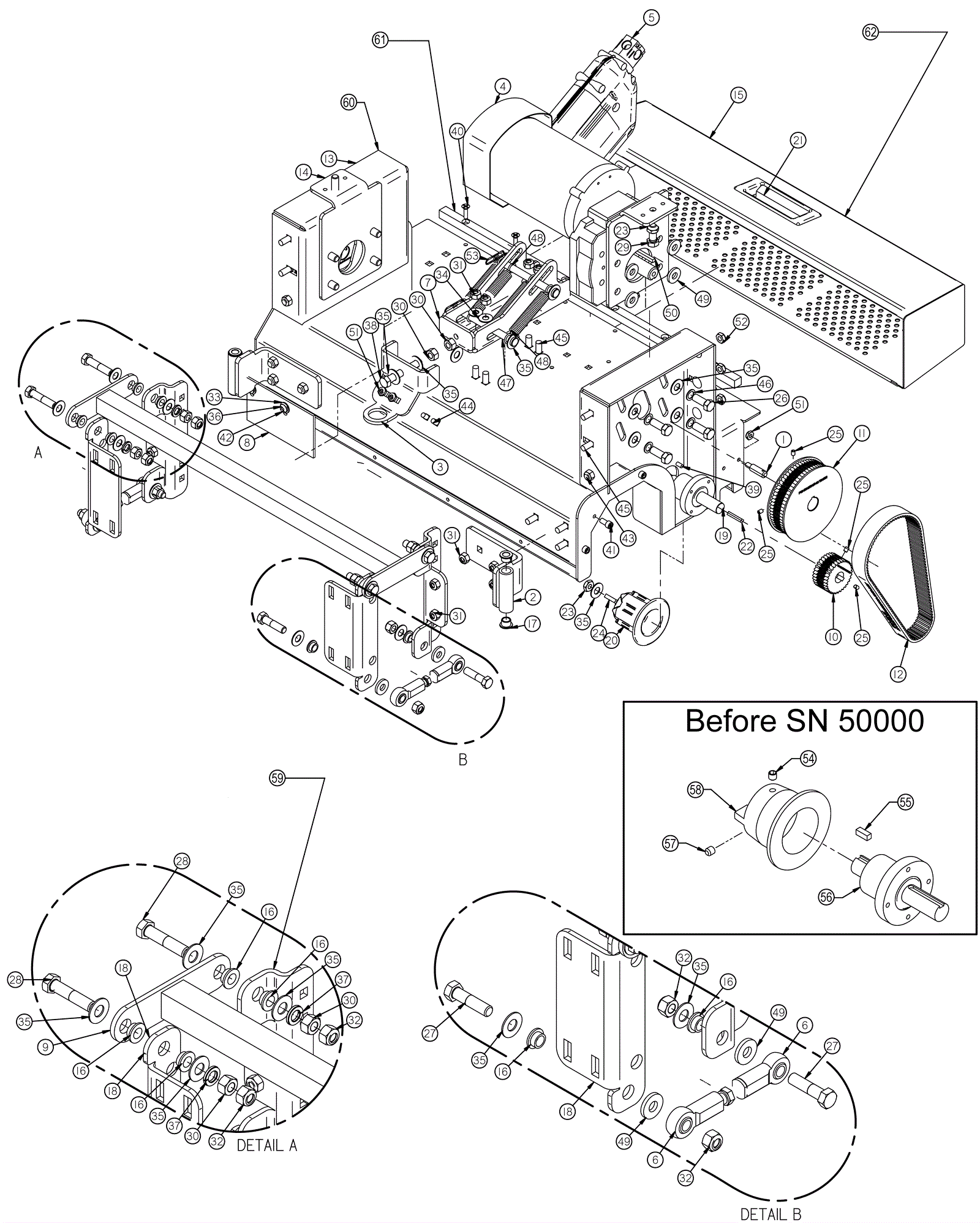
| # | Part | Description | Price | Req | Notes | Availability |
1 |
202-3136
|
Retaining pin |
$19.47
|
2 |
|
usually ships 8-13 days |
2 |
202-3137
|
Hinge |
$73.48
|
2 |
|
usually ships 8-13 days |
3 |
202-5124
|
Actuator adjustment bracket |
$69.74
|
1 |
|
usually ships 1-5 days |
4 |
202-5125
|
36V 3/4HP motor |
$586.74
|
2 |
|
usually ships 8-13 days |
5 |
202-1932
|
36V actuator |
$600.82
|
1 |
|
ships same day |
6 |
202-3138
|
Adjustable ball joint |
$34.98
|
2 |
|
usually ships 1-5 days |
7 |
202-5126
|
Lifting bracket |
$75.13
|
1 |
|
usually ships 1-5 days |
8 |
202-3139
|
Curtain blade |
$7.37
|
1 |
|
usually ships 8-13 days |
9 |
202-5127
|
Lateral arm |
$139.04
|
1 |
(250 models only) |
usually ships 1-5 days |
10 |
202-3140
|
32 toothed sprocket |
$81.51
|
2 |
|
usually ships 8-13 days |
11 |
202-3141
|
68 toothed sprocket |
$93.50
|
2 |
|
usually ships 8-13 days |
12 |
202-2877
|
Belt |
$114.51
|
2 |
|
usually ships 8-13 days |
13 |
202-5027
|
24 inch cylindrical scrub deck |
$1,272.48
|
1 |
|
usually ships 8-13 days |
14 |
202-3142
|
Motor adjustment bracket |
$45.10
|
2 |
|
usually ships 8-13 days |
15 |
202-4024
|
24 inch hopper |
$266.53
|
1 |
|
usually ships 8-13 days |
16 |
202-1239
|
Flanged bearing |
$5.50
|
12 |
|
usually ships 8-13 days |
17 |
202-0754
|
Flanged bearing |
$5.50
|
4 |
|
usually ships 8-13 days |
18 |
202-5103
|
Adjustable arm bracket |
$177.50
|
2 |
|
usually ships 1-5 days |
19 |
202-3146
|
Bearing housing |
$167.97
|
2 |
|
usually ships 8-13 days |
20 |
202-3147
|
Brush driver |
$109.89
|
2 |
|
usually ships 8-13 days |
21 |
202-0308
|
Handle |
$24.09
|
1 |
|
usually ships 8-13 days |
22 |
202-0847
|
Square keyway |
$5.50
|
2 |
|
usually ships 8-13 days |
23 |
999-1151
|
Nut 3/8-24 nylon insert jam lock stainless steel |
$2.02
|
4 |
|
ships same day |
24 |
202-3153
|
Square keyway |
$5.50
|
2 |
|
usually ships 8-13 days |
25 |
999-1635
|
Screw 10-32 x 1/4 socket set |
$0.99
|
8 |
|
ships same day |
26 |
999-0562
|
Bolt 3/8-16 x 1 hex head stainless steel |
$1.50
|
8 |
|
ships same day |
27 |
202-1970
|
Bolt 3/8-16 x 1-1/2 hex head stainless steel |
$5.50
|
4 |
|
usually ships 8-13 days |
28 |
999-1006
|
Screw 3/8-16 x 1 3/4 hex head stainless steel |
$2.31
|
4 |
|
ships same day |
29 |
202-3155
|
Bolt 3/8 x 1 inch hex head stainless steel |
$5.50
|
2 |
|
usually ships 8-13 days |
30 |
999-0635
|
Nut 3/8-16 hex stainless steel |
$0.99
|
6 |
|
ships same day |
31 |
999-0423
|
Nut 5/16-18 nylon insert lock stainless steel |
$0.99
|
16 |
|
ships same day |
32 |
999-1482
|
Nut 3/8-16 nylon lock stainless steel |
$1.06
|
8 |
|
ships same day |
33 |
999-0335
|
Washer 1/4 x 5/8 SAE flat stainless steel |
$0.99
|
2 |
|
ships same day |
34 |
999-0549
|
Washer 5/16 x 3/4 SAE flat stainless steel |
$0.99
|
10 |
|
ships same day |
35 |
999-0617
|
Washer 3/8 x 1 flat stainless steel |
$1.82
|
28 |
|
ships same day |
36 |
999-0632
|
Washer 1/4 split lock stainless steel |
$0.99
|
2 |
|
ships same day |
37 |
999-0659
|
Washer 3/8 medium split lock stainless steel |
$0.39
|
4 |
|
ships same day |
39 |
999-1009
|
Screw 10-32 x 1/2 flat head phillips stainless steel |
$0.99
|
8 |
|
ships same day |
40 |
999-1189
|
Screw 10-32 x 3/4 flat head phillips stainless steel |
$0.99
|
6 |
|
ships same day |
41 |
202-3157
|
Screw 1/4 x 1/4 inch socket head stainless steel |
$5.50
|
8 |
|
usually ships 8-13 days |
42 |
202-3109
|
Screw 1/4 x 5/8 button head socket stainless steel |
$5.50
|
2 |
|
usually ships 8-13 days |
43 |
999-1575
|
Bolt 5/16-18 x 1/2 carriage head zinc plated |
$0.99
|
8 |
|
usually ships 1-5 days |
45 |
999-0967
|
Bolt 5/16-18 x 3/4 carriage head stainless steel |
$2.16
|
14 |
|
ships same day |
46 |
202-3158
|
Washer 3/8 inch serrated stainless steel |
$9.02
|
8 |
|
usually ships 1-5 days |
47 |
202-1968
|
Clevis pin |
$7.37
|
2 |
|
usually ships 8-13 days |
48 |
202-2208
|
Compression spring |
$6.71
|
4 |
|
usually ships 8-13 days |
49 |
999-0120
|
Washer 3/8 SAE flat |
$0.99
|
12 |
|
ships same day |
50 |
202-0140
|
Steering shaft key |
$5.50
|
2 |
|
usually ships 8-13 days |
51 |
999-0304
|
Nut 1/4-20 nylon lock jam stainless steel |
$0.99
|
10 |
|
ships same day |
52 |
999-1019
|
Nut 5/16-18 hex jam stainless steel |
$0.99
|
6 |
|
ships same day |
53 |
202-2036
|
Cotter pin |
$5.50
|
2 |
|
usually ships 8-13 days |
54 |
202-3154
|
Screw 1/4-20 x 1/4 set |
$5.50
|
1 |
(before SN 50000) |
ships same day |
55 |
164-1029
|
Square keyway |
$5.13
|
1 |
(before SN 50000) |
usually ships 19-25 days |
56 |
202-4041
|
Bearing housing |
$174.68
|
1 |
(before SN 50000) |
ships same day |
57 |
202-3154
|
Screw 1/4-20 x 1/4 set |
$5.50
|
1 |
(before SN 50000) |
ships same day |
58 |
202-0264
|
Brush driver |
$96.69
|
1 |
(before SN 50000) |
ships same day |
59a |
202-5128
|
24 inch lifting bracket |
$28.16
|
1 |
|
usually ships 1-5 days |
59b |
202-5129
|
27 inch lifting bracket |
$119.79
|
1 |
|
usually ships 1-5 days |
59c |
202-5130
|
30 inch right side lifting bracket |
$95.15
|
1 |
|
usually ships 1-5 days |
59d |
202-5131
|
30 inch left side lifting bracket |
$111.10
|
1 |
|
usually ships 1-5 days |
59e |
202-5132
|
34 inch right side lifting bracket |
$111.87
|
1 |
|
usually ships 1-5 days |
59f |
202-5133
|
34 inch left side lifting bracket |
$53.46
|
1 |
|
usually ships 1-5 days |
60a |
202-5027
|
24 inch cylindrical scrub deck |
$1,272.48
|
1 |
|
usually ships 8-13 days |
60b |
202-4019
|
27 inch cylindrical brush deck |
$1,268.08
|
1 |
|
usually ships 8-13 days |
60c |
202-4020
|
30 inch cylindrical brush deck |
$1,754.06
|
1 |
|
usually ships 1-5 days |
60d |
202-4021
|
34 inch cylindrical brush deck |
$921.25
|
1 |
|
usually ships 1-5 days |
61a |
202-1275
|
24 inch hopper rail |
$46.67
|
1 |
|
usually ships 8-13 days |
61b |
202-0840
|
27 inch hopper rail |
$63.58
|
1 |
|
usually ships 8-13 days |
61c |
202-0841
|
30 inch hopper rail |
$135.34
|
1 |
|
usually ships 8-13 days |
61d |
202-4010
|
34 inch hopper rail |
$78.54
|
1 |
|
usually ships 1-5 days |
62a |
202-4024
|
24 inch hopper |
$266.53
|
1 |
|
usually ships 8-13 days |
62b |
202-6833
|
Hopper,Stainless,27 inch, Complete |
$442.75
|
1 |
|
usually ships 8-13 days |
62c |
202-4026
|
30 inch hopper |
$408.76
|
1 |
|
usually ships 8-13 days |
62d |
202-4027
|
34 inch hopper |
$584.98
|
1 |
|
usually ships 8-13 days |