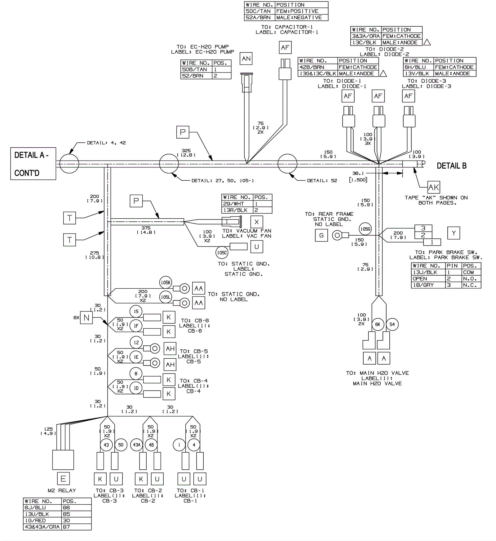
Electrical Harness 2 - Propel - Before SN 10822348
Click to enlarge