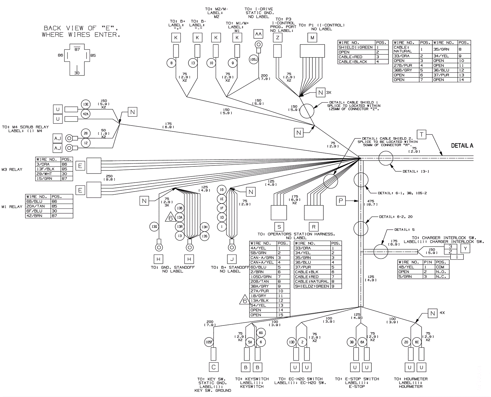
SPEED SCRUB 300 Electrical Harness 1 - Propel - From SN 10822349-10891948

#PartDescriptionPriceReqNotesAvailability
1 375-3175 Main propel harness $1,135.42 1 (between serial number 10822349-10891948) (includes 2 and3) ships same day
2 175-2216 Diode plug $14.19 3 usually ships 10-13 days
3 275-4752 Capacitor plug $18.92 1 usually ships 10-13 days