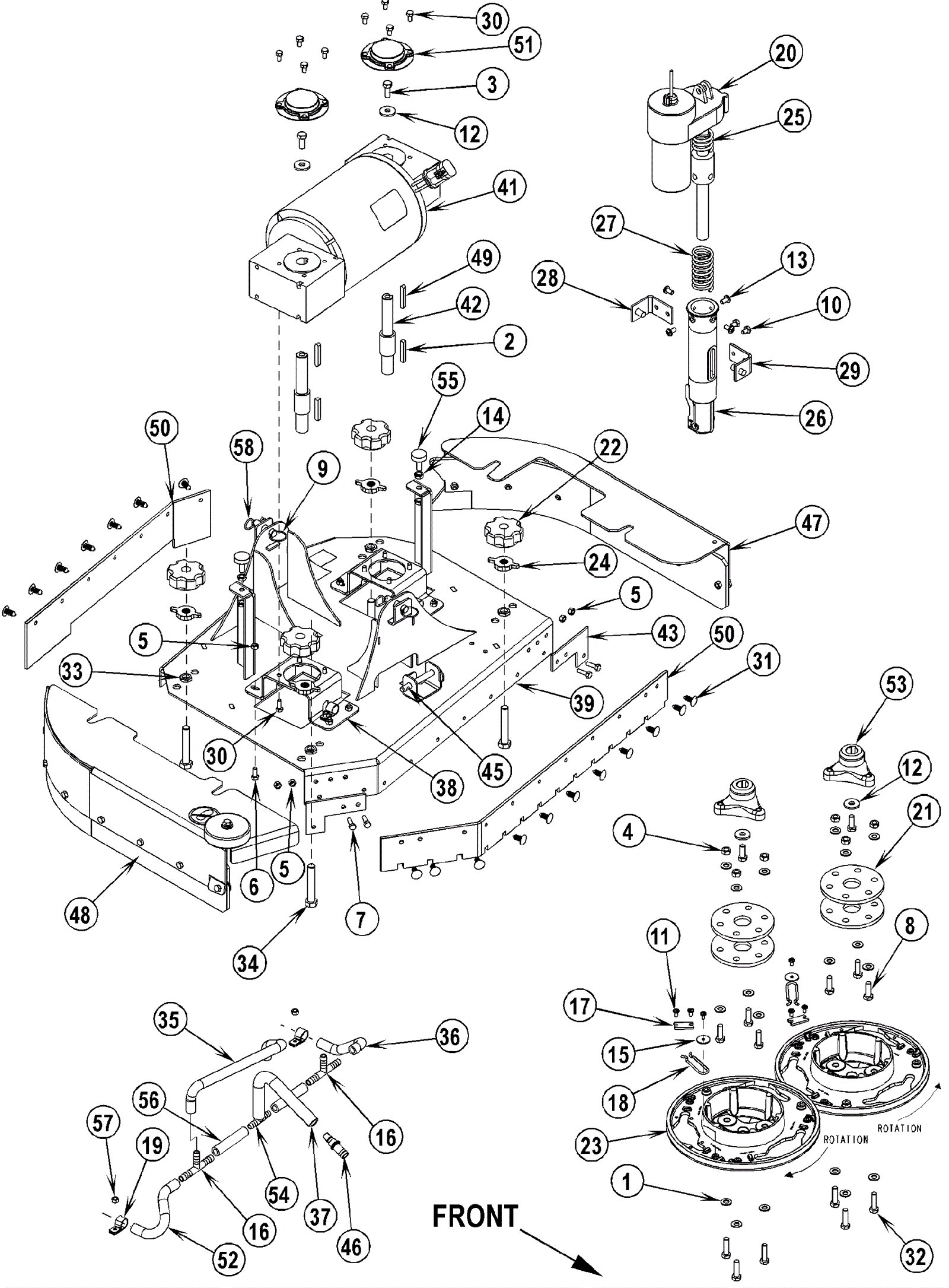
ADVENGER AXP Scrub Assembly - Disk

#PartDescriptionPriceReqNotesAvailability
1 999-0549 Washer 5/16 x 3/4 SAE flat stainless steel $0.99 18 ships same day
2 172-3375 Square keyway $12.89 2 usually ships 13-18 days
3 999-0494 Bolt 5/16-18 x 7/8 hex head stainless steel $0.99 4 ships same day
4 999-0496 Nut M8-1.25 nylon insert lock stainless steel $1.34 6 ships same day
5 999-0497 Nut M6-1 nylon insert lock stainless steel $0.99 12 ships same day
6 999-1383 Screw M6-1 x 16mm hex head stainless steel $3.96 8 ships same day
7 999-1312 Screw M6-1 x 20mm hex head stainless steel $0.99 4 (26 in, 28 in, BR 650S and BR 700S) ships same day
8 272-5780 Screw M8-1 x 25mm hex head lock SS $11.35 6 ships same day
9 172-3360 Ring pin 1/2 x 1-1/4 $7.58 2 usually ships 13-18 days
10 999-0360 Screw 1/4-20 x 3/8 hex head thread rolling unslotted $0.99 2 ships same day
11 999-1152 Screw 10-24 x 3/8 pan head phillips thread rolling zinc $0.99 6 ships same day
12 172-3047 Washer 11/32 x 1/8 flat $12.89 4 usually ships 13-18 days
13 999-1129 Screw 1/4-20 x 1/2 pan head phillips thread rolling zinc $0.99 4 ships same day
14 999-0430 Nut 5/16-18 hex jam plain finish $0.99 4 ships same day
15 999-0588 Washer 7/8 flat stainless steel $11.44 2 ships same day
16 172-9009 Tee barb $25.75 2 usually ships 1-5 days
17 172-0155 Stop plate $12.89 2 usually ships 13-18 days
18 272-5779 Spring retainer $12.89 2 usually ships 13-18 days
19 181-0269 P clamp $12.89 2 usually ships 1-5 days
20 172-8921 Actuator $635.35 1 usually ships 13-18 days
21 172-2070 Thermoid disk $9.70 4 ships same day
22 172-9281 Knob $13.32 4 ships same day
23 172-2089 Drive plate $96.49 2 usually ships 13-18 days
24 172-9282 Knob $15.17 4 usually ships 13-18 days
25 172-8941 Compression spring $30.60 1 usually ships 13-18 days
26 172-8952 Spring housing $76.04 1 usually ships 13-18 days
27 172-8953 Compression spring $37.27 1 usually ships 13-18 days
28 172-8954 Nut retainer $55.14 1 usually ships 13-18 days
29 172-8954 Nut retainer $55.14 1 usually ships 13-18 days
30 999-9116 Screw M6-1 x 12mm hex head stainless steel $0.99 16 ships same day
31 991-5122 1/4 nylon tree push-in rivet $1.67 18 ships same day
32 999-0785 Screw M8-1.25 x 30mm hex head stainless steel $2.24 6 ships same day
33 999-1377 Nut M12-1.75 hex jam $0.99 4 ships same day
34 999-1349 Screw M12-1.75 x 70mm full thread hex head stainless steel $5.98 4 ships same day
35 172-9011 3/8 spiral hose $12.89 1 usually ships 1-5 days
36 272-1035 Solution hose $17.17 1 usually ships 13-18 days
37 172-2327 Wire reinforced clear hose (OBSOLETE) $13.17 1 usually ships 13-18 days
38 272-6069 Motor bracket $96.35 2 usually ships 13-18 days
39 172-3380 Deck weldment - disc $1,074.47 1 (24 in, 26 in, 28 in, BR 600s, BR 650S, BR 700S) usually ships 13-18 days
41a 172-3384 Motor gearbox assembly $4,328.92 1 (24 in, BR 600S) usually ships 1-5 days
41b 172-3385 Motor gearbox assembly (OBSOLETE) $2,805.00 1 (26 in, BR 650S) usually ships 1-5 days
41c 172-3386 Motor gearbox assembly $3,366.98 1 (28 in, BR 700S) usually ships 13-18 days
42 172-3396 Hub mount shaft $153.00 2 usually ships 1-5 days
43 272-6073 Forward skirt bracket $20.91 2 (26 in and 28 in, BR 650S and BR 700S) usually ships 1-5 days
45 172-3368 Cotterless hitch pin $48.17 1 usually ships 13-18 days
46 172-3369 Quick disconnect male coupling $69.07 1 (before TSBUS2005-888) usually ships 1-5 days
47a 272-1285 Left skirt assembly $377.34 1 (before TSBUS2004-884) (24 in, 26 in, 28 in, BR 600s, BR 650S, BR 700S) usually ships 13-18 days
47b 272-1285 Left skirt assembly $377.34 1 (after TSBUS2004-884) (24 in, 26 in, 28 in, BR 600s, BR 650S, BR 700S) usually ships 13-18 days
48a 172-3400 Right skirt assembly $353.25 1 (before TSBUS2004-884) (all models) usually ships 13-18 days
48b 172-3400 Right skirt assembly $353.25 1 (after TSBUS2004-884) (all models) usually ships 13-18 days
49 172-3388 Square keyway $12.89 2 (before TSBUS2004-884) usually ships 13-18 days
50a 172-3405 24 inch skirt blade kit gum rubber disk $151.33 1 (before TSBUS2004-884) (24 in) (includes required mounting fastners) usually ships 13-18 days
50b 172-3406 Neoprene 24 disk kit $248.91 1 (before TSBUS2004-884) (24 in) (includes required mounting fastners) usually ships 1-5 days
50c 172-3407 24 inch skirt blade kit gum rubber disk $184.81 1 (before TSBUS2004-884) (24 in) (includes required mounting fastners) usually ships 13-18 days
50d 272-7310 Side blade kit gum rubber $67.56 1 (before TSBUS2004-884) (24 in, 26 in, 28 in) (includes blades for skirt assembly only) usually ships 13-18 days
50e 472-6926 BLADE KIT-DISC RED GUM SD $112.55 1 (before TSBUS2004-884) (24 in, 26 in, 28 in ) (includes blades for skirt assembly only) usually ships 13-18 days
50f 172-3408 26 inch skirt blade kit gum rubber disk $177.07 1 (before TSBUS2004-884) (26 in) (includes required mounting fastners) ships same day
50g 172-3409 Neoprene 26 disk kit $329.45 1 (before TSBUS2004-884)(26 in) (includes required mounting fastners) usually ships 1-5 days
50h 172-3410 26 inch skirt blade kit linatex disk $216.63 1 (before TSBUS2004-884) (26 in) (includes required mounting fastners) usually ships 1-5 days
50i 172-3411 28 inch skirt blade kit gum rubber disk $160.73 1 (before TSBUS2004-884) (28 in) (includes required mounting fastners) usually ships 13-18 days
50j 272-6075 Disk deck blade kit 28 inch polyurethane $473.52 1 (before TSBUS2004-884) (28 in) (includes required mounting fastners) usually ships 13-18 days
50k 172-3413 28 inch skirt blade kit linatex disk $232.99 1 (before TSBUS2004-884) (28 in) (includes required mounting fastners) usually ships 1-5 days
50l 272-1379 24 inch disk gum rubber kit $201.03 1 (after TSBUS2004-884) (24 in) (includes required mounting fastners) usually ships 13-18 days
50m 272-1426 24 inch disk gum rubber kit (red) $249.19 1 (after TSBUS2004-884) (24 in) (includes required mounting fastners) usually ships 1-5 days
50n 272-5430 Scrub deck blade kit gum rubber $85.44 1 (after TSBUS2004-884) (24 in, 26in, 28in) (includes blades for skirt assembly only) usually ships 13-18 days
50o 272-5431 Scrub deck blade kit red gum rubber $146.04 1 (after TSBUS2004-884) (24 in, 26in, 28in) (includes blades for skirt assembly only) ships same day
50p 272-1437 26 inch gum rubber kit $184.81 1 (after TSBUS2004-884) (26 in) (includes required mounting fastners) usually ships 1-5 days
50q 272-1439 26 inch disk gum rubber kit (red) $288.88 1 (after TSBUS2004-884) (26 in) (includes required mounting fastners) usually ships 1-5 days
50r 272-1442 28 inch blade kit gum rubber $131.95 1 (after TSBUS2004-884) (28 in) (includes required mounting fastners) usually ships 13-18 days
50s 272-1444 28 inch disk linatex kit $232.99 1 (after TSBUS2004-884)(28 in) (includes required mounting fastners) usually ships 13-18 days
51 172-3389 Gearbox cover $19.25 2 usually ships 1-5 days
52 181-0125 Vinyl tube $17.17 1 usually ships 1-5 days
53 172-2088 Drive hub (OBSOLETE) $46.00 2 usually ships 13-18 days
54 272-1384 Tee barb $12.89 1 usually ships 13-18 days
55 172-2503 Tank leveler $14.41 2 usually ships 13-18 days
56 172-9010 Solution drain hose $13.78 2 usually ships 13-18 days
57 999-0199 Nut 10-24 nylon insert lock zinc plated $0.99 2 ships same day
58 172-2001 Hair cotter pin $11.35 2 usually ships 13-18 days
N/S 172-8922 Plastic drive nut $20.91 1 usually ships 13-18 days
N/S 172-3388 Square keyway $12.89 2 usually ships 13-18 days
N/S 172-3389 Gearbox cover $19.25 2 usually ships 1-5 days
N/S 172-3390 Gearbox $1,090.84 2 usually ships 1-5 days
N/S 172-3391 Bearing $67.56 1 usually ships 1-5 days
N/S 172-8862 Brush side ball bearing $31.63 1 ships same day
N/S 172-3393 Brush ring $154.53 1 usually ships 1-5 days
N/S 172-3394 Carbon brush (sold individually) $28.94 4 usually ships 13-18 days