| # | Part | Description | Price | Req | Notes | Availability |
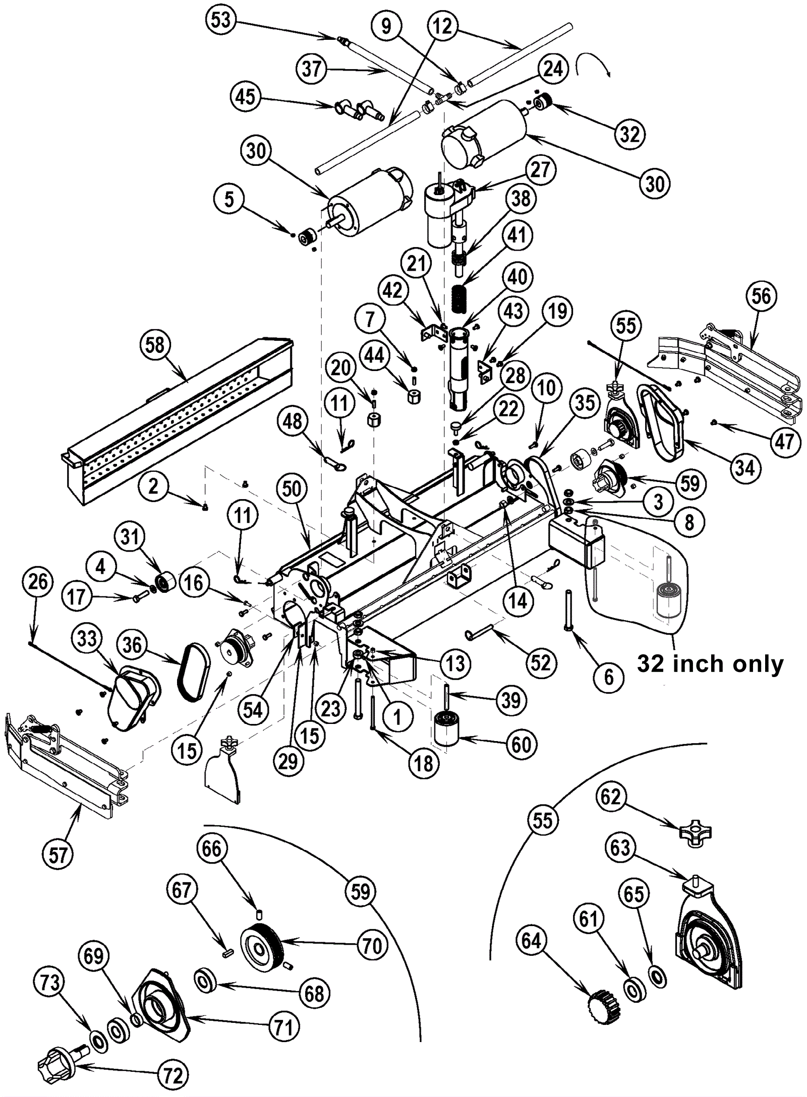
1 |
999-0096
|
Screw 1/4-20 x 1/4 cup point socket set plain finish |
$0.99
|
2 |
|
ships same day |
2 |
272-1562
|
Screw 1/4-20 x 3/5 pan head thread forming |
$11.35
|
2 |
|
ships same day |
3 |
999-0114
|
Washer 1/2 SAE flat |
$0.99
|
2 |
|
ships same day |
4 |
999-0120
|
Washer 3/8 SAE flat |
$0.99
|
4 |
|
ships same day |
5 |
999-0346
|
Screw 5/16-18 x 1/4 set cup point socket alloy plain finish |
$0.99
|
4 |
|
ships same day |
6 |
272-1595
|
Screw 1/2-13 X 4-1/2 hex head |
$11.99
|
2 |
|
usually ships 13-18 days |
7 |
999-0152
|
Nut 1/4-20 nylon insert lock zinc plated |
$0.99
|
2 |
|
ships same day |
8 |
999-0262
|
Nut 1/2-13 nylon insert jam lock zinc plated |
$0.99
|
4 |
|
ships same day |
9 |
997-2004
|
Hose clamp |
$2.15
|
2 |
|
ships same day |
10 |
272-1596
|
Bolt 1/4-20 x 3/4 hex head lock |
$14.41
|
6 |
|
usually ships 1-5 days |
11 |
997-2509
|
Cotter pin 1/8 x 3/4 stainless steel |
$0.99
|
4 |
|
ships same day |
12a |
272-5415
|
28 inch manifold |
$14.41
|
2 |
|
usually ships 13-18 days |
12b |
272-5416
|
32 inch manifold |
$19.25
|
2 |
|
usually ships 1-5 days |
13 |
999-0497
|
Nut M6-1 nylon insert lock stainless steel |
$0.99
|
1 |
|
ships same day |
14 |
999-0960
|
Nut 10-24 hex stainless steel |
$0.99
|
2 |
|
ships same day |
15 |
999-0497
|
Nut M6-1 nylon insert lock stainless steel |
$0.99
|
8 |
|
ships same day |
16 |
999-0507
|
Bolt M6-1 x 16mm hex head full thread plain finish |
$0.99
|
2 |
|
ships same day |
17 |
272-1624
|
Bolt M10-1.5 x 40mm hex |
$14.18
|
2 |
|
usually ships 13-18 days |
18 |
999-1329
|
Screw M6-1 x 100mm hex head |
$2.20
|
1 |
|
ships same day |
19 |
999-0360
|
Screw 1/4-20 x 3/8 hex head thread rolling unslotted |
$0.99
|
2 |
|
ships same day |
20 |
172-0345
|
Terminal stud |
$12.89
|
2 |
|
usually ships 13-18 days |
21 |
999-1129
|
Screw 1/4-20 x 1/2 pan head phillips thread rolling zinc |
$0.99
|
4 |
|
ships same day |
22 |
999-0430
|
Nut 5/16-18 hex jam plain finish |
$0.99
|
4 |
|
ships same day |
23 |
172-8967
|
Collar |
$41.00
|
2 |
|
usually ships 13-18 days |
24 |
172-4114
|
Tee barb |
$12.89
|
1 |
|
usually ships 13-18 days |
26 |
172-9013
|
12 inch wire rope |
$12.89
|
2 |
|
usually ships 13-18 days |
27a |
172-8921
|
Actuator |
$635.35
|
1 |
|
usually ships 13-18 days |
27b |
172-8922
|
Plastic drive nut |
$20.91
|
1 |
|
usually ships 13-18 days |
28 |
172-2503
|
Tank leveler |
$14.41
|
2 |
|
usually ships 13-18 days |
29 |
172-8926
|
Blade |
$12.89
|
2 |
|
ships same day |
30a |
172-9300
|
36V motor |
$1,683.87
|
2 |
|
usually ships 13-18 days |
30b |
172-9301
|
Armature |
$753.78
|
1 |
|
usually ships 13-18 days |
30c |
172-1033
|
F.E. Bearing |
$90.50
|
1 |
|
usually ships 1-5 days |
30d |
172-9303
|
Brush cap assembly (OBSOLETE) |
$387.31
|
1 |
|
usually ships 1-5 days |
30e |
172-9304
|
Carbon brush (sold individually) |
$50.45
|
4 |
|
usually ships 13-18 days |
30f |
172-1816
|
Brush cover cap (OBSOLETE) |
$8.14
|
4 |
|
usually ships 1-5 days |
31 |
172-8927
|
Belt idler |
$48.17
|
2 |
|
usually ships 13-18 days |
32 |
172-8928
|
Poly-v sheave |
$79.22
|
2 |
|
usually ships 13-18 days |
33 |
172-8929
|
Right belt guard |
$41.97
|
1 |
|
usually ships 13-18 days |
34 |
172-8930
|
Left belt guard |
$41.97
|
1 |
|
usually ships 13-18 days |
35 |
172-8931
|
Poly V belt |
$30.60
|
1 |
|
usually ships 10-15 days |
36 |
172-8932
|
Poly-V belt |
$43.48
|
1 |
|
usually ships 13-18 days |
37 |
172-2815
|
Main solution hose |
$15.17
|
1 |
|
usually ships 13-18 days |
38 |
172-8941
|
Compression spring |
$30.60
|
1 |
|
usually ships 13-18 days |
39 |
172-8944
|
Bushing |
$51.96
|
1 |
|
ships same day |
40 |
172-8952
|
Spring housing |
$76.04
|
1 |
|
usually ships 13-18 days |
41 |
172-8953
|
Compression spring |
$37.27
|
1 |
|
usually ships 13-18 days |
42 |
172-8954
|
Nut retainer |
$55.14
|
1 |
|
usually ships 13-18 days |
43 |
172-8955
|
Nut retainer |
$55.14
|
1 |
|
usually ships 13-18 days |
44 |
172-0103
|
Electrical mount |
$14.41
|
2 |
|
usually ships 1-5 days |
45 |
172-8964
|
Terminal insulator |
$14.41
|
2 |
|
usually ships 1-5 days |
47 |
272-1562
|
Screw 1/4-20 x 3/5 pan head thread forming |
$11.35
|
8 |
|
ships same day |
48 |
172-3360
|
Ring pin 1/2 x 1-1/4 |
$7.58
|
2 |
|
usually ships 13-18 days |
50a |
272-5417
|
28 inch housing weldment (OBSOLETE) |
$1,418.71
|
1 |
|
usually ships 13-18 days |
50b |
272-6060
|
32 inch housing weldment |
$1,843.84
|
1 |
|
usually ships 1-5 days |
52 |
172-3368
|
Cotterless hitch pin |
$48.17
|
1 |
|
usually ships 13-18 days |
53 |
172-3369
|
Quick disconnect male coupling |
$69.07
|
1 |
|
usually ships 1-5 days |
54 |
172-0548
|
Washer 17/64 x 47/64 flat stainless steel |
$12.50
|
2 |
|
usually ships 13-18 days |
55 |
172-3373
|
Idler end assembly |
$56.72
|
2 |
(includes 61, 62, 63, 64, 65) |
ships same day |
56 |
272-5419
|
Left skirt assembly |
$401.42
|
1 |
|
usually ships 13-18 days |
57 |
272-5420
|
Right skirt assembly |
$433.22
|
1 |
|
usually ships 13-18 days |
58a |
272-3588
|
Hopper weldment |
$288.88
|
1 |
|
usually ships 13-18 days |
58b |
272-6061
|
32 inch hopper weldment |
$320.69
|
1 |
|
usually ships 13-18 days |
59 |
172-8933
|
Drive end assembly |
$320.69
|
2 |
(includes 66, 67, 68, 69, 70, 71, 72, 73) |
ships same day |
60 |
172-9040
|
Wheel |
$16.20
|
1 |
|
ships same day |
61 |
172-4656
|
Ball bearing |
$10.09
|
1 |
|
ships same day |
62 |
172-2150
|
Knob |
$11.35
|
1 |
|
ships same day |
63 |
272-2170
|
Idler bearing plate |
$28.34
|
1 |
|
usually ships 13-18 days |
64 |
172-1838
|
Hub |
$17.17
|
1 |
|
usually ships 13-18 days |
65 |
172-1837
|
Bearing washer |
$11.35
|
1 |
|
ships same day |
66 |
181-0003
|
Screw 1/4-20 x 1/2 socket set lock |
$12.89
|
2 |
|
usually ships 13-18 days |
67 |
172-8956
|
Square keyway |
$12.89
|
1 |
|
usually ships 13-18 days |
68 |
172-4656
|
Ball bearing |
$10.09
|
2 |
|
ships same day |
69 |
172-8957
|
Spacer |
$14.41
|
1 |
|
usually ships 13-18 days |
70 |
172-8959
|
Poly-v sheave |
$256.89
|
1 |
|
usually ships 13-18 days |
71 |
272-2169
|
Bearing plate |
$17.17
|
1 |
|
ships same day |
72 |
272-9347
|
Spindle |
$15.17
|
1 |
|
ships same day |
73 |
172-1837
|
Bearing washer |
$11.35
|
1 |
|
ships same day |
N/S |
272-1506
|
Medium grit scrubbing brush - 180 grit - CYLINDRICAL |
$392.79
|
1 |
|
usually ships 13-18 days |
N/S |
172-9308
|
Soft nylon brush - CYLINDRICAL (yellow) |
$329.16
|
1 |
|
ships same day |
N/S |
172-3367
|
Brush motor harness |
$84.45
|
1 |
|
usually ships 1-5 days |
N/S |
172-8494
|
#6 hose clamp SAE |
$11.35
|
1 |
|
usually ships 1-5 days |