| # | Part | Description | Price | Req | Notes | Availability |
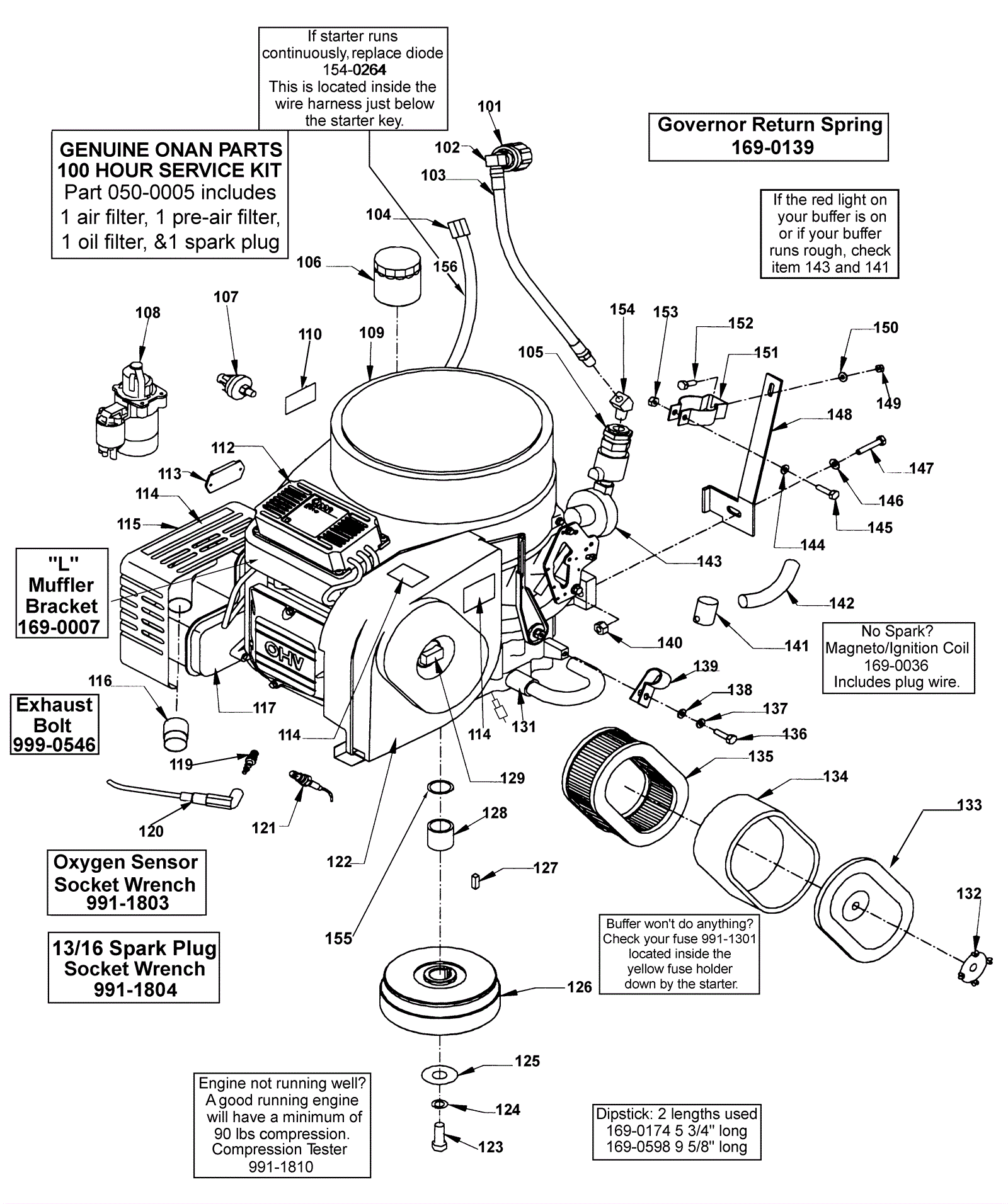
101 |
991-6004
|
Female quick coupler |
$24.89
|
1 |
|
usually ships 39-40 days |
102 |
164-0565
|
90 degree brass elbow |
$9.56
|
1 |
|
usually ships 19-25 days |
103 |
991-6007
|
Propane fuel hose |
$57.71
|
1 |
|
usually ships 11-14 days |
104 |
169-0046
|
Engine wiring harness |
$69.60
|
1 |
|
usually ships 1-5 days |
105a |
169-0072
|
Fuel shutoff valve (OBSOLETE) |
$137.60
|
1 |
|
usually ships 20-32 days |
105b |
169-0048
|
Fuel and sensor system assembly (OBSOLETE) |
$901.67
|
1 |
(includes fuel lock-off, duty solenoid, power supply harness, vapor regulator, control unit and oxygen sensor) |
usually ships 20-32 days |
106a |
169-0049
|
Oil filter |
$29.25
|
1 |
|
usually ships 20-32 days |
106b |
164-0903
|
Oil filter wrench (OBSOLETE) |
$27.89
|
1 |
|
usually ships 1-5 days |
107 |
154-0143
|
Oil pressure switch with 2 prongs |
$66.31
|
1 |
|
usually ships 12-15 days |
108 |
169-0051
|
12V starter |
$567.41
|
1 |
|
usually ships 1-5 days |
109 |
169-0052
|
Dust bonnet |
$21.19
|
1 |
(dust bonnet) |
usually ships 20-32 days |
110 |
164-0907
|
Decal kit (OBSOLETE) |
$38.28
|
1 |
|
usually ships 1-5 days |
112 |
N/A
|
Not available |
Call for price
|
1 |
(LPG control unit) |
usually ships 3-26 days |
113 |
169-0054
|
Voltage regulator |
$93.17
|
1 |
|
usually ships 20-32 days |
114 |
164-0907
|
Decal kit (OBSOLETE) |
$38.28
|
1 |
|
usually ships 1-5 days |
115 |
169-0055
|
Muffler guard |
$87.70
|
1 |
|
usually ships 1-5 days |
116 |
169-0026
|
Spark arrestor |
$32.19
|
1 |
|
usually ships 20-32 days |
117 |
169-0009
|
Catalytic muffler (Onan 14) |
$1,353.74
|
1 |
|
usually ships 1-5 days |
119 |
166-0003
|
Spark plug for propane buffers |
$3.35
|
1 |
|
ships same day |
120 |
169-0058
|
Spark plug boot |
$29.84
|
1 |
|
usually ships 20-32 days |
121 |
991-1601
|
Oxygen sensor 1 wire (OBSOLETE) |
$115.48
|
1 |
|
usually ships 19-25 days |
122 |
169-0060
|
Air cleaner cover |
$2,411.06
|
1 |
|
usually ships 20-32 days |
123 |
999-0022
|
Bolt M10-1.5 x 30mm hex head full thread |
$0.99
|
1 |
|
ships same day |
124 |
999-0671
|
Washer M10 split lock plain finish |
$0.99
|
1 |
|
ships same day |
125 |
999-0035
|
Washer 3/8 x 1 1/2 fender |
$0.99
|
1 |
|
ships same day |
126a |
164-0922
|
Centrifugal clutch (OBSOLETE) |
$509.03
|
1 |
|
usually ships 19-25 days |
127 |
164-0923
|
Square keyway |
$5.28
|
1 |
|
ships same day |
128 |
164-0924
|
Motor shaft collar |
$17.71
|
1 |
|
usually ships 1-5 days |
129 |
169-0021
|
Air cleaner lock nut (OBSOLETE) |
$13.51
|
1 |
|
usually ships 20-32 days |
131 |
154-0042
|
Oil drain valve kit |
$17.53
|
1 |
|
usually ships 9-10 days |
132 |
169-0062
|
Inner cover knob |
$93.94
|
1 |
|
usually ships 1-5 days |
133 |
169-0063
|
Element cover |
$46.32
|
1 |
|
usually ships 1-5 days |
134 |
169-0064
|
Element wrapper |
$18.36
|
1 |
|
usually ships 20-32 days |
135 |
169-0065
|
Air cleaner element |
$32.14
|
1 |
|
usually ships 20-32 days |
136 |
999-0030
|
Bolt 5/16-18 x 5/8 hex head grade 5 zinc plated |
$1.14
|
1 |
|
ships same day |
137 |
999-0028
|
Washer 5/16 split lock plain finish |
$0.99
|
1 |
|
ships same day |
138 |
999-0024
|
Washer 5/16 flat stainless steel |
$1.34
|
1 |
|
ships same day |
139 |
164-0934
|
P clamp |
$5.90
|
1 |
|
usually ships 19-25 days |
140 |
999-0188
|
Nut 3/8-16 nylon insert lock zinc plated |
$0.99
|
1 |
|
ships same day |
141 |
N/A
|
Not available |
Call for price
|
1 |
(Fuel solenoid) |
usually ships 3-26 days |
142 |
169-0067
|
Fuel hose |
$50.49
|
1 |
|
usually ships 1-5 days |
143 |
169-0068
|
Vapor regulator (OBSOLETE) |
$109.97
|
1 |
|
usually ships 20-32 days |
144 |
999-0016
|
Washer 1/4 flat plain finish |
$0.99
|
1 |
|
ships same day |
145 |
999-0297
|
Bolt 1/4-20 x 1 hex head stainless steel |
$2.53
|
1 |
|
ships same day |
146 |
999-0032
|
Washer 3/8 USS flat plain finish |
$2.42
|
1 |
|
ships same day |
147 |
999-0039
|
Bolt 3/8-16 x 1 1/4 hex head grade 5 zinc plated |
$0.99
|
1 |
|
ships same day |
148 |
164-0943
|
Fuel system bracket (OBSOLETE) |
$52.58
|
1 |
|
usually ships 1-5 days |
149 |
999-0015
|
Nut 1/4-20 k-lock zinc plated |
$0.99
|
1 |
|
ships same day |
150 |
999-0016
|
Washer 1/4 flat plain finish |
$0.99
|
1 |
|
ships same day |
151 |
164-0945
|
Fuel system clamp |
$3.23
|
1 |
|
usually ships 1-5 days |
152 |
999-0018
|
Bolt 1/4-20 x 1/2 hex cap grade 5 zinc plated |
$0.99
|
1 |
|
ships same day |
153 |
999-0015
|
Nut 1/4-20 k-lock zinc plated |
$0.99
|
1 |
|
ships same day |
154 |
164-0947
|
45 degree elbow |
$22.32
|
1 |
|
usually ships 19-25 days |
155 |
169-0093
|
Crankshaft lower seal 14 HP |
$23.51
|
1 |
|
usually ships 20-32 days |
156 |
154-0264
|
Silicon rectifier diode |
$34.67
|
1 |
|
usually ships 12-15 days |
N/S |
155-0003
|
Motor oil 10W30 |
$8.31
|
1 |
|
ships same day |
N/S |
169-0007
|
Muffler bracket for 14 HP Onan |
$67.48
|
1 |
|
usually ships 1-5 days |
N/S |
169-0139
|
Governor spring 14 HP (OBSOLETE) |
$12.17
|
1 |
|
usually ships 20-32 days |
N/S |
169-0141
|
Gasket set |
$18.73
|
1 |
|
usually ships 20-32 days |
N/S |
169-0174
|
Dipstick with cap 5-3/4 inch (Onan 14 HP) (OBSOLETE) |
$30.49
|
1 |
|
usually ships 20-32 days |
N/S |
169-0179
|
Vacuum hose |
$7.21
|
1 |
|
usually ships 1-5 days |
N/S |
169-0598
|
Dipstick with cap 9-5/8 inch (Onan 14 HP) (OBSOLETE) |
$90.63
|
1 |
|
usually ships 20-32 days |
N/S |
991-1301
|
30amp glass fuse |
$3.30
|
1 |
|
ships same day |
N/S |
991-1803
|
Oxygen sensor socket |
$26.84
|
1 |
|
usually ships 1-5 days |
N/S |
991-1804
|
13/16 Spark plug wrench with rubber boot & 1/2 drive |
$10.96
|
1 |
|
usually ships 1-5 days |
N/S |
991-1810
|
Compression tester |
$73.24
|
1 |
|
usually ships 12-19 days |
N/S |
991-1832
|
Emission tester |
$814.07
|
1 |
|
ships same day |
N/S |
991-1901
|
Key |
$2.68
|
1 |
|
ships same day |
N/S |
999-0546
|
Screw 5/16-18 x 1 socket head alloy plain finish |
$0.99
|
1 |
|
ships same day |
N/S |
991-4039
|
Spark plug tester |
$29.86
|
1 |
|
usually ships 18-24 days |
KIT |
050-0005
|
Onan 100 hour service kit 14 HP |
$60.15
|
1 |
(includes oil filter, pre-air filter, air filter and spark plug) |
usually ships 3-26 days |