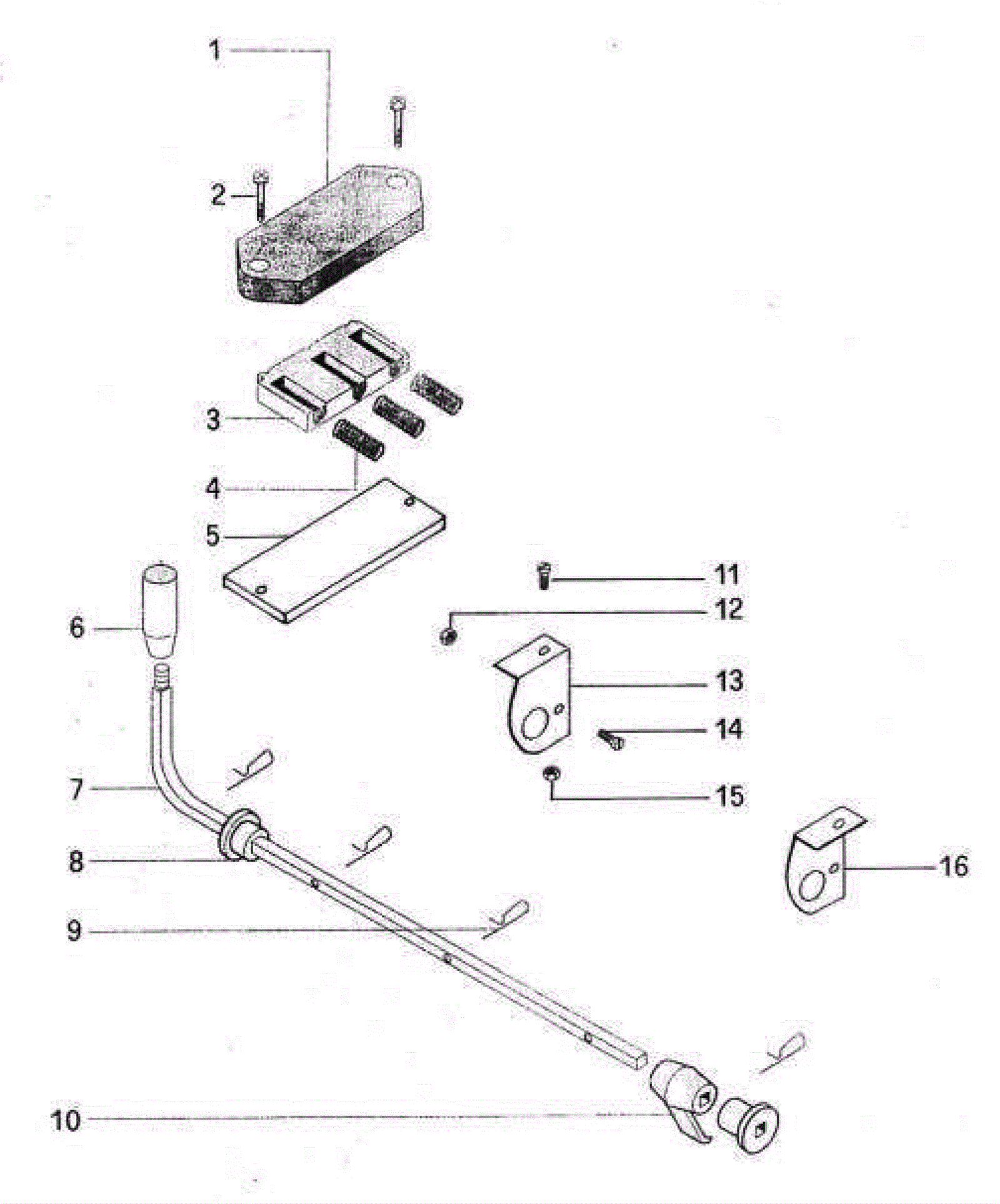
Knob Assembly
Click to enlarge