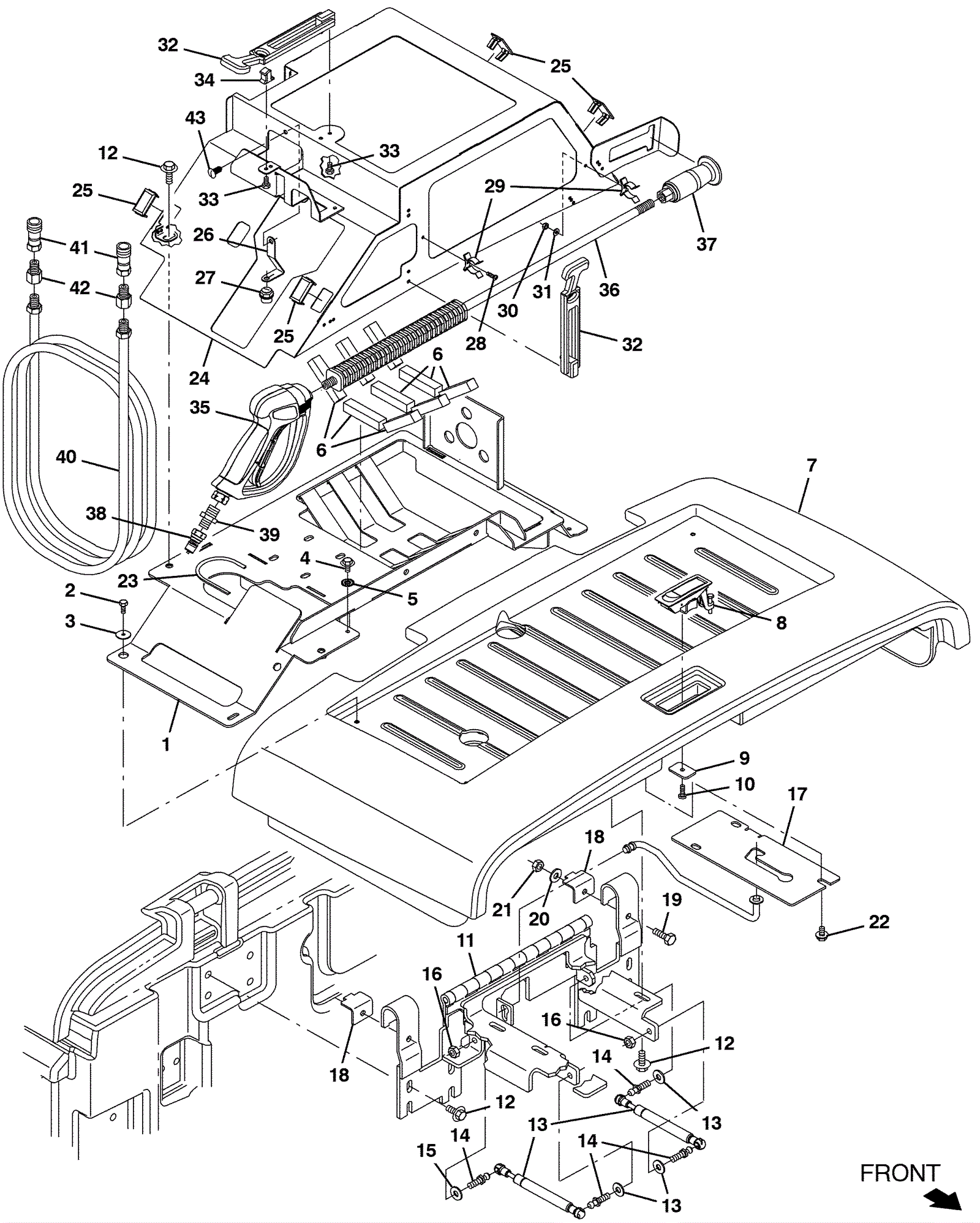
| # | Part | Description | Price | Req | Notes | Availability |
1 |
675-9626
|
BRKT KIT, PRESS WASH, AFMKT [T/M17] (Tennant Industrial) |
$1,098.72
|
1 |
|
usually ships 10-13 days |
2 |
175-0852
|
Bolt 5mm-.8 x 12 hex head |
$5.28
|
4 |
|
usually ships 10-13 days |
3 |
999-0892
|
Washer 1/4 x 1 zinc plated fender |
$0.99
|
1 |
|
ships same day |
4 |
999-0778
|
Screw M6-1 x 10mm hex head |
$0.99
|
1 |
|
ships same day |
5 |
275-0288
|
Washer 1/4 internal-external lock |
$4.36
|
1 |
|
ships same day |
6 |
N/A
|
Not available |
Call for price
|
1 |
(Seal, Rbr, Clsd, 0.63, 0.63, 3.0l) |
usually ships 3-26 days |
7a |
675-9627
|
COVER, BATTERY, PW, DV [T/M17] (Tennant Industrial) |
$3,008.43
|
1 |
|
usually ships 10-13 days |
7b |
675-9628
|
COVER, BATTERY, PW, DV, OHG [T/M17] (Tennant Inustrial) |
$3,085.45
|
1 |
|
usually ships 10-13 days |
8 |
275-0047
|
Latch |
$73.48
|
1 |
|
usually ships 10-13 days |
9 |
475-8758
|
PLATE, LATCH [T17] (Tennant Industrial) |
$5.83
|
1 |
|
usually ships 10-13 days |
10 |
175-5139
|
SCREW, PAN, PHL, M5 X 0.80 X 25, 4.8 (Tennant Industrial) |
$5.67
|
1 |
|
usually ships 1-5 days |
11 |
675-9629
|
HINGE WLDT, COVER, BATTERY (Tennant Industrial) |
$406.91
|
1 |
|
usually ships 10-13 days |
12 |
275-4736
|
Screw M8-1.25 x 20mm hex washer head stainless steel SEMS |
$4.49
|
12 |
|
ships same day |
13 |
675-9630
|
GASSPRING, 90LB, 3.15STRK (Tennant Industrial) |
$80.68
|
2 |
|
usually ships 10-13 days |
14 |
675-9631
|
STUD, BALL, 10MM BALL, M8X1.25 (Tennant Industrial) |
$6.67
|
4 |
|
usually ships 10-13 days |
15 |
999-0024
|
Washer 5/16 flat stainless steel |
$1.34
|
4 |
|
ships same day |
16 |
999-0496
|
Nut M8-1.25 nylon insert lock stainless steel |
$1.34
|
4 |
|
ships same day |
17 |
675-9632
|
PLATE, MTG, COVER (Tennant Industrial) |
$35.67
|
1 |
|
usually ships 10-13 days |
18 |
475-9987
|
BRACKET, RETAIN, HINGE, COVER (Tennant Industrial) |
$12.00
|
2 |
|
usually ships 10-13 days |
19 |
999-0501
|
Bolt M8-1.25 x 25mm hex head full thread stainless steel |
$2.64
|
2 |
|
ships same day |
20 |
999-0355
|
Washer 3/8 x 7/8 SAE flat stainless steel |
$0.99
|
2 |
|
ships same day |
21 |
999-0496
|
Nut M8-1.25 nylon insert lock stainless steel |
$1.34
|
2 |
|
ships same day |
22 |
999-1312
|
Screw M6-1 x 20mm hex head stainless steel |
$0.99
|
3 |
|
ships same day |
23 |
275-8203
|
Molding |
$48.40
|
1 |
|
usually ships 1-5 days |
24 |
675-9633
|
COVER KIT, PRESS WASH, AFMKT [T/M17] (Tennant Industrial) |
$1,745.18
|
1 |
|
usually ships 10-13 days |
25 |
175-9947
|
Cover plate |
$16.06
|
4 |
|
usually ships 1-5 days |
26a |
675-9634
|
PLUG KIT, PRESS WASH, PUMP, AFMKT[T/M17] (Tennant Industrial |
$137.53
|
1 |
(includes 26b and 27) |
usually ships 10-13 days |
26b |
675-9635
|
STRAP, PLUG (Tennant Industrial) |
$7.00
|
1 |
|
usually ships 10-13 days |
27 |
N/A
|
Not available |
Call for price
|
1 |
(Oil plug) |
usually ships 3-26 days |
28 |
175-5310
|
Screw 4 x 45/64 x 16 pan head |
$4.36
|
2 |
|
usually ships 1-5 days |
29 |
275-5545
|
Finger grip clip (Tennant Industrial) |
$7.50
|
2 |
|
usually ships 1-5 days |
30 |
999-0954
|
Nut M4-.7 nylon insert lock stainless steel |
$0.99
|
2 |
|
ships same day |
31 |
999-0266
|
Washer #8 SAE flat stainless steel |
$0.99
|
2 |
|
ships same day |
32 |
675-9636
|
LATCH, DRAW (Tennant Industrial) |
$32.84
|
1 |
|
usually ships 10-13 days |
33 |
175-0837
|
Bolt M5-.8 x 16mm hex head |
$3.30
|
3 |
|
usually ships 1-5 days |
34 |
675-9637
|
KEEPER, LATCH, DRAW (Tennant Inudstrial) |
$5.67
|
1 |
|
usually ships 10-13 days |
35a |
675-9638
|
WAND KIT, PRESS WASH, AFMKT [T/M17] (Tennant Industrial) |
$535.77
|
1 |
(includes 35b-39) |
usually ships 10-13 days |
35b |
375-1068
|
Gun trigger handle (Tennant Industrial) |
$205.21
|
1 |
|
usually ships 10-13 days |
36 |
375-1069
|
Stainless steel wand (Tennant Industrial) |
$133.36
|
1 |
|
usually ships 10-13 days |
37 |
675-9639
|
NOZZLE, PRESS WASHER (Tennant Industrial) |
$72.35
|
1 |
|
usually ships 10-13 days |
38 |
375-1071
|
Stainless steel fitting (Tennant Industrial) |
$84.52
|
1 |
|
usually ships 10-13 days |
39 |
375-1070
|
Brass fitting (Tennant Industrial) |
$11.17
|
1 |
|
usually ships 10-13 days |
40a |
675-9640
|
HOSE KIT, PRESS WASH, AFMKT [T/M17] (Tennant Industrial) |
$620.12
|
1 |
(includes 40b-42) |
usually ships 10-13 days |
40b |
375-1066
|
25 foot rubber hose (Tennant Industrial) |
$205.37
|
1 |
|
usually ships 10-13 days |
41 |
375-1067
|
Stainless steel fitting (Tennant Industrial) |
$258.39
|
2 |
|
usually ships 10-13 days |
42 |
375-0463
|
Brass fitting (Tennant Industrial) |
$11.17
|
2 |
|
usually ships 10-13 days |
43 |
175-5943
|
CLIP, SNAP-IN, 0.25H 0.80L, BLK NYL (Tennant Industrial) |
$5.33
|
1 |
|
usually ships 10-13 days |