M17
Wiring Harness - 2
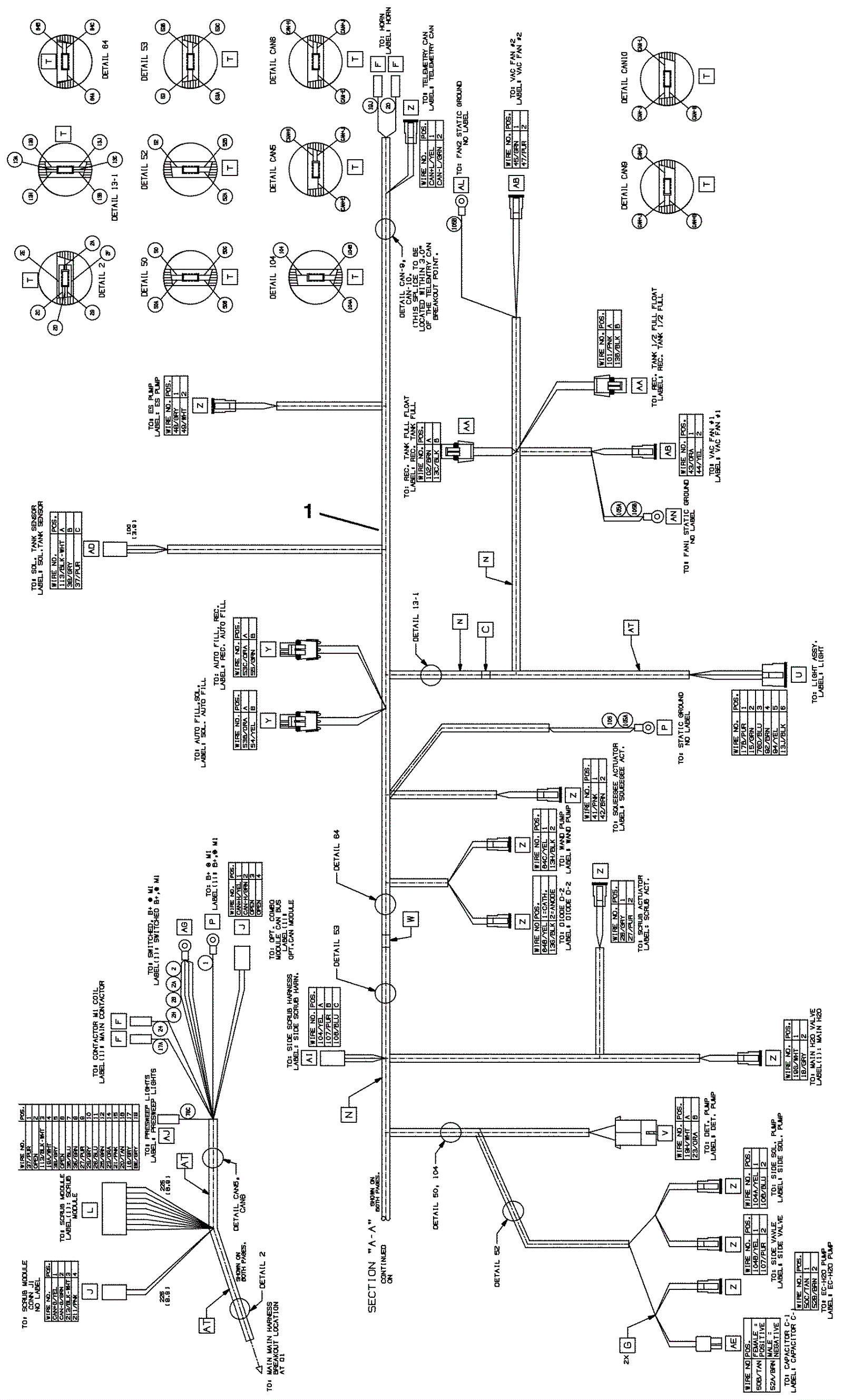
Click to enlarge
#
Part
Description
Price
Req
Notes
Availability
1
675-9592
HARNESS, ELE, MAIN [M17/T17] (Tennant Industrial)
$1,638.16
1
(before SN 012000)
usually ships 10-13 days