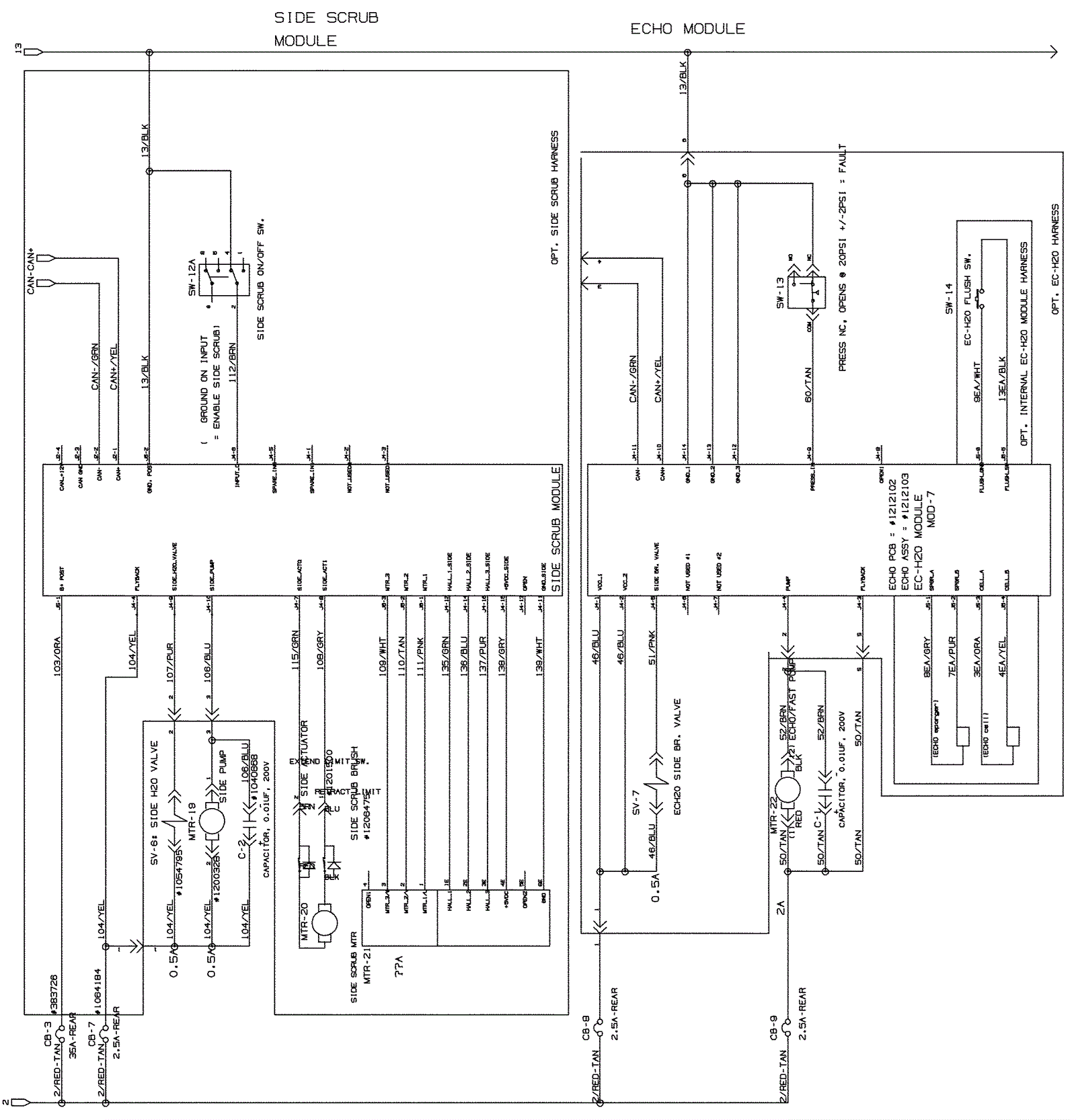
Electrical Schematic - (After SN 011999) - 5
Click to enlarge