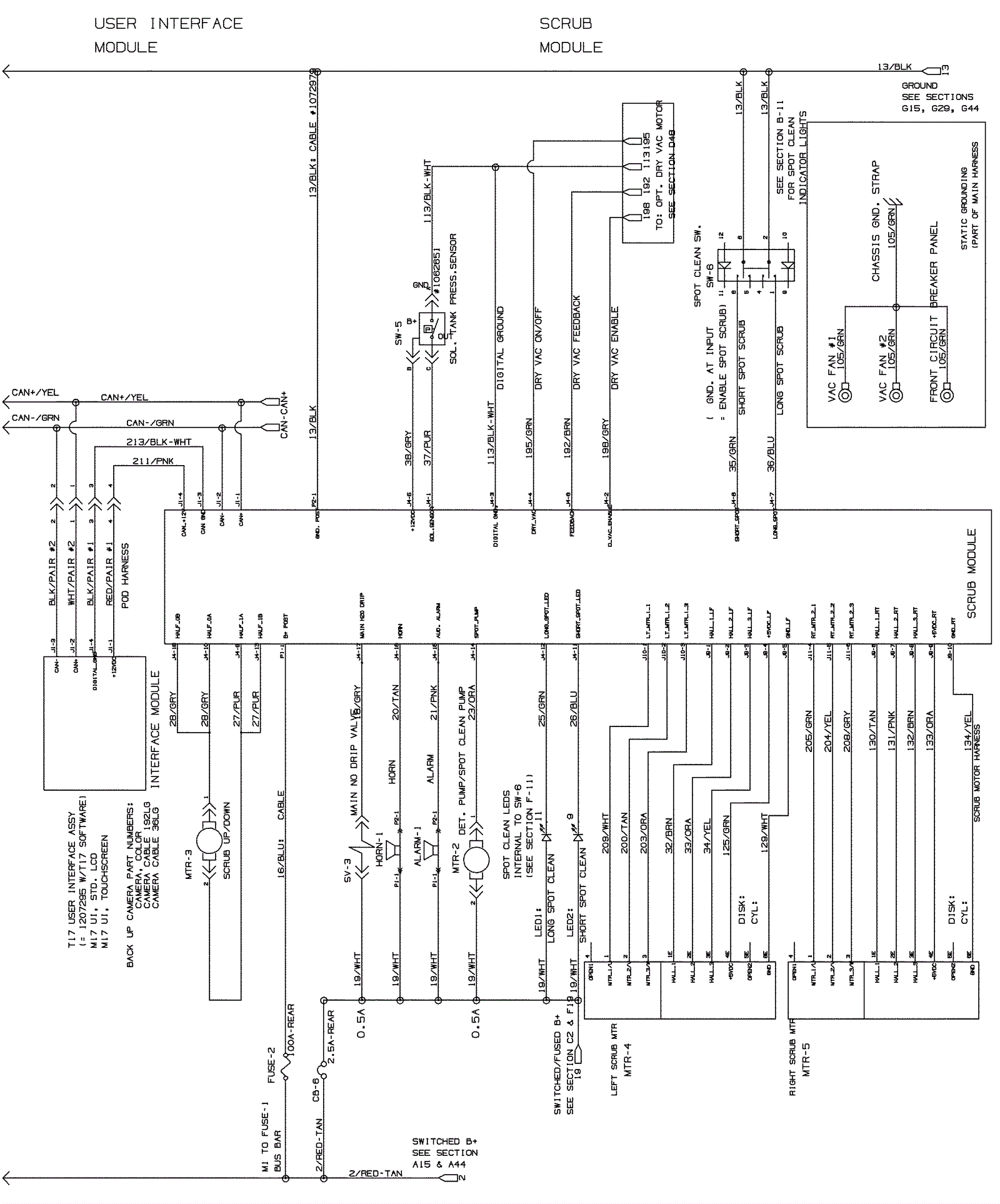
Electrical Schematic - (After SN 011999) - 2
Click to enlarge