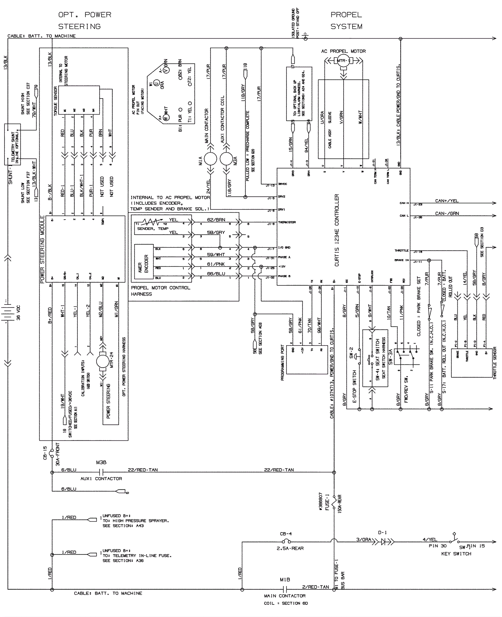
Electrical Schematic - (Between 011000-011999) - 1
Click to enlarge