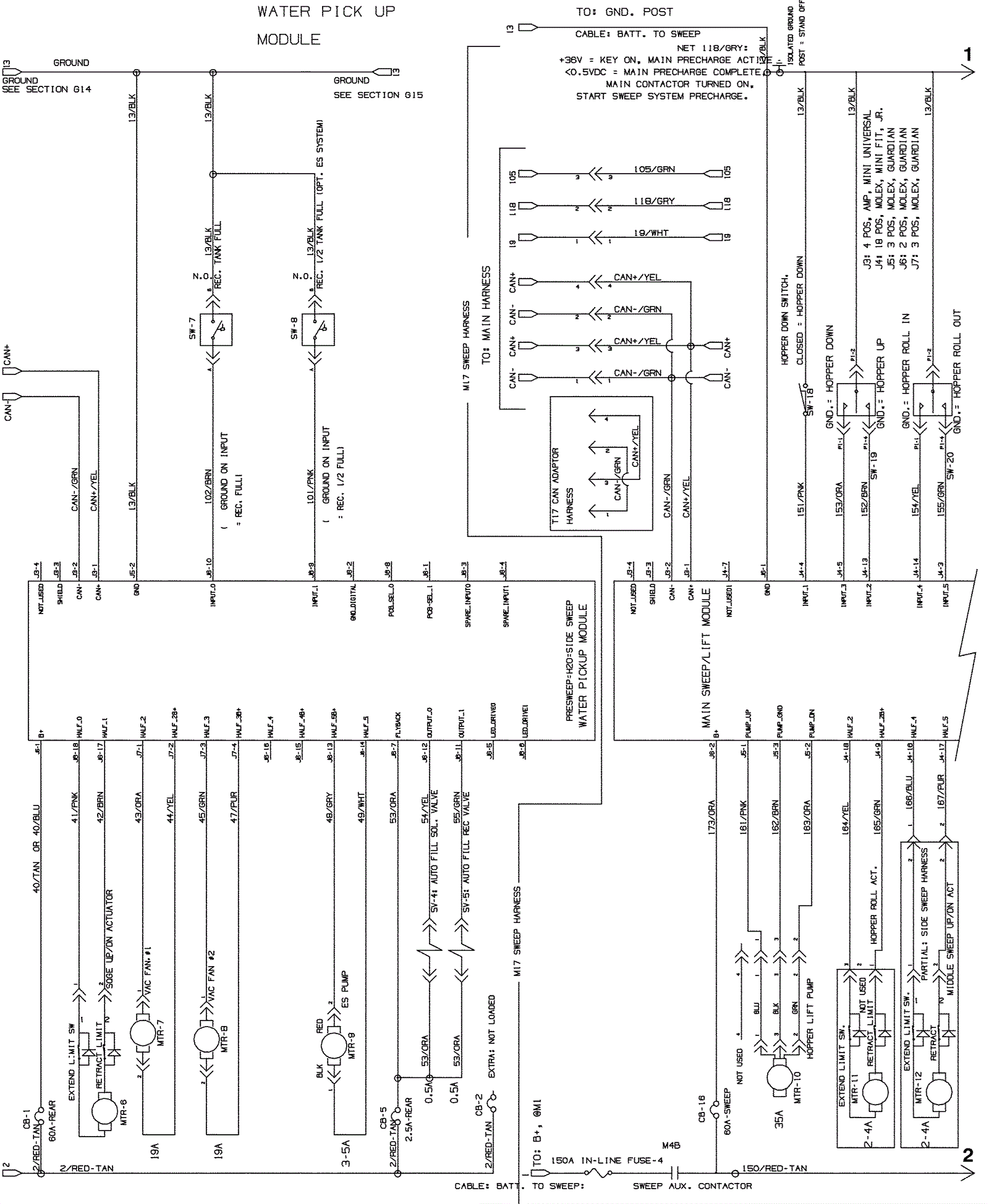
Electrical Schematic - (Before SN 011000) - 3
Click to enlarge