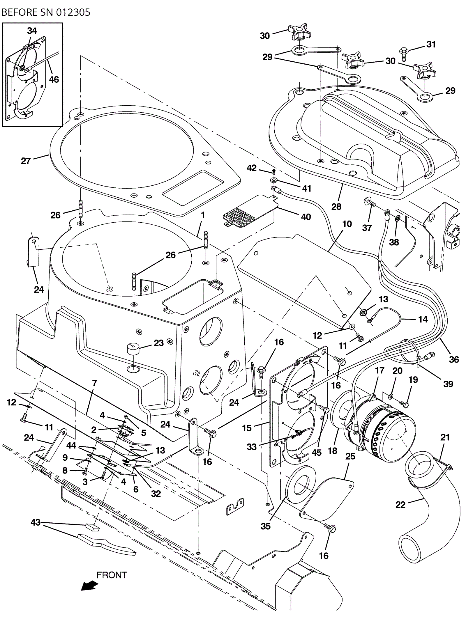
| # | Part | Description | Price | Req | Notes | Availability |
1 |
N/A
|
Not available |
Call for price
|
1 |
(Filterbox, Hg, Trimmed) |
usually ships 3-26 days |
2a |
575-8090
|
SWITCH KIT, THERMAL, AFMKT [M17] (Tennant Industrial) |
$110.19
|
1 |
(includes 2b-5) |
usually ships 10-13 days |
2b |
175-7132
|
Thermostat switch |
$28.38
|
1 |
|
ships same day |
3 |
175-5310
|
Screw 4 x 45/64 x 16 pan head |
$4.36
|
2 |
|
usually ships 1-5 days |
4 |
999-0412
|
Washer #8 SAE flat |
$0.99
|
3 |
|
ships same day |
5 |
999-0954
|
Nut M4-.7 nylon insert lock stainless steel |
$0.99
|
2 |
|
ships same day |
6 |
575-0450
|
PLATE, MTG, SWITCH (Tennant Industrial) |
$14.67
|
1 |
|
usually ships 10-13 days |
7 |
575-4553
|
PLATE WLDT, DEFLECTOR (Tennant Industrial) |
$34.74
|
1 |
|
usually ships 10-13 days |
8 |
999-1220
|
Screw M5-.8 x 12mm hex head stainless steel |
$0.99
|
2 |
|
ships same day |
9 |
999-0998
|
Washer #10 flat stainless steel |
$0.99
|
2 |
|
ships same day |
10 |
575-2444
|
PANEL, FILTERBOX (Tennant Industrial) |
$32.84
|
1 |
|
usually ships 10-13 days |
11 |
999-9116
|
Screw M6-1 x 12mm hex head stainless steel |
$0.99
|
6 |
|
ships same day |
12 |
999-0335
|
Washer 1/4 x 5/8 SAE flat stainless steel |
$0.99
|
6 |
|
ships same day |
13 |
275-0288
|
Washer 1/4 internal-external lock |
$4.36
|
2 |
|
ships same day |
14 |
575-0494
|
WIRE, 10GA, 15.0L, GRN [M6 RING,M6 RING] (Tennant Industrial |
$16.17
|
1 |
|
usually ships 10-13 days |
15a |
675-0143
|
BRACKET WLDT, FLTR, ZINC PLATED (Tennant Industrial) |
$271.72
|
1 |
(before SN 012305) |
usually ships 10-13 days |
15b |
675-4653
|
CHANNEL WLDT, MTG, FAN, ZINC PLATED (Tennant Industrial) |
$40.01
|
1 |
(after SN 012304) |
usually ships 10-13 days |
16 |
275-4736
|
Screw M8-1.25 x 20mm hex washer head stainless steel SEMS |
$4.49
|
13 |
|
ships same day |
17a |
675-7821
|
FAN KIT, VACUUM, AFMKT [M17] (Tennant Industrial) |
$2,280.29
|
1 |
(includes 17b-22) |
usually ships 10-13 days |
17b |
675-7782
|
FAN, VACUUM, 5.7D, 036VDC, 1 STAGE (Tennant Industrial) |
$2,225.95
|
1 |
|
usually ships 10-13 days |
18 |
475-8899
|
SEAL, RBR, CLSD, 0.31, 4.5D 02.4H (Tennant Industrial) |
$6.33
|
1 |
|
usually ships 10-13 days |
19 |
999-1312
|
Screw M6-1 x 20mm hex head stainless steel |
$0.99
|
3 |
|
ships same day |
20 |
999-0016
|
Washer 1/4 flat plain finish |
$0.99
|
3 |
|
ships same day |
21 |
275-0080
|
TIE, CABLE, NYL, 15.3L . W 4.5 MAX D (Tennant Industrial) |
$5.67
|
1 |
|
usually ships 1-5 days |
22 |
675-2607
|
MUFFLER, VACFAN, 2.50 ID X 25.0 OAL (Tennant Industrial) |
$332.57
|
1 |
|
usually ships 10-13 days |
23 |
475-8058
|
SEAL, FOAM (Tennant Industrial) |
$4.50
|
1 |
|
usually ships 10-13 days |
24 |
575-1066
|
ANGLE, MTG, FILTERBOX (Tennant Industrial) |
$21.17
|
4 |
|
usually ships 10-13 days |
25 |
575-1379
|
PLATE, SEAL, FAN (Tennant Industrial) |
$23.34
|
1 |
|
usually ships 10-13 days |
26 |
475-9257
|
STUD, M8 X 1.25 X 50 LG (Tennant Industrial) |
$7.83
|
3 |
|
usually ships 10-13 days |
27 |
575-2819
|
GASKET, COVER, FLTR (Tennant Industrial) |
$34.84
|
1 |
|
usually ships 10-13 days |
28 |
N/A
|
Not available |
Call for price
|
3 |
|
usually ships 3-26 days |
29a |
575-7050
|
LATCH KIT, FILTERBOX, AFMKT [M17] (Tennant Industrial) |
$90.68
|
1 |
(includes 29b-31) |
usually ships 10-13 days |
29b |
475-9143
|
STRAP, RBR (Tennant Industrial) |
$6.67
|
3 |
|
usually ships 10-13 days |
30 |
375-4485
|
Star knob |
$18.04
|
3 |
|
usually ships 10-13 days |
31 |
275-9575
|
SCREW, HEX, M8 X 1.25 X 25, 9.8, SEMS (Tennant Industrial) |
$4.17
|
3 |
|
ships same day |
32 |
999-1026
|
Washer #10 internal lock stainless steel |
$0.99
|
3 |
|
ships same day |
33 |
275-5197
|
Fir tree clip |
$2.38
|
1 |
|
usually ships 10-13 days |
34 |
175-2893
|
Washer 5/16 internal/external locking |
$4.49
|
1 |
(before SN 012305) |
usually ships 10-13 days |
35 |
475-8899
|
SEAL, RBR, CLSD, 0.31, 4.5D 02.4H (Tennant Industrial) |
$6.33
|
1 |
|
usually ships 10-13 days |
36a |
575-8069
|
HARNESS KIT, VAC FAN, AFMKT [STATIC GND] (Tennant Industrial |
$117.69
|
1 |
(includes 36b-42) |
usually ships 10-13 days |
36b |
575-4756
|
HARNESS, ELE [STATIC GND., M17] (Tennant Industrial) |
$71.85
|
1 |
(after SN 012304) |
usually ships 10-13 days |
37 |
999-9092
|
Screw M8-1.25 x 20mm hex head stainless steel |
$2.79
|
1 |
|
ships same day |
38 |
175-2893
|
Washer 5/16 internal/external locking |
$4.49
|
1 |
|
usually ships 10-13 days |
39 |
375-3863
|
Cable tie (Tennant Industrial) |
$5.50
|
1 |
|
usually ships 10-13 days |
40 |
575-1722
|
PLATE, GUARD, FAN (Tennant Industrial) |
$26.51
|
1 |
|
usually ships 10-13 days |
41 |
999-0412
|
Washer #8 SAE flat |
$0.99
|
2 |
|
ships same day |
42 |
999-0501
|
Bolt M8-1.25 x 25mm hex head full thread stainless steel |
$2.64
|
1 |
|
ships same day |
43 |
575-4444
|
GASKET, FILTERBOX, THERMAL SWITCH (Tennant Industrial) |
$50.68
|
1 |
|
usually ships 10-13 days |
44 |
175-2893
|
Washer 5/16 internal/external locking |
$4.49
|
2 |
|
usually ships 10-13 days |
45 |
999-1312
|
Screw M6-1 x 20mm hex head stainless steel |
$0.99
|
1 |
(after SN 012304) |
ships same day |
46 |
575-4756
|
HARNESS, ELE [STATIC GND., M17] (Tennant Industrial) |
$71.85
|
1 |
(before SN 012305) |
usually ships 10-13 days |