| # | Part | Description | Price | Req | Notes | Availability |
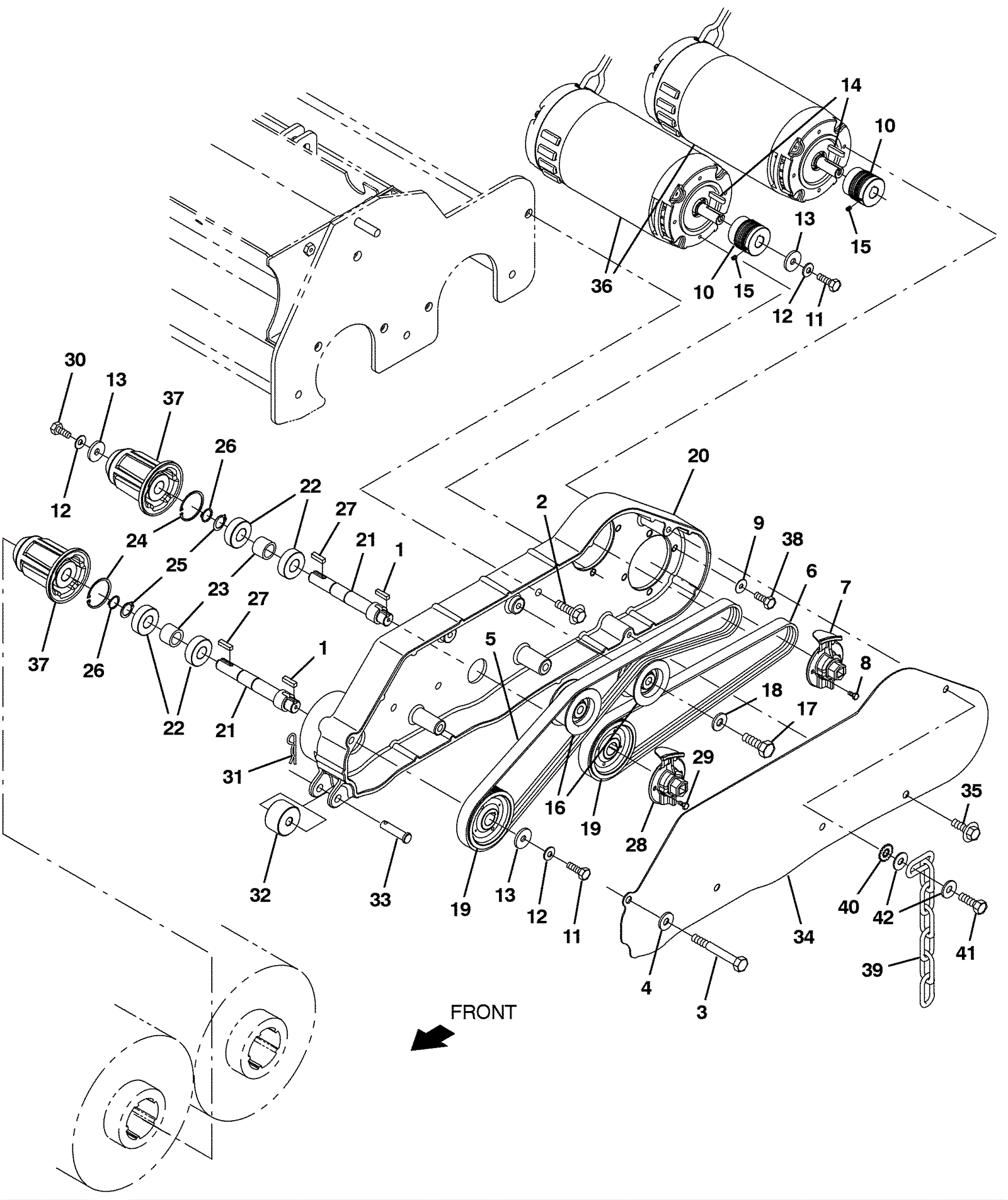
1 |
175-8818
|
Square keyway |
$4.49
|
2 |
|
usually ships 10-13 days |
2 |
999-0785
|
Screw M8-1.25 x 30mm hex head stainless steel |
$2.24
|
3 |
|
ships same day |
3 |
175-7120
|
Screw M8 x 1.25 x 50mm hex |
$5.28
|
1 |
|
usually ships 10-13 days |
4 |
999-0355
|
Washer 3/8 x 7/8 SAE flat stainless steel |
$0.99
|
1 |
|
ships same day |
5a |
675-1156
|
BELT KIT, SWP, AFMKT [M17] (Tennant Industrial) |
$216.04
|
1 |
(includes 5b-8) |
usually ships 10-13 days |
5b |
575-5819
|
BELT, RIBBED, 40.5L [PJ07] (Tennant Industrial) |
$65.85
|
1 |
|
usually ships 10-13 days |
6 |
575-4521
|
BELT, RIBBED, 29.8L [PJ07] (Tennant Industrial) |
$48.84
|
1 |
|
usually ships 10-13 days |
7 |
575-6118
|
TOOL, INSTALLATION, BELT [LIGHTING] (Tennant Industrial) |
$78.52
|
1 |
|
usually ships 10-13 days |
8 |
999-0521
|
Screw M4-.7 x 12mm pan head phillips zinc |
$2.31
|
2 |
|
ships same day |
9 |
999-0335
|
Washer 1/4 x 5/8 SAE flat stainless steel |
$0.99
|
8 |
|
ships same day |
10 |
575-5642
|
SHEAVE, 07GRV, 1.53PD 0.56B [PJ] (Tennant Industrial) |
$64.68
|
2 |
|
usually ships 10-13 days |
11 |
999-0518
|
Bolt M6-1 x 25mm hex head full thread zinc |
$0.99
|
4 |
|
ships same day |
12 |
275-0092
|
Washer 1/4 flat belleville |
$4.36
|
4 |
|
usually ships 10-13 days |
13 |
175-7920
|
Washer M8 flat stainless steel |
$4.49
|
4 |
|
ships same day |
14 |
275-1468
|
Square keyway |
$5.28
|
2 |
|
usually ships 10-13 days |
15 |
999-0431
|
Screw 8-32 x 1/4 set socket cup point alloy plain finish |
$0.99
|
2 |
|
ships same day |
16 |
575-2607
|
PULLEY ASSY, IDLER (Tennant Industrial) |
$30.34
|
2 |
|
usually ships 10-13 days |
17 |
999-0039
|
Bolt 3/8-16 x 1 1/4 hex head grade 5 zinc plated |
$0.99
|
2 |
|
ships same day |
18 |
999-0024
|
Washer 5/16 flat stainless steel |
$1.34
|
4 |
|
ships same day |
19 |
575-4055
|
SHEAVE, 07GRV, 2.96PD 0.63B [PJ] (Tennant Industrial) |
$43.18
|
2 |
|
usually ships 10-13 days |
20a |
675-6384
|
DRIVE KIT, SWP, AFMKT [M17] (Tennant Industrial) |
$1,093.55
|
1 |
(includes 20b-29) |
usually ships 10-13 days |
20b |
675-3116
|
PLATE, DRIVE, BRUSH, MAIN, MACH (Tennant Industrial) |
$394.08
|
1 |
|
usually ships 10-13 days |
21 |
675-2880
|
SHAFT, DRIVE, MAIN SWEEP (Tennant Industrial) |
$370.74
|
2 |
|
usually ships 10-13 days |
22 |
175-9094
|
Ball bearing |
$16.06
|
4 |
|
usually ships 10-13 days |
23 |
575-1605
|
SPACER, BRG (Tennant Industrial) |
$21.00
|
2 |
|
usually ships 10-13 days |
24 |
175-9098
|
Basic retaining ring (Tennant Industrial) |
$5.50
|
2 |
|
usually ships 10-13 days |
25 |
275-1732
|
Retaining ring (Tennant Industrial) |
$4.17
|
2 |
|
usually ships 1-5 days |
26 |
175-2472
|
Retaining ring |
$3.30
|
2 |
|
usually ships 10-13 days |
27 |
175-8818
|
Square keyway |
$4.49
|
2 |
|
usually ships 10-13 days |
28 |
575-6118
|
TOOL, INSTALLATION, BELT [LIGHTING] (Tennant Industrial) |
$78.52
|
1 |
|
usually ships 10-13 days |
29 |
999-0521
|
Screw M4-.7 x 12mm pan head phillips zinc |
$2.31
|
2 |
|
ships same day |
30 |
999-0507
|
Bolt M6-1 x 16mm hex head full thread plain finish |
$0.99
|
2 |
|
ships same day |
31 |
175-2117
|
Cotter pin |
$5.28
|
1 |
|
usually ships 10-13 days |
32 |
575-3329
|
WHEEL, 01.5D 0.88W 0.39B [UHMW] (Tennant Industrial) |
$38.01
|
1 |
|
usually ships 10-13 days |
33 |
175-2592
|
Clevis Pin 0.37 D X 1.75 L |
$5.28
|
1 |
|
ships same day |
34 |
575-3134
|
COVER, BELT, DRIVE, SWP (Tennant Industrial) |
$38.17
|
1 |
|
usually ships 10-13 days |
35 |
275-4736
|
Screw M8-1.25 x 20mm hex washer head stainless steel SEMS |
$4.49
|
2 |
|
ships same day |
36 |
275-7662
|
36V 22Ah electric motor |
$860.42
|
2 |
|
ships same day |
37 |
275-0098
|
PLUG, DRIVE, BRUSH, NYL (Tennant Industrial) |
$32.51
|
2 |
|
usually ships 10-13 days |
38 |
999-0507
|
Bolt M6-1 x 16mm hex head full thread plain finish |
$0.99
|
8 |
|
ships same day |
39 |
175-2094
|
Chain |
$8.25
|
1 |
|
usually ships 10-13 days |
40 |
175-2893
|
Washer 5/16 internal/external locking |
$4.49
|
1 |
|
usually ships 10-13 days |
41 |
999-0501
|
Bolt M8-1.25 x 25mm hex head full thread stainless steel |
$2.64
|
1 |
|
ships same day |
42 |
999-0355
|
Washer 3/8 x 7/8 SAE flat stainless steel |
$0.99
|
2 |
|
ships same day |