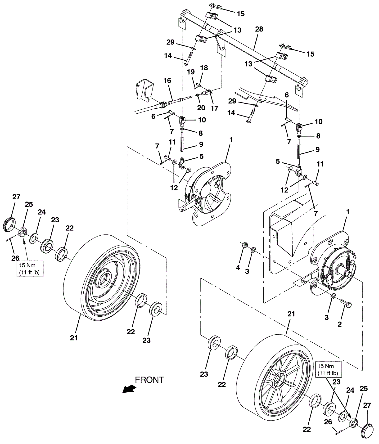
| # | Part | Description | Price | Req | Notes | Availability |
1a |
175-0642
|
BRAKE ASSY, DRUM, MECH, 07.9D [6600]] (Tennant Industrial) |
$999.53
|
|
(includes 1b-1e) |
usually ships 1-5 days |
1b |
175-0643
|
SHOE SET, BRAKE [1PICK=1PKG] (Tennant Industrial) |
$173.70
|
|
|
usually ships 1-5 days |
1c |
175-0644
|
VR, BRAKE KIT, REPAIR (Tennant Industrial) |
$195.87
|
|
(includes 1d) |
usually ships 10-13 days |
1d |
175-0645
|
SHAFT (Tennant Industrial) |
$183.70
|
|
|
usually ships 1-5 days |
1e |
175-0646
|
SPRING (Tennant Industrial) |
$9.84
|
|
|
usually ships 1-5 days |
2 |
175-0647
|
SCREW, HEX, M12 X 1.75 X 40, 8.8 (Tennant Industrial) |
$6.67
|
|
|
usually ships 1-5 days |
3 |
999-0114
|
Washer 1/2 SAE flat |
$0.99
|
|
|
ships same day |
4 |
999-0519
|
Nut M12-1.75 nylon insert lock stainless steel |
$3.85
|
|
|
ships same day |
5a |
675-1507
|
BRAKE ROD KIT, AFMKT [T17] (Tennant Industrial) |
$263.05
|
|
(includes 5b-12) |
usually ships 10-13 days |
5b |
275-7961
|
Clevis pin (Tennant Industrial) |
$42.34
|
|
|
usually ships 1-5 days |
6 |
202-3501
|
Ring pin |
$23.43
|
|
|
usually ships 8-13 days |
7 |
175-3281
|
Cotter pin |
$3.30
|
|
|
usually ships 10-13 days |
8 |
999-0763
|
Nut 5/16-24 hex jam plain finish |
$0.99
|
|
|
ships same day |
9 |
575-3522
|
ROD, HEX, THD .31-24, 2-ENDED (Tennant Industrial) |
$41.84
|
|
|
usually ships 10-13 days |
10 |
275-7962
|
Left hand clevis pin (Tennant Industrial) |
$42.34
|
|
|
usually ships 1-5 days |
11 |
175-1513
|
Clevis pin |
$5.28
|
|
|
usually ships 10-13 days |
12 |
999-0024
|
Washer 5/16 flat stainless steel |
$1.34
|
|
|
ships same day |
13 |
175-6807
|
BEARING, SPLIT, 1.00B (Tennant Industrial) |
$12.17
|
|
|
usually ships 10-13 days |
14 |
275-0444
|
SCREW, HEX, M8 X 1.25 X 90, 8.8 (Tennant Industrial) |
$6.67
|
|
|
usually ships 10-13 days |
15 |
575-1518
|
PLATE WLDT, BEARING CLAMP (Tennant Industrial) |
$24.34
|
|
|
usually ships 10-13 days |
16 |
675-0052
|
CABLE, PUSH / PULL, 052.6L .25-28/.25-28 (Tennant Industrial |
$162.53
|
|
|
usually ships 10-13 days |
17 |
275-8412
|
CLEVIS, ADJ, 0.25PIN, 0.25-28 RH, PL (Tennant Industrial) |
$15.67
|
|
|
usually ships 1-5 days |
18 |
175-8738
|
Clevis pin |
$5.28
|
|
|
usually ships 10-13 days |
19 |
175-2361
|
Cotter pin |
$3.30
|
|
|
ships same day |
20 |
999-0718
|
Nut 1/4-28 hex jam zinc plated |
$0.99
|
|
|
ships same day |
21a |
675-7470
|
TIRE ASSY, REAR, STD (1) [T17] (Tennant Industrial) |
$1,765.35
|
|
(includes 21b and 22-27) |
usually ships 10-13 days |
21b |
675-7039
|
TIRE, SOLID, 15.0 X 5.0, POLY, STD (Tennant Industrial) |
$1,411.12
|
|
|
usually ships 10-13 days |
21c |
675-8084
|
TIRE ASSY, REAR, HIGH TRACTION (1) [T17] (Tennant Industrial |
$2,580.52
|
|
(includes 21d and 22-27) |
usually ships 10-13 days |
21d |
675-9558
|
High traction tire (Tennant Industrial) |
$1,247.42
|
|
|
usually ships 10-13 days |
22a |
675-2938
|
WHEEL BEARING KIT, REAR, AFMKT [T17] (Tennant Industrial) |
$335.23
|
|
(includes 22b-27) |
usually ships 10-13 days |
22b |
175-0636
|
BEARING, CUP, 2.56D 0.55W (Tennant Industrial) |
$19.17
|
|
|
usually ships 10-13 days |
23 |
175-0638
|
BEARING, CONE, 1.38B 0.71W (Tennant Industrial) |
$76.35
|
|
|
usually ships 10-13 days |
24 |
175-0639
|
WASHER, FLAT, 1.00, SAE (Tennant Industrial) |
$6.67
|
|
|
usually ships 1-5 days |
25 |
175-0640
|
NUT, HEX, SLTD, 1.00-20 (Tennant Industrial) |
$19.50
|
|
|
usually ships 1-5 days |
26 |
375-0692
|
Cotter pin (Tennant Industrial) |
$5.67
|
|
|
usually ships 1-5 days |
27 |
175-0641
|
CAP, HUB, DUST, 2.57D 0.77L (Tennant Industrial) |
$22.34
|
|
|
usually ships 1-5 days |
28 |
675-3845
|
SHAFT WLDT, BRAKE (Tennant Industrial) |
$478.93
|
|
|
usually ships 10-13 days |
29 |
999-0549
|
Washer 5/16 x 3/4 SAE flat stainless steel |
$0.99
|
|
|
ships same day |