| # | Part | Description | Price | Req | Notes | Availability |
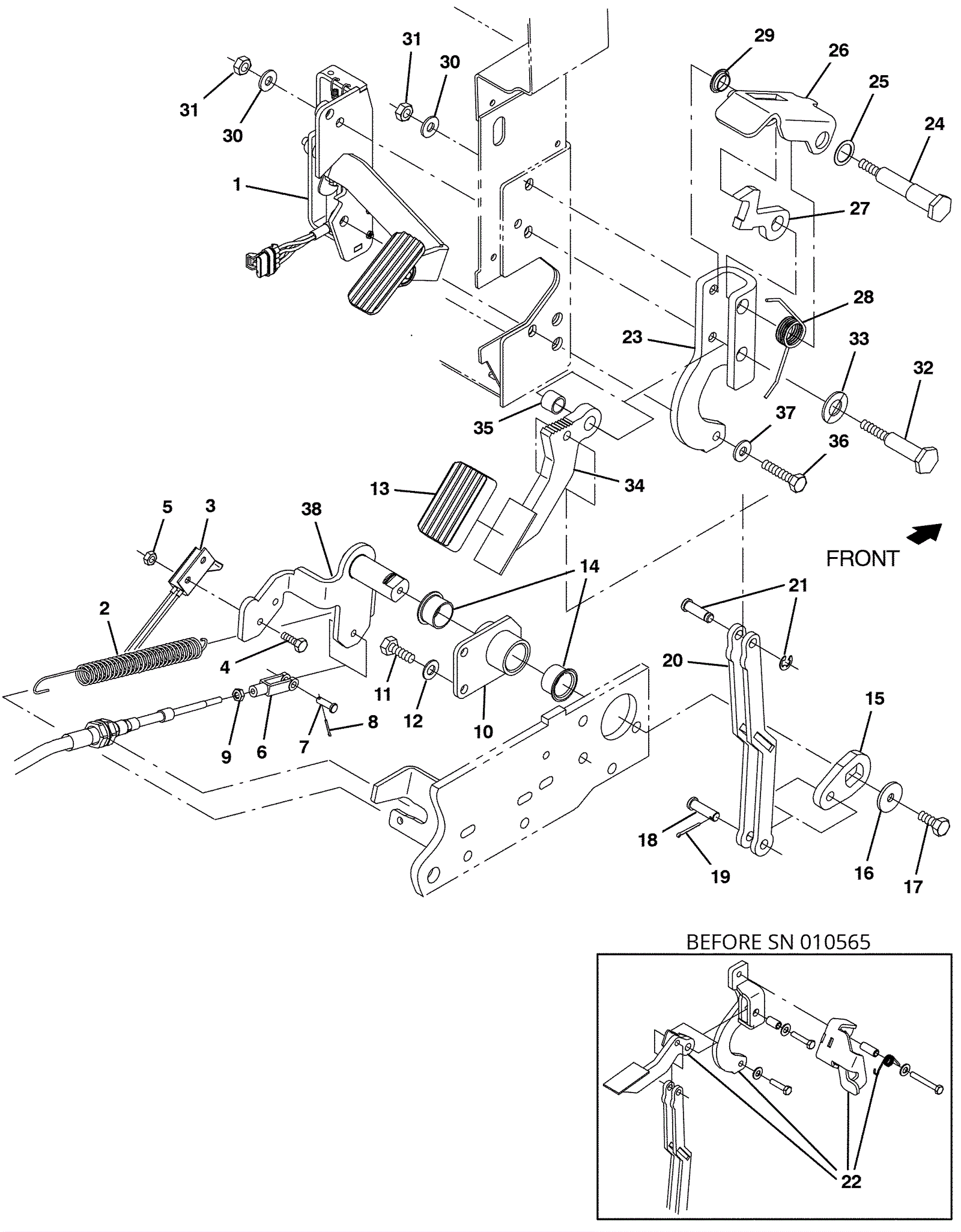
1 |
675-5824
|
PEDAL ASSY, ACCELERATOR, W/O BRAKE [T17] (Tennant Industrial |
$918.18
|
1 |
|
usually ships 10-13 days |
2 |
575-3946
|
SPRING, TENS, .75OD X .08W 7.0L (Tennant Industrial) |
$43.01
|
1 |
|
usually ships 10-13 days |
3 |
575-9790
|
SWITCH, SNAP, 15A NC (Tennant Industrial) |
$158.87
|
1 |
|
usually ships 10-13 days |
4 |
999-0507
|
Bolt M6-1 x 16mm hex head full thread plain finish |
$0.99
|
2 |
|
ships same day |
5 |
999-0497
|
Nut M6-1 nylon insert lock stainless steel |
$0.99
|
2 |
|
ships same day |
6 |
275-8412
|
CLEVIS, ADJ, 0.25PIN, 0.25-28 RH, PL (Tennant Industrial) |
$15.67
|
1 |
|
usually ships 1-5 days |
7 |
175-8738
|
Clevis pin |
$5.28
|
1 |
|
usually ships 10-13 days |
8 |
175-2361
|
Cotter pin |
$3.30
|
1 |
|
ships same day |
9 |
999-0718
|
Nut 1/4-28 hex jam zinc plated |
$0.99
|
1 |
|
ships same day |
10 |
575-7212
|
BRACKET WLDT, SPPT, BRAKE (Tennant Industrial) |
$98.02
|
1 |
|
usually ships 10-13 days |
11 |
999-0785
|
Screw M8-1.25 x 30mm hex head stainless steel |
$2.24
|
3 |
|
ships same day |
12 |
999-0355
|
Washer 3/8 x 7/8 SAE flat stainless steel |
$0.99
|
3 |
|
ships same day |
13 |
575-1906
|
PAD, PEDAL, BRAKE, 2.79L 1.84W .75T (Tennant Industrial) |
$24.17
|
1 |
|
usually ships 10-13 days |
14 |
275-5674
|
Flanged bushing (Tennant Industrial) |
$40.01
|
2 |
|
usually ships 10-13 days |
15 |
575-1285
|
BRACKET, BRAKE, FRONT (Tennant Industrial) |
$21.00
|
1 |
|
usually ships 10-13 days |
16 |
275-7133
|
Washer .34B x 1.25D x .11 flat stainless steel |
$5.50
|
1 |
|
ships same day |
17 |
999-0499
|
Bolt M8-1.25 x 20mm hex head full thread stainless steel |
$1.85
|
1 |
|
ships same day |
18 |
275-0160
|
Clevis pin .37d 1 1/4l |
$6.27
|
1 |
|
ships same day |
19 |
175-2588
|
Cotter pin |
$3.30
|
1 |
|
usually ships 10-13 days |
20 |
575-4620
|
LINK WLDT, BRAKE (Tennant Industrial) |
$55.01
|
1 |
|
usually ships 10-13 days |
21 |
575-0700
|
PIN, CLEVIS, GRVD, 0.38D X 1.25L (Tennant Industrial) |
$15.67
|
1 |
|
usually ships 10-13 days |
22 |
375-7643
|
Brake kit (Tennant Industrial) |
$977.20
|
1 |
(before SN 010565) |
usually ships 10-13 days |
23 |
375-7701
|
Pedal mounting bracket (Tennant Industrial) |
$104.02
|
1 |
(after SN 010564) |
usually ships 10-13 days |
24 |
375-7826
|
Pin (Tennant Industrial) |
$152.36
|
1 |
(after SN 010564) |
usually ships 10-13 days |
25 |
175-4689
|
Washer 3/4 x 1 x 1/32 nylon |
$5.61
|
1 |
(after SN 010564) |
usually ships 1-5 days |
26 |
375-7829
|
Pedal window (Tennant Industrial) |
$73.85
|
1 |
(after SN 010564) |
usually ships 10-13 days |
27 |
375-7855
|
Pedal lock (Tennant Industrial) |
$152.53
|
1 |
(after SN 010564) |
usually ships 10-13 days |
28 |
375-7878
|
Torsion spring (Tennant Industrial) |
$8.34
|
1 |
(after SN 010564) |
usually ships 10-13 days |
29 |
175-2099
|
Flanged bushing |
$10.01
|
1 |
(after SN 010564) |
usually ships 10-13 days |
30 |
999-0024
|
Washer 5/16 flat stainless steel |
$1.34
|
2 |
(after SN 010564) |
ships same day |
31 |
999-0471
|
Nut M8-1.25 nylon insert lock zinc plated |
$0.99
|
2 |
(after SN 010564) |
ships same day |
32 |
375-8058
|
Pin (Tennant Industrial) |
$128.69
|
1 |
(after SN 010564) |
usually ships 10-13 days |
33 |
275-0710
|
Flat washer |
$5.28
|
1 |
(after SN 010564) |
usually ships 10-13 days |
34 |
575-6668
|
PLATE WLDT, SHAFT, PEDAL (Tennant Industrial) |
$65.85
|
1 |
(after SN 010564) |
usually ships 10-13 days |
35 |
475-9235
|
SLEEVE, 0.65B 0.87D 0.6L, PL (Tennant Industrial) |
$6.50
|
1 |
(after SN 010564) |
usually ships 10-13 days |
36 |
999-0787
|
Bolt M8-1.25 x 40mm hex head full thread stainless steel |
$2.48
|
1 |
(after SN 010564) |
ships same day |
37 |
999-0024
|
Washer 5/16 flat stainless steel |
$1.34
|
1 |
(after SN 010564) |
ships same day |
38 |
575-8763
|
SHAFT WLDT, PIVOT, FRONT (Tennant Industrial) |
$135.36
|
1 |
(after SN 010564) |
usually ships 10-13 days |