| # | Part | Description | Price | Req | Notes | Availability |
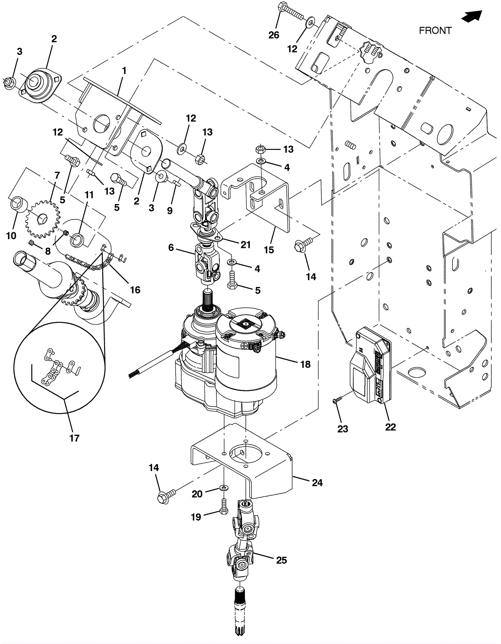
1 |
375-7641
|
Steering bracket weldment |
$156.20
|
1 |
|
usually ships 10-13 days |
2 |
275-7601
|
Flanged bearing (Tennant Industrial) |
$61.51
|
2 |
|
usually ships 1-5 days |
3 |
999-0665
|
Nut M8-1.25 flange lock |
$0.99
|
4 |
|
ships same day |
4 |
999-0549
|
Washer 5/16 x 3/4 SAE flat stainless steel |
$0.99
|
4 |
|
ships same day |
5 |
999-0499
|
Bolt M8-1.25 x 20mm hex head full thread stainless steel |
$1.85
|
6 |
|
ships same day |
6 |
675-9564
|
Power steering shaft (Tennant Industrial) |
$490.76
|
1 |
|
usually ships 10-13 days |
7a |
575-5041
|
SPROCKET KIT, 0.75B, AFMKT [T17/M17] (Tennant Industrial) |
$58.85
|
1 |
(includes 7b and 8) |
usually ships 10-13 days |
7b |
575-2311
|
SPROCKET, STEERING, 0.75B (Tennant Industrial) |
$30.51
|
1 |
|
usually ships 10-13 days |
8 |
575-2700
|
SCREW, SET, M8 X 1.25 X 8, LOCK (Tennant Industrial) |
$32.17
|
2 |
|
usually ships 10-13 days |
9 |
175-8818
|
Square keyway |
$4.49
|
1 |
|
usually ships 10-13 days |
10 |
675-9565
|
SLEEVE, SPACER, SPROCKET, 19.0MM (Tennant Industrial) |
$52.84
|
1 |
|
usually ships 10-13 days |
11 |
675-9566
|
SLEEVE, SPROCKET SPACER, 6.35 (Tennant Industrial) |
$15.00
|
1 |
|
usually ships 10-13 days |
12 |
999-0024
|
Washer 5/16 flat stainless steel |
$1.34
|
4 |
|
ships same day |
13 |
999-0471
|
Nut M8-1.25 nylon insert lock zinc plated |
$0.99
|
6 |
|
ships same day |
14 |
275-4736
|
Screw M8-1.25 x 20mm hex washer head stainless steel SEMS |
$4.49
|
7 |
|
ships same day |
15 |
675-9567
|
BRACKET, SHAFT BEARING, STEERING (Tennant Industrial) |
$77.35
|
1 |
|
usually ships 10-13 days |
16 |
575-1719
|
CHAIN, RLR, 35 X 41 PITCHES (Tennant Industrial) |
$24.00
|
1 |
|
usually ships 10-13 days |
17 |
175-3207
|
Master link |
$5.28
|
1 |
|
usually ships 10-13 days |
18 |
675-9568
|
KIT, STEERING MOTOR, CI [M17/T17] (Tennant Industrial) |
$4,102.82
|
1 |
(includes 19, 20, and 175-0337) |
usually ships 10-13 days |
19 |
175-4963
|
Bolt M6-1 x 20mm hex head |
$5.50
|
4 |
|
usually ships 1-5 days |
20 |
999-0016
|
Washer 1/4 flat plain finish |
$0.99
|
4 |
|
ships same day |
21 |
175-3201
|
Flanged bearing |
$6.49
|
1 |
|
usually ships 10-13 days |
22 |
675-9569
|
KIT, CONTROLLER, STEER MOTOR, CI [M17] (Tennant Industrial) |
$491.93
|
1 |
(includes 23 and 175-0337) |
usually ships 10-13 days |
23 |
175-5310
|
Screw 4 x 45/64 x 16 pan head |
$4.36
|
2 |
|
usually ships 1-5 days |
24 |
575-7177
|
BRACKET, SPPT, MOTOR (Tennant Industrial) |
$97.52
|
1 |
|
usually ships 10-13 days |
25 |
675-2186
|
SHAFT, STEERING, POWER, LOWER (Tennant Industrial) |
$270.38
|
1 |
|
usually ships 10-13 days |
26 |
175-2854
|
Screw M8-1.25 x 45mm hex head stainless steel |
$5.28
|
1 |
|
ships same day |
N/S |
175-0337
|
Snap switch |
$38.06
|
1 |
(OEM) |
usually ships 10-13 days |