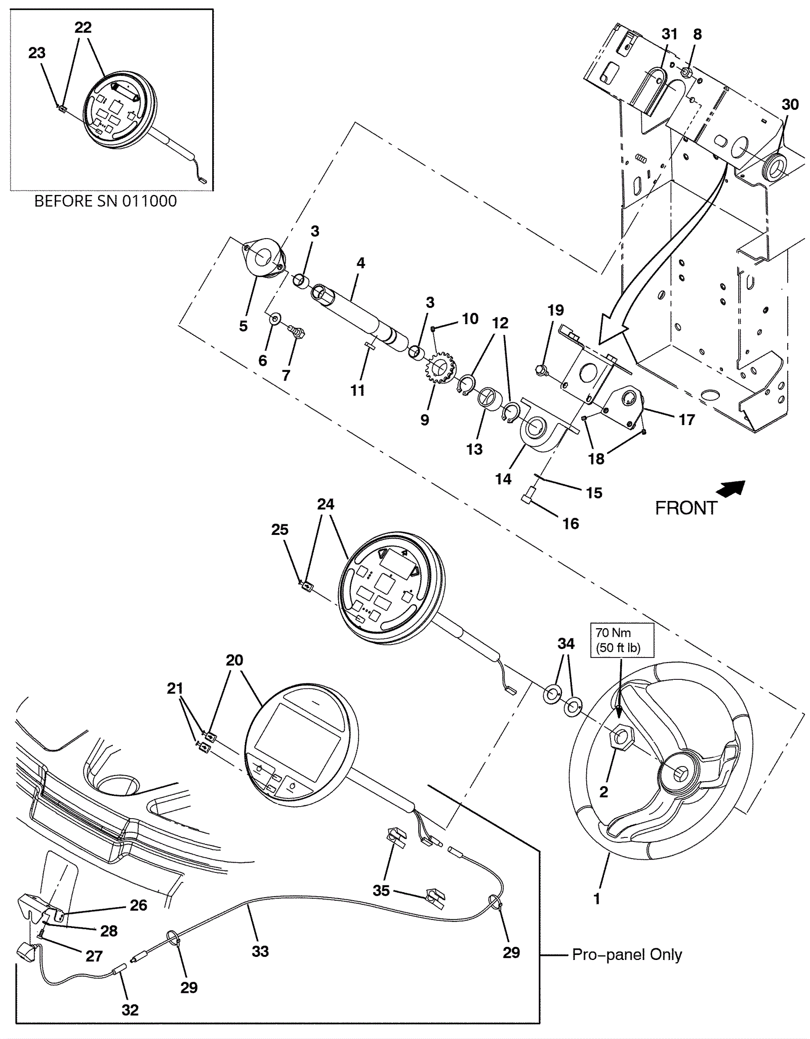
| # | Part | Description | Price | Req | Notes | Availability |
1 |
275-7609
|
Steering wheel (Tennant Industrial) |
$314.23
|
1 |
|
usually ships 1-5 days |
2 |
275-7610
|
Nut (Tennant Industrial) |
$15.67
|
1 |
|
usually ships 1-5 days |
3 |
275-7608
|
Bearing (Tennant Industrial) |
$9.00
|
2 |
|
usually ships 1-5 days |
4 |
675-1872
|
TUBE, COLUMN, STEERING (Tennant Industrial) |
$285.89
|
1 |
|
usually ships 10-13 days |
5 |
275-7612
|
Flanged bearing (Tennant Industrial) |
$35.51
|
1 |
|
usually ships 10-13 days |
6 |
999-0024
|
Washer 5/16 flat stainless steel |
$1.34
|
2 |
|
ships same day |
7 |
999-0499
|
Bolt M8-1.25 x 20mm hex head full thread stainless steel |
$1.85
|
2 |
|
ships same day |
8 |
999-0471
|
Nut M8-1.25 nylon insert lock zinc plated |
$0.99
|
2 |
|
ships same day |
9a |
575-4593
|
SPROCKET KIT, 1.12B, AFMKT [T17/M17] (Tennant Industrial) |
$49.68
|
1 |
(includes 9b and 10) |
usually ships 10-13 days |
9b |
575-1606
|
SPROCKET, STEERING, 1.12B (Tennant Industrial) |
$22.50
|
1 |
|
usually ships 10-13 days |
10 |
575-2700
|
SCREW, SET, M8 X 1.25 X 8, LOCK (Tennant Industrial) |
$32.17
|
1 |
|
usually ships 10-13 days |
11 |
175-3200
|
Square keyway |
$4.49
|
1 |
|
ships same day |
12 |
275-7620
|
Retaining ring (Tennant Industrial) |
$6.67
|
2 |
|
usually ships 1-5 days |
13 |
475-9717
|
SLEEVE, P/M, 1.13B 1.38D 1.0L (Tennant Industrial) |
$9.00
|
1 |
|
usually ships 10-13 days |
14 |
275-7613
|
Pillowblock bearing (Tennant Industrial) |
$55.18
|
1 |
|
usually ships 1-5 days |
15 |
999-0120
|
Washer 3/8 SAE flat |
$0.99
|
2 |
|
ships same day |
16 |
475-7424
|
SCREW, SOC, M10 X 1.5 X 20, 12.9 (Tennant Industrial) |
$2.00
|
2 |
|
usually ships 10-13 days |
17 |
475-3577
|
Bracket plate weldment |
$77.00
|
1 |
|
usually ships 10-13 days |
18 |
175-9339
|
Screw M6-1 x 8mm set socket |
$5.28
|
2 |
|
usually ships 10-13 days |
19 |
999-1312
|
Screw M6-1 x 20mm hex head stainless steel |
$0.99
|
2 |
|
ships same day |
20a |
675-8588
|
PANEL KIT, POD, AFMKT [M17, TOUCHSCREEN] (Tennant Industrial |
$4,643.60
|
1 |
(before SN 011000) (includes 21a) |
usually ships 10-13 days |
20b |
375-4323
|
Panel kit (pro panel only) (Tennant Industrial) |
$3,569.05
|
1 |
(after SN 010999) (includes 21b) |
usually ships 10-13 days |
21a |
575-0160
|
VR, CAP, USB, UNIVERSAL [M17] (Tennant Industrial) |
$12.34
|
2 |
(before SN 011000) |
usually ships 10-13 days |
21b |
375-7444
|
USB cap |
$47.18
|
2 |
(after SN 010999) |
usually ships 10-13 days |
22 |
675-8011
|
PANEL KIT, POD, AFMKT [M17,STANDARD LCD] (Tennant Industrial |
$2,771.39
|
1 |
(before SN 011000) (includes 23) |
usually ships 10-13 days |
23 |
575-0160
|
VR, CAP, USB, UNIVERSAL [M17] (Tennant Industrial) |
$12.34
|
1 |
(before SN 011000) |
usually ships 10-13 days |
24 |
375-4321
|
Panel kit (Tennant Industrial) |
$1,921.22
|
1 |
(after SN 010999) (includes 25) |
usually ships 10-13 days |
25 |
375-7444
|
USB cap |
$47.18
|
1 |
(after SN 010999) |
usually ships 10-13 days |
26 |
575-4773
|
BRACKET, MOUNT, CAMERA (Tennant Industrial) |
$57.68
|
1 |
|
usually ships 10-13 days |
27 |
175-3223
|
Screw 12-16 x 1/2 pan head plastic |
$5.28
|
2 |
|
usually ships 1-5 days |
28 |
999-0006
|
Washer 3/16 flat zinc plated |
$0.99
|
2 |
|
ships same day |
29 |
375-3863
|
Cable tie (Tennant Industrial) |
$5.50
|
6 |
|
usually ships 10-13 days |
30 |
175-3446
|
Rubber grommet |
$5.50
|
1 |
|
usually ships 10-13 days |
31 |
275-8203
|
Molding |
$48.40
|
1 |
|
usually ships 1-5 days |
32 |
375-4359
|
Color camera (Tennant Industrial) |
$501.10
|
1 |
|
usually ships 10-13 days |
33 |
575-9778
|
CABLE, CAMERA, 197.0L [HVS] (Tennant Industrial) |
$152.53
|
1 |
|
usually ships 10-13 days |
34 |
275-7611
|
Thrust washer |
$10.67
|
2 |
|
usually ships 1-5 days |
35 |
475-9711
|
INDUCTOR, 32.0MML [FERRITE 0-300MHZ] (Tennant Industrial) |
$10.17
|
2 |
|
usually ships 10-13 days |