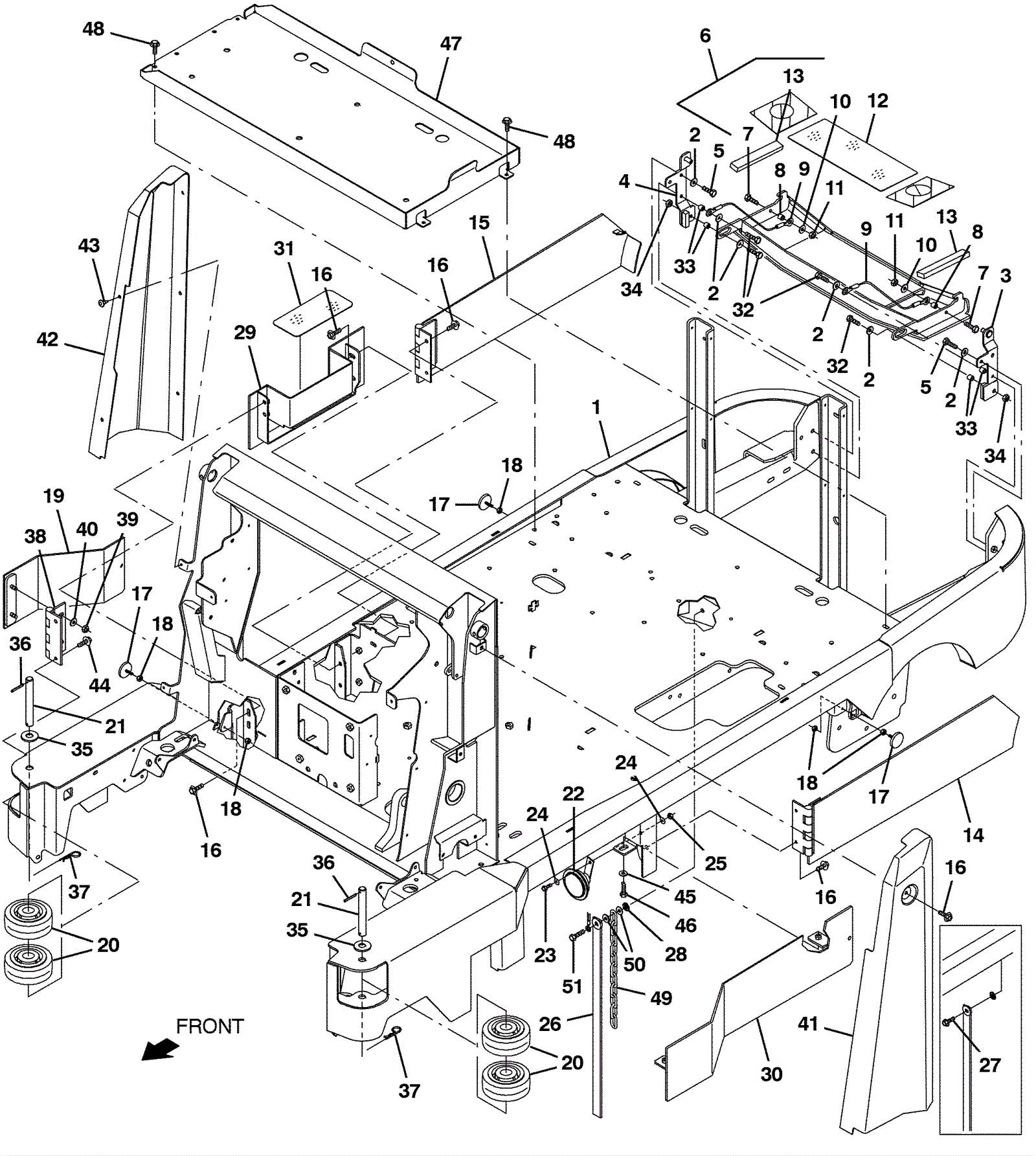
| # | Part | Description | Price | Req | Notes | Availability |
1a |
675-9108
|
FRAME WLDT, MAIN [M17] (Tennant Industrial) |
$7,257.32
|
1 |
(before SN 011000) |
usually ships 10-13 days |
1b |
675-9561
|
FRAME WLDT, MAIN [M17] (TENNANT INDUSTRIAL) |
$13,471.53
|
1 |
(after SN 010999) |
usually ships 10-13 days |
2 |
999-0355
|
Washer 3/8 x 7/8 SAE flat stainless steel |
$0.99
|
8 |
|
ships same day |
3 |
575-5341
|
BRACKET WLDT, LH, MTG, DOOR (Tennant Industrial) |
$65.01
|
1 |
|
usually ships 10-13 days |
4 |
575-6327
|
BRACKET WLDT, RH, MTG, DOOR (Tennant Industrial) |
$80.68
|
1 |
|
usually ships 10-13 days |
5 |
999-0785
|
Screw M8-1.25 x 30mm hex head stainless steel |
$2.24
|
4 |
|
ships same day |
6 |
675-5697
|
BUMPER KIT, REAR, AFMKT [T17] (Tennant Industrial) |
$867.01
|
1 |
(includes 7-13) |
usually ships 10-13 days |
7 |
999-0786
|
Screw M8-1.25 x 35mm hex head stainless steel |
$1.12
|
2 |
|
ships same day |
8 |
175-2263
|
Sleeve |
$4.22
|
2 |
|
usually ships 10-13 days |
9 |
275-0833
|
Cable |
$20.13
|
2 |
|
usually ships 1-5 days |
10 |
999-0355
|
Washer 3/8 x 7/8 SAE flat stainless steel |
$0.99
|
2 |
|
ships same day |
11 |
999-0496
|
Nut M8-1.25 nylon insert lock stainless steel |
$1.98
|
2 |
|
ships same day |
12 |
575-0262
|
TREAD, NON-SKID-STEP, 5.5W 13.8L (Tennant Industrial) |
$12.50
|
1 |
|
usually ships 10-13 days |
13 |
575-3375
|
BUMPER, STRIP, 1.0 (Tennant Industrial) |
$40.01
|
2 |
|
usually ships 10-13 days |
14 |
675-4195
|
DOOR WLDT, BRUSH, LH (Tennant Industrial) |
$527.44
|
1 |
|
ships same day |
15 |
675-4196
|
DOOR WLDT, BRUSH, RH (Tennant Industrial) |
$527.44
|
1 |
|
usually ships 10-13 days |
16 |
275-9575
|
SCREW, HEX, M8 X 1.25 X 25, 9.8, SEMS (Tennant Industrial) |
$4.17
|
7 |
|
ships same day |
17 |
675-9923
|
Brush door magnet |
$21.23
|
3 |
|
usually ships 10-13 days |
18 |
999-0190
|
Nut 1/4-20 hex plain finish |
$0.99
|
6 |
|
ships same day |
19 |
675-9562
|
PLATE WLDT, PANEL, RH (TENNANT INDUSTRIAL) |
$111.86
|
1 |
|
usually ships 10-13 days |
20 |
275-5658
|
Wheel (gray) (Tennant Industrial) |
$42.51
|
4 |
|
usually ships 10-13 days |
21 |
575-3990
|
PIN, .75D X 5.88L (Tennant Industrial) |
$43.01
|
2 |
|
usually ships 10-13 days |
22 |
275-7560
|
36V horn (Tennant Industrial) |
$112.52
|
1 |
|
usually ships 10-13 days |
23 |
999-1312
|
Screw M6-1 x 20mm hex head stainless steel |
$0.99
|
1 |
|
ships same day |
24 |
999-0335
|
Washer 1/4 x 5/8 SAE flat stainless steel |
$0.99
|
2 |
|
ships same day |
25 |
999-0497
|
Nut M6-1 nylon insert lock stainless steel |
$0.99
|
1 |
|
ships same day |
26 |
275-9261
|
Static strip with grommet |
$28.16
|
1 |
|
usually ships 10-13 days |
27 |
999-9092
|
Screw M8-1.25 x 20mm hex head stainless steel |
$2.79
|
1 |
(before SN 012305) |
ships same day |
28 |
175-2893
|
Washer 5/16 internal/external locking |
$4.49
|
1 |
|
usually ships 10-13 days |
29 |
675-1993
|
PANEL WLDT, COVER, BRUSH (Tennant Industrial) |
$296.39
|
1 |
|
usually ships 10-13 days |
30 |
575-9816
|
PANEL WLDT, COVER, BRUSH, LH (Tennant Industrial) |
$172.37
|
1 |
|
usually ships 10-13 days |
31 |
475-8760
|
TREAD, NON-SKID-STEP, 3.75W 8.5L, SBA (Tennant Industrial) |
$5.67
|
1 |
|
usually ships 10-13 days |
32 |
999-0786
|
Screw M8-1.25 x 35mm hex head stainless steel |
$1.12
|
4 |
|
ships same day |
33 |
175-2263
|
Sleeve |
$4.22
|
4 |
|
usually ships 10-13 days |
34 |
999-0496
|
Nut M8-1.25 nylon insert lock stainless steel |
$1.98
|
2 |
|
ships same day |
35 |
275-9590
|
WASHER, FLAT, 0.78B 1.75D .18, SS (Tennant Industrial) |
$7.38
|
2 |
|
ships same day |
36 |
375-0341
|
Roll pin (Tennant Industrial) |
$4.17
|
2 |
|
usually ships 1-5 days |
37 |
175-5402
|
Cotter hair pin |
$8.80
|
2 |
|
usually ships 1-5 days |
38 |
575-9287
|
HINGE, PNTD, .38PIN .19 4.0W 6.0L (Tennant Industrial) |
$152.70
|
1 |
|
usually ships 10-13 days |
39 |
999-0471
|
Nut M8-1.25 nylon insert lock zinc plated |
$0.99
|
2 |
|
ships same day |
40 |
999-0024
|
Washer 5/16 flat stainless steel |
$1.34
|
2 |
|
ships same day |
41 |
675-4326
|
COVER KIT, LNTL, LH, NA, AFMKT [M17] (Tennant Industrial) |
$548.44
|
1 |
|
usually ships 10-13 days |
42 |
675-4327
|
COVER KIT, LNTL, RH, NA, AFMKT, [M17] (Tennant Industrial) |
$548.44
|
1 |
|
usually ships 10-13 days |
43 |
175-5971
|
Plastic rivet |
$4.22
|
5 |
|
ships same day |
44 |
999-0785
|
Screw M8-1.25 x 30mm hex head stainless steel |
$2.24
|
2 |
|
ships same day |
45 |
999-0032
|
Washer 3/8 USS flat plain finish |
$2.42
|
2 |
|
ships same day |
46 |
999-0501
|
Bolt M8-1.25 x 25mm hex head full thread stainless steel |
$2.64
|
2 |
|
ships same day |
47 |
375-7204
|
Battery tray weldment |
$290.51
|
1 |
(after SN 019999) |
usually ships 10-13 days |
48 |
999-0785
|
Screw M8-1.25 x 30mm hex head stainless steel |
$2.24
|
4 |
(after SN 019999) |
ships same day |
49 |
575-2706
|
CHAIN, COIL, STR, 2/0, 14.1L 11 LINK (Tennant Industrial) |
$30.84
|
1 |
(after SN 12304) |
usually ships 10-13 days |
50 |
999-0355
|
Washer 3/8 x 7/8 SAE flat stainless steel |
$0.99
|
2 |
(after SN 12304) |
ships same day |
51 |
999-0785
|
Screw M8-1.25 x 30mm hex head stainless steel |
$2.24
|
1 |
(after SN 12304) |
ships same day |