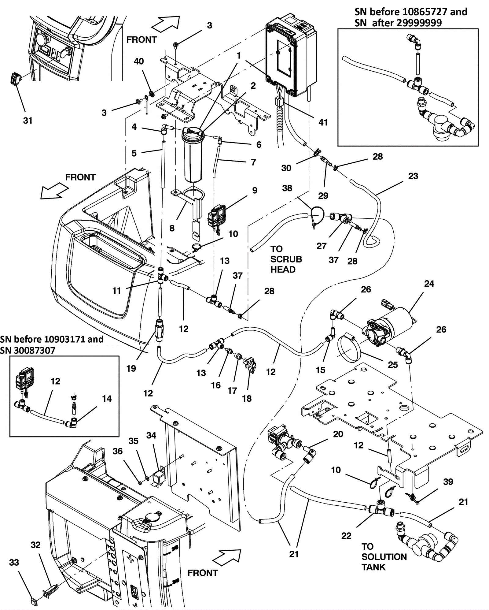
| # | Part | Description | Price | Req | Notes | Availability |
1 |
375-0142
|
ec-H2O module kit |
$1,458.93
|
1 |
(inlcudes 2) |
ships same day |
2 |
375-0144
|
Nanoclean cartridge |
$486.26
|
1 |
|
usually ships 10-13 days |
3 |
999-1383
|
Screw M6-1 x 16mm hex head stainless steel |
$3.96
|
4 |
|
ships same day |
4 |
375-0075
|
90 degree elbow |
$19.14
|
1 |
|
usually ships 10-13 days |
5 |
375-0143
|
Hose |
$124.08
|
1 |
|
ships same day |
6 |
375-0079
|
90 degree elbow |
$12.10
|
1 |
|
usually ships 10-13 days |
7 |
375-0145
|
PVC hose |
$112.64
|
1 |
|
usually ships 10-13 days |
8 |
375-4635
|
ec-H2O bracket weldment |
$59.84
|
1 |
|
usually ships 10-13 days |
9 |
375-0146
|
Dispenser pump assembly |
$365.31
|
1 |
|
usually ships 10-13 days |
10 |
175-7795
|
Cable tie |
$5.15
|
3 |
|
ships same day |
11 |
375-0076
|
Plastic tee fitting |
$20.02
|
1 |
|
usually ships 10-13 days |
12 |
375-0150
|
6 foot hose |
$111.10
|
1 |
|
usually ships 10-13 days |
13 |
375-0148
|
Plastic tee fitting |
$25.85
|
2 |
|
usually ships 10-13 days |
14 |
375-3339
|
90 degree elbow |
$19.47
|
1 |
(SN before 10903171 and SN 30087307) |
usually ships 10-13 days |
15 |
375-0075
|
90 degree elbow |
$19.14
|
1 |
|
usually ships 10-13 days |
16 |
375-0152
|
Straight plastic fitting |
$5.50
|
1 |
|
usually ships 10-13 days |
17 |
175-8088
|
Brass coupling fitting |
$5.28
|
1 |
|
usually ships 10-13 days |
18 |
275-4760
|
Press switch |
$92.18
|
1 |
|
ships same day |
19 |
375-0153
|
Check valve |
$48.29
|
1 |
|
usually ships 10-13 days |
20 |
375-0156
|
90 degree elbow |
$22.99
|
1 |
|
ships same day |
21 |
375-0204
|
5 foot solution hose |
$113.30
|
1 |
|
usually ships 10-13 days |
22 |
375-0157
|
Plastic tee fitting |
$27.61
|
1 |
|
usually ships 10-13 days |
23 |
175-9693
|
Hose 1/4 x 8 foot (Tennant Industrial) |
$103.19
|
1 |
|
usually ships 10-13 days |
24 |
375-0155
|
Solution pump |
$383.02
|
1 |
|
usually ships 10-13 days |
25 |
997-2009
|
Hose clamp |
$3.30
|
1 |
|
ships same day |
26 |
375-0154
|
90 degree elbow |
$18.81
|
2 |
|
usually ships 10-13 days |
27 |
375-0157
|
Plastic tee fitting |
$27.61
|
1 |
|
usually ships 10-13 days |
28 |
175-5304
|
Hose clamp |
$4.49
|
3 |
|
usually ships 10-13 days |
29 |
275-4947
|
Plastic fitting |
$3.30
|
1 |
|
usually ships 10-13 days |
30 |
175-3671
|
Hose clamp |
$5.28
|
1 |
|
usually ships 10-13 days |
31 |
275-4773
|
Rocker switch |
$8.25
|
1 |
|
ships same day |
32 |
275-9986
|
10amp circuit breaker (Tennant Industrial) |
$8.34
|
1 |
|
ships same day |
33 |
275-2596
|
Circuit breaker boot (Tennant Industrial) |
$20.84
|
1 |
|
ships same day |
34 |
375-3233
|
24V relay |
$21.67
|
1 |
|
ships same day |
35 |
999-0998
|
Washer #10 flat stainless steel |
$0.99
|
1 |
|
ships same day |
36 |
999-0740
|
Nut M5-.8 hex stainless steel |
$0.99
|
1 |
|
ships same day |
37 |
375-1138
|
Plastic fitting |
$5.15
|
2 |
|
usually ships 10-13 days |
38 |
175-7795
|
Cable tie |
$5.15
|
1 |
|
ships same day |
39 |
275-0288
|
Washer 1/4 internal-external lock |
$4.36
|
1 |
|
ships same day |
40 |
275-5197
|
Fir tree clip |
$2.38
|
1 |
|
usually ships 10-13 days |
41 |
375-4508
|
Inductor |
$5.83
|
1 |
|
ships same day |