| # | Part | Description | Price | Req | Notes | Availability |
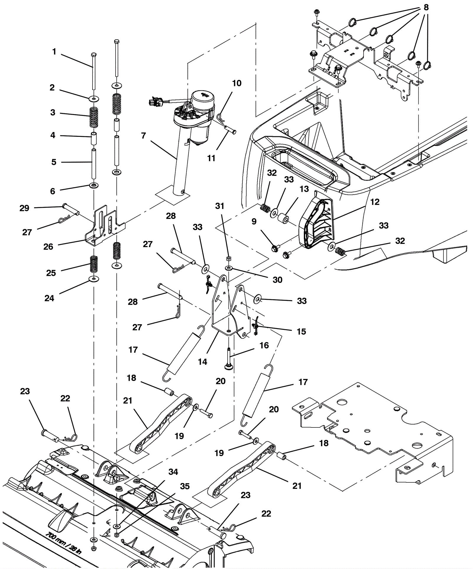
1 |
275-8726
|
SCREW, HEX, M8 X 1.25 X 130, SS (Tennant Industrial) |
$12.17
|
2 |
|
usually ships 1-5 days |
2 |
175-2298
|
Washer .38 x .06 stainless steel |
$5.28
|
2 |
|
usually ships 10-13 days |
3 |
175-2199
|
Compression spring |
$5.50
|
2 |
|
usually ships 10-13 days |
4 |
375-3244
|
Pm sleeve |
$3.30
|
2 |
|
usually ships 10-13 days |
5 |
375-3245
|
Sleeve |
$36.74
|
2 |
|
usually ships 10-13 days |
6 |
999-0114
|
Washer 1/2 SAE flat |
$0.99
|
2 |
|
ships same day |
7 |
475-2570
|
24V actuator |
$543.29
|
1 |
|
ships same day |
8 |
175-2202
|
Nylon wire tie |
$4.49
|
5 |
|
ships same day |
9 |
275-4736
|
Screw M8-1.25 x 20mm hex washer head stainless steel SEMS |
$4.49
|
4 |
|
ships same day |
10 |
175-4331
|
Cotter hair pin |
$5.28
|
1 |
|
ships same day |
11 |
175-2111
|
Clevis pin |
$5.15
|
1 |
|
usually ships 10-13 days |
12 |
375-3248
|
Guide bracket |
$24.42
|
1 |
|
usually ships 10-13 days |
13 |
175-7911
|
Roller |
$10.67
|
1 |
|
usually ships 10-13 days |
14 |
375-3250
|
Scrubhead pivot weldment |
$93.28
|
1 |
|
usually ships 10-13 days |
15 |
275-5197
|
Fir tree clip |
$2.38
|
2 |
|
usually ships 10-13 days |
16 |
375-3251
|
Leveler screw |
$34.87
|
1 |
|
usually ships 10-13 days |
17 |
175-2234
|
Extension spring |
$14.63
|
2 |
|
usually ships 10-13 days |
18 |
175-4343
|
1 inch tube |
$7.04
|
2 |
|
ships same day |
19 |
999-0355
|
Washer 3/8 x 7/8 SAE flat stainless steel |
$0.99
|
2 |
|
ships same day |
20 |
999-0787
|
Bolt M8-1.25 x 40mm hex head full thread stainless steel |
$2.48
|
2 |
|
ships same day |
21 |
175-2102
|
Scrub head lifting arm |
$53.46
|
2 |
|
usually ships 10-13 days |
22 |
175-2106
|
Cotter hair pin |
$4.49
|
2 |
|
ships same day |
23 |
175-2105
|
Clevis pin |
$7.37
|
2 |
|
usually ships 10-13 days |
24 |
175-2298
|
Washer .38 x .06 stainless steel |
$5.28
|
2 |
|
usually ships 10-13 days |
25 |
175-2443
|
2 1/2 inch compression spring |
$5.50
|
2 |
|
usually ships 10-13 days |
26 |
375-3253
|
Suspension head spring bracket |
$48.07
|
1 |
|
usually ships 10-13 days |
27 |
175-4331
|
Cotter hair pin |
$5.28
|
3 |
|
ships same day |
28 |
175-4960
|
Clevis pin |
$11.00
|
2 |
|
usually ships 10-13 days |
29 |
175-9603
|
Clevis pin |
$5.28
|
1 |
|
usually ships 10-13 days |
30 |
999-0355
|
Washer 3/8 x 7/8 SAE flat stainless steel |
$0.99
|
1 |
|
ships same day |
31 |
999-1424
|
Nut M8-1.25 hex stainless steel |
$1.65
|
1 |
|
ships same day |
32 |
175-4371
|
Compression spring |
$5.28
|
2 |
|
usually ships 10-13 days |
33 |
999-0559
|
Washer 1/2 x 1/4 flat stainless steel |
$0.99
|
4 |
|
ships same day |
34 |
999-0355
|
Washer 3/8 x 7/8 SAE flat stainless steel |
$0.99
|
2 |
|
ships same day |
35 |
999-0496
|
Nut M8-1.25 nylon insert lock stainless steel |
$1.98
|
2 |
|
ships same day |