| # | Part | Description | Price | Req | Notes | Availability |
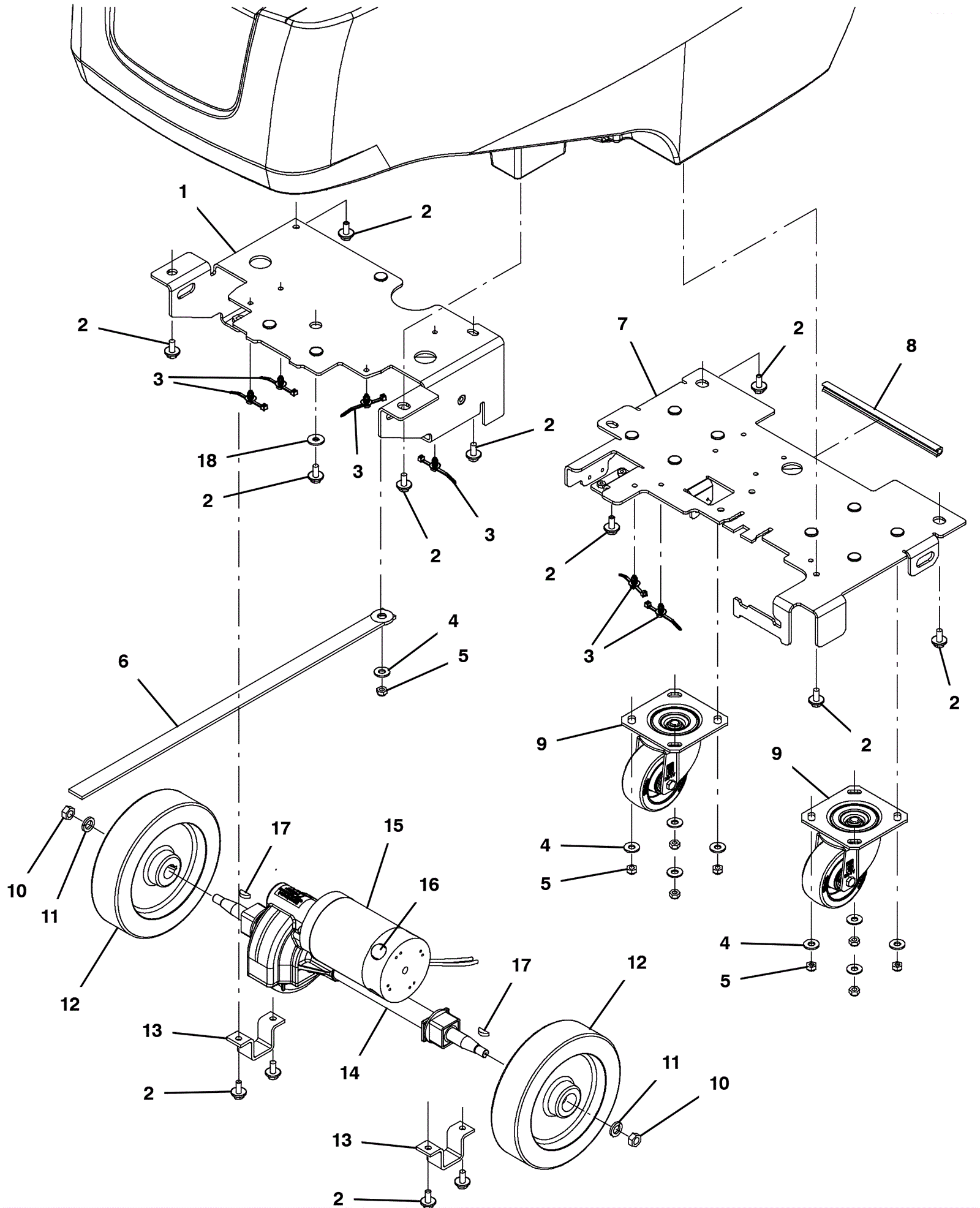
1 |
375-3239
|
Front frame weldment |
$204.82
|
1 |
|
ships same day |
2 |
275-4736
|
Screw M8-1.25 x 20mm hex washer head stainless steel SEMS |
$4.49
|
13 |
|
ships same day |
3 |
275-5197
|
Fir tree clip |
$2.38
|
6 |
|
usually ships 10-13 days |
4 |
999-0355
|
Washer 3/8 x 7/8 SAE flat stainless steel |
$0.99
|
9 |
|
ships same day |
5 |
999-0496
|
Nut M8-1.25 nylon insert lock stainless steel |
$1.98
|
9 |
|
ships same day |
6 |
275-9261
|
Static strip with grommet |
$28.16
|
1 |
|
usually ships 10-13 days |
7 |
375-3240
|
Rear frame weldment |
$322.63
|
1 |
|
usually ships 10-13 days |
8 |
275-8203
|
Molding |
$48.40
|
1 |
|
usually ships 1-5 days |
9 |
375-0225
|
Swivel caster wheel |
$81.51
|
2 |
|
ships same day |
10 |
999-0519
|
Nut M12-1.75 nylon insert lock stainless steel |
$3.85
|
2 |
|
ships same day |
11 |
175-1825
|
Washer |
$5.15
|
2 |
|
ships same day |
12a |
275-5301
|
Solid wheel kit |
$386.54
|
1 |
(includes 12b) (OEM) |
usually ships 10-13 days |
12b |
275-1449
|
Wheel with taper |
$180.40
|
2 |
(OEM) |
ships same day |
12c |
991-7142
|
Wheel with taper |
$118.19
|
2 |
(NON-OEM) |
usually ships 18-24 days |
12d |
991-7148
|
Solid wheel kit |
$277.92
|
1 |
(includes 2 of 12c) (NON-OEM) |
usually ships 18-24 days |
13 |
175-4349
|
Transaxle bracket |
$40.15
|
2 |
|
usually ships 10-13 days |
14a |
375-3241
|
24V electronic transaxle |
$1,763.30
|
1 |
(includes 14b-17) |
ships same day |
14b |
175-3655
|
Transaxle coupling |
$10.78
|
1 |
|
usually ships 10-13 days |
14c |
175-3660
|
Transaxle sleeve |
$11.11
|
1 |
|
usually ships 10-13 days |
15 |
275-1447
|
24V transaxle motor |
$682.44
|
1 |
(includes 16) |
ships same day |
16 |
175-7898
|
Carbon brush (pkg of 4) |
$71.50
|
1 |
|
usually ships 10-13 days |
17 |
275-1448
|
Square keyway |
$4.49
|
2 |
|
usually ships 10-13 days |
18 |
375-4024
|
Washer (Tennant Industrial) |
$6.67
|
1 |
|
usually ships 10-13 days |