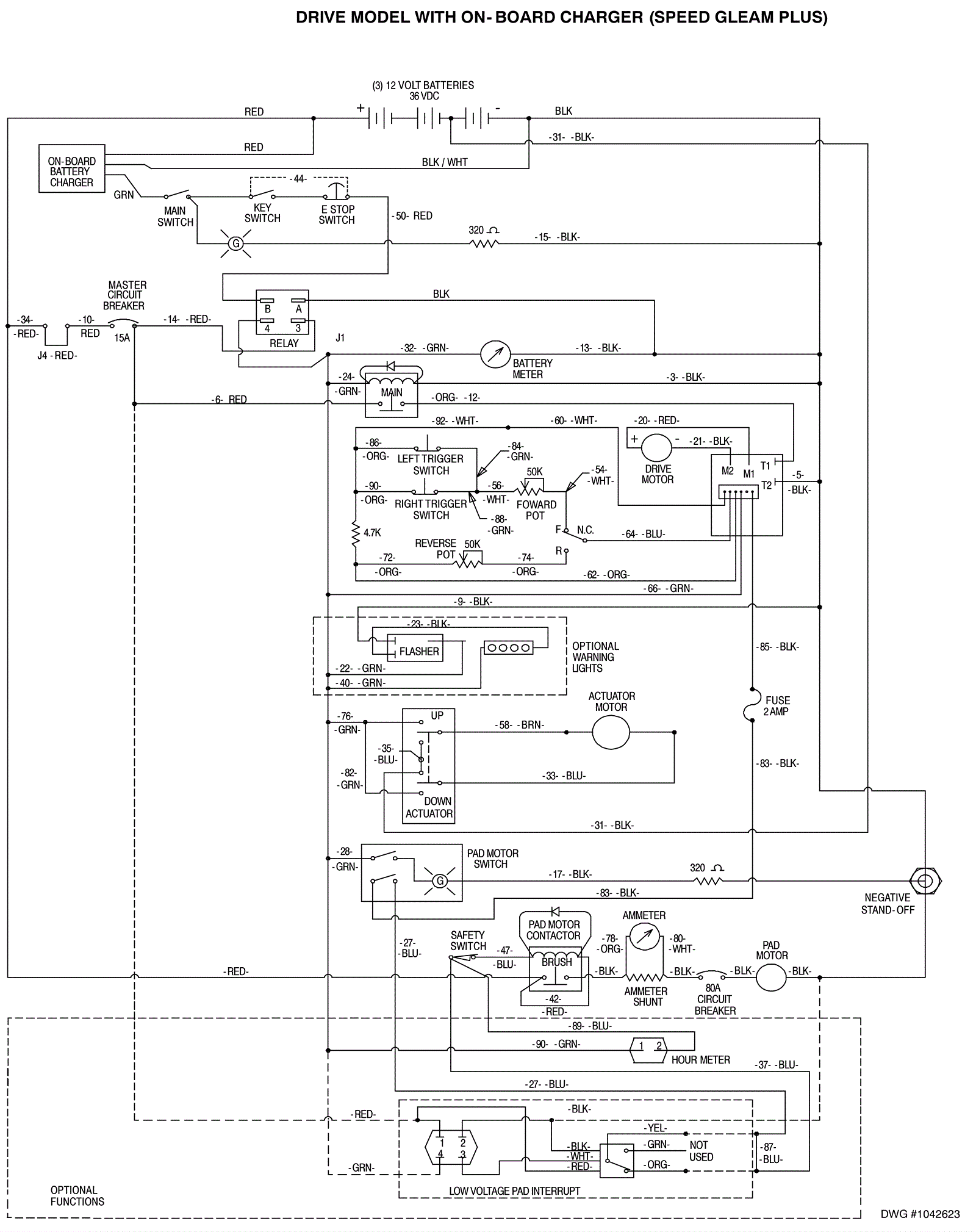
Wiring Diagram-8
Click to enlarge