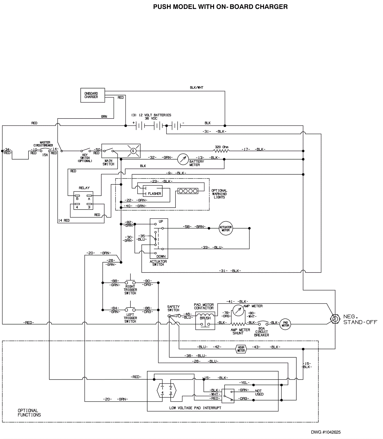
Wiring Diagram-6
Click to enlarge