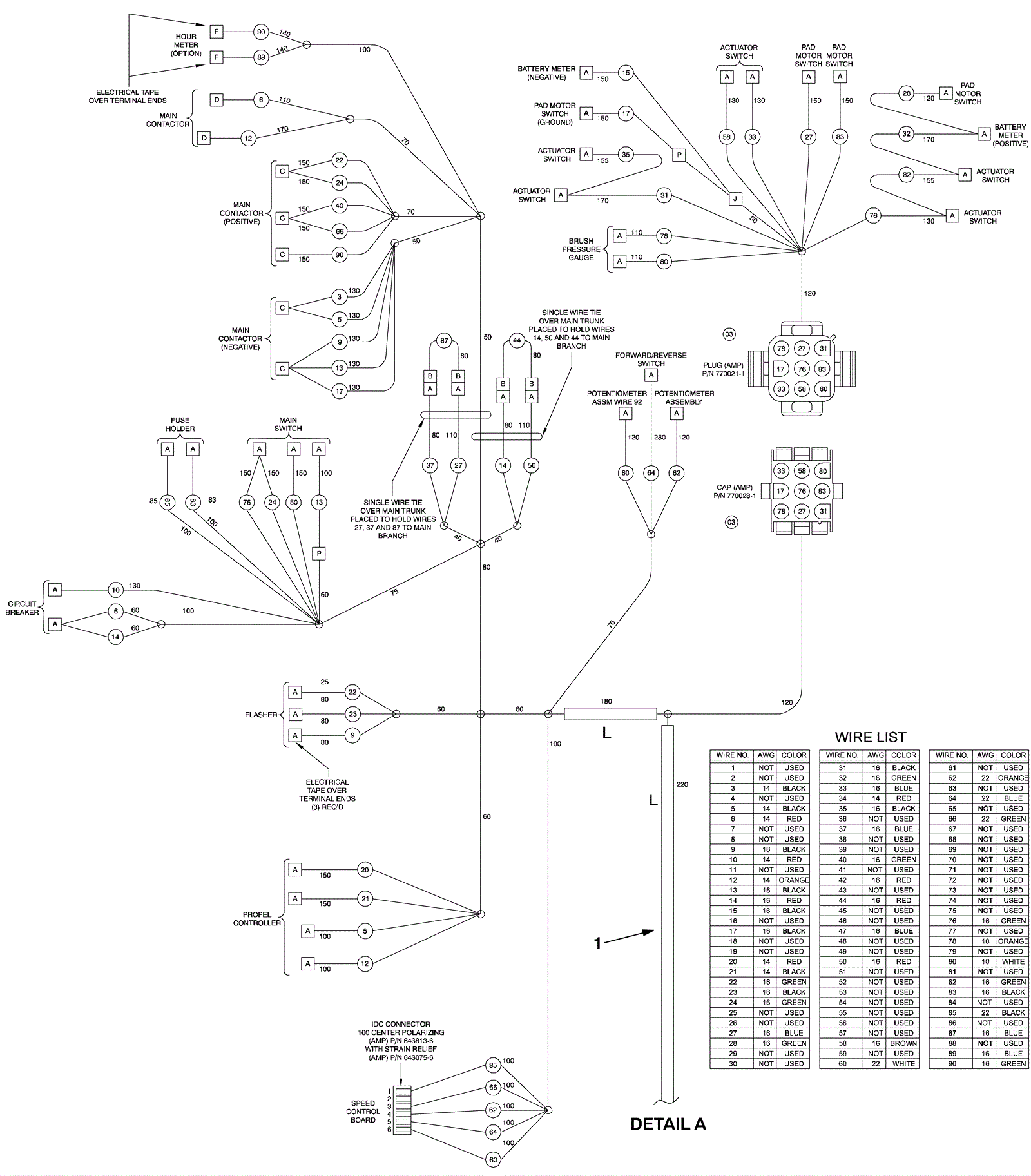
Harness Assembly-Drive Model-1
Click to enlarge
#
Part
Description
Price
Req
Notes
Availability
1
275-0747
Main wiring harness
$424.38
1
usually ships 1-5 days