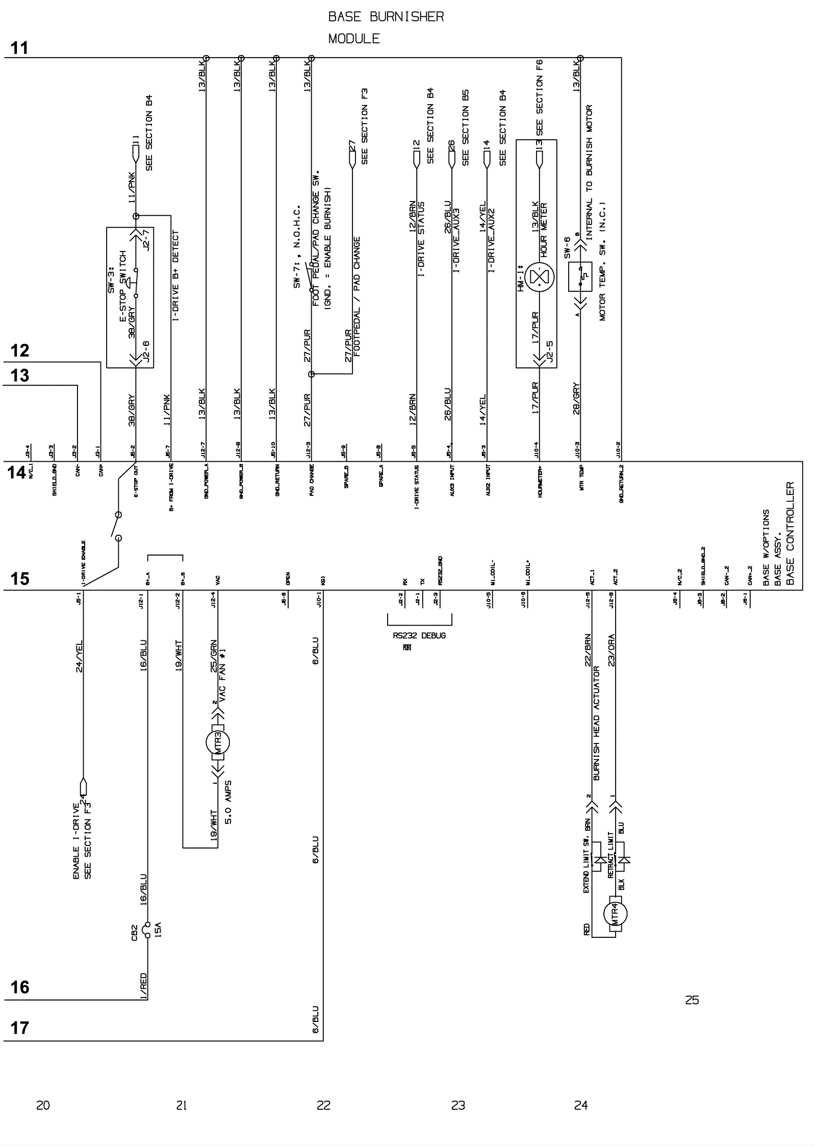
Electrical Diagram-Drive Model-4
Click to enlarge