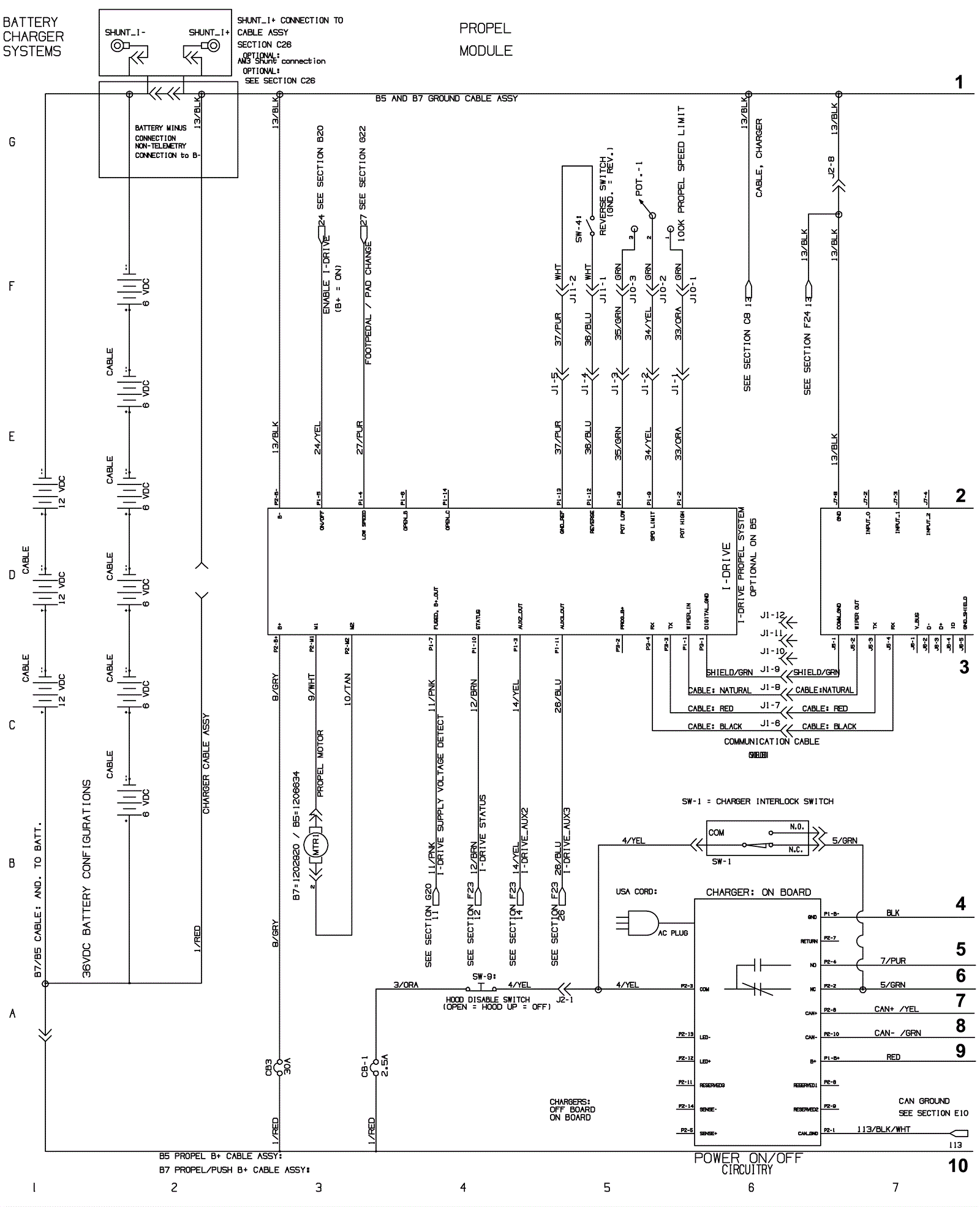
Electrical Diagram-Drive Model-1
Click to enlarge