| # | Part | Description | Price | Req | Notes | Availability |
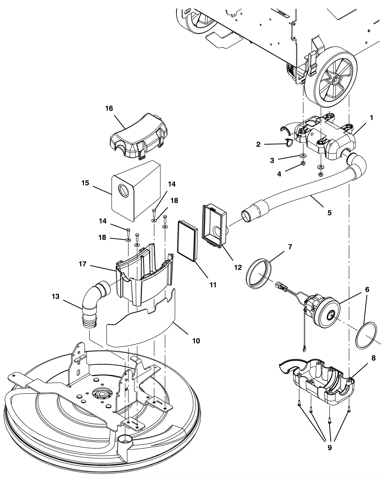
1 |
275-5407
|
Left hand vacuum motor housing |
$87.89
|
1 |
(active dust control) |
ships same day |
2 |
175-7795
|
Cable tie |
$5.15
|
1 |
(active dust control) |
ships same day |
3 |
999-0355
|
Washer 3/8 x 7/8 SAE flat stainless steel |
$0.99
|
4 |
(active dust control) |
ships same day |
4 |
999-0496
|
Nut M8-1.25 nylon insert lock stainless steel |
$1.98
|
4 |
(active dust control) |
ships same day |
5 |
175-9825
|
Vacuum hose 1 1/2 x 33 inch |
$80.52
|
1 |
(active dust control) |
usually ships 10-13 days |
6 |
275-5408
|
36V vacuum motor |
$317.57
|
1 |
(active dust control) |
ships same day |
7 |
275-5409
|
Vacuum motor gasket |
$13.97
|
1 |
(active dust control) |
usually ships 10-13 days |
8 |
275-5410
|
Right hand vacuum motor housing |
$94.93
|
1 |
(active dust control) |
usually ships 10-13 days |
9 |
175-7660
|
Screw #10-14 x .675 shoulder self-tapping |
$3.30
|
6 |
(active dust control) |
usually ships 10-13 days |
10a |
375-4012
|
Dust box guard weldment |
$99.44
|
1 |
(after SN 10729500) |
usually ships 10-13 days |
10b |
275-5411
|
Dust box weldment |
$88.44
|
1 |
(before SN10729501) |
usually ships 10-13 days |
11a |
275-6577
|
HEPA filter |
$34.87
|
1 |
(active dust control) |
ships same day |
11b |
175-4017
|
Dust box cover gasket |
$8.03
|
1 |
(passive dust control) |
ships same day |
12 |
175-3522
|
HEPA filter housing |
$7.92
|
1 |
|
usually ships 10-13 days |
13 |
275-7526
|
1 1/2 inch hose assembly |
$44.44
|
1 |
|
usually ships 10-13 days |
14 |
999-1087
|
Bolt M6-1 x 25mm hex head stainless steel |
$0.99
|
4 |
|
ships same day |
15a |
275-6578
|
Paper vacuum bags (pkg of 10) |
$24.97
|
1 |
|
ships same day |
15b |
275-5415
|
Cloth dust bag |
$50.16
|
1 |
(passive dust control) (optional) |
usually ships 10-13 days |
16 |
175-3828
|
Dust control cover (dark green) |
$24.42
|
1 |
|
usually ships 10-13 days |
17 |
175-4016
|
Dust control base (dark green) |
$30.47
|
1 |
|
usually ships 10-13 days |
18 |
999-0335
|
Washer 1/4 x 5/8 SAE flat stainless steel |
$0.99
|
4 |
|
ships same day |