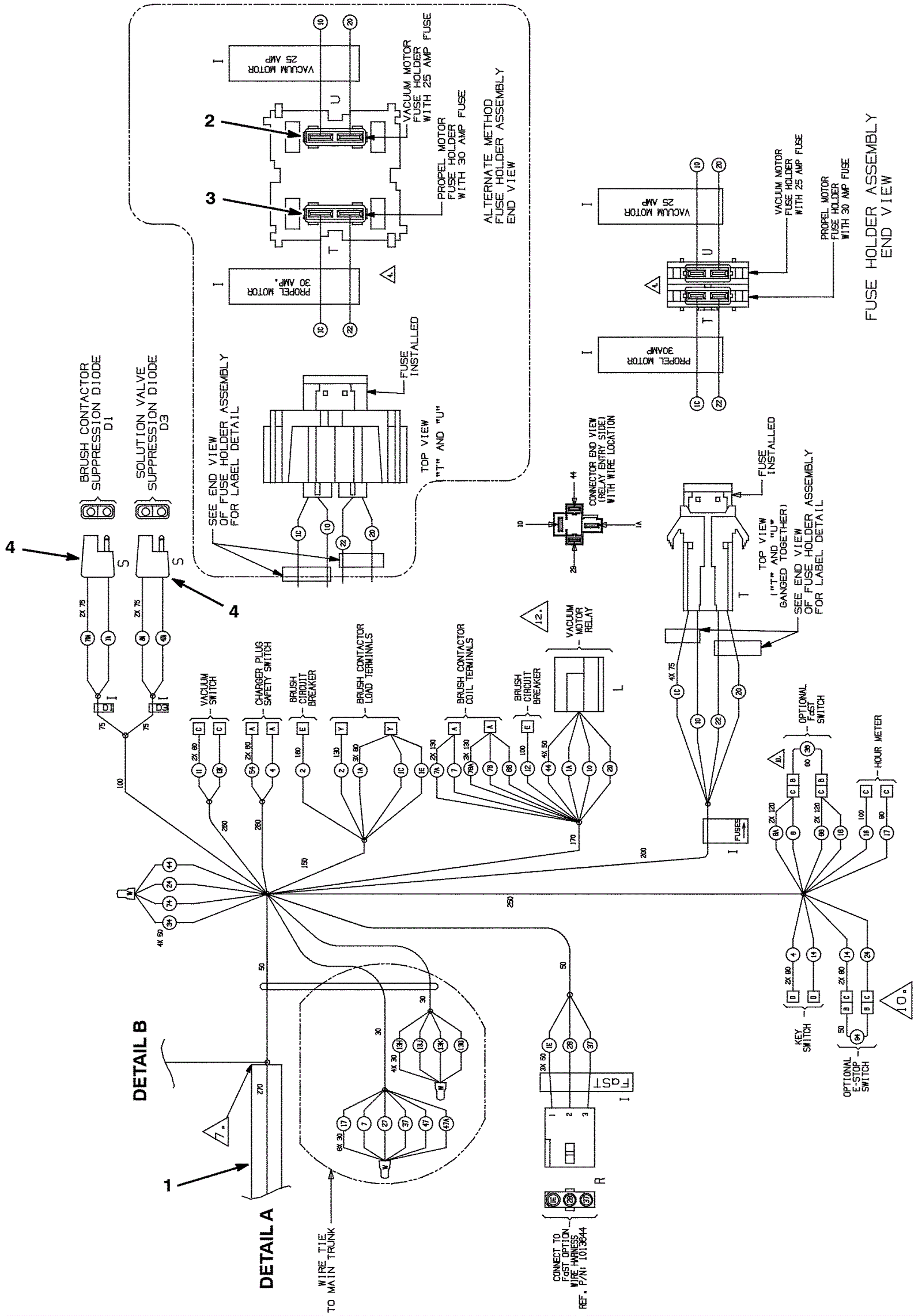
Main Wire Harness Assembly - Drive - Part 1
Click to enlarge