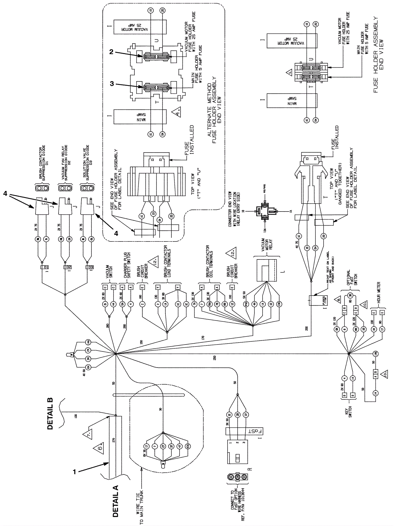
Main Wire Harness Assembly - Brush Assist - Part 1
Click to enlarge