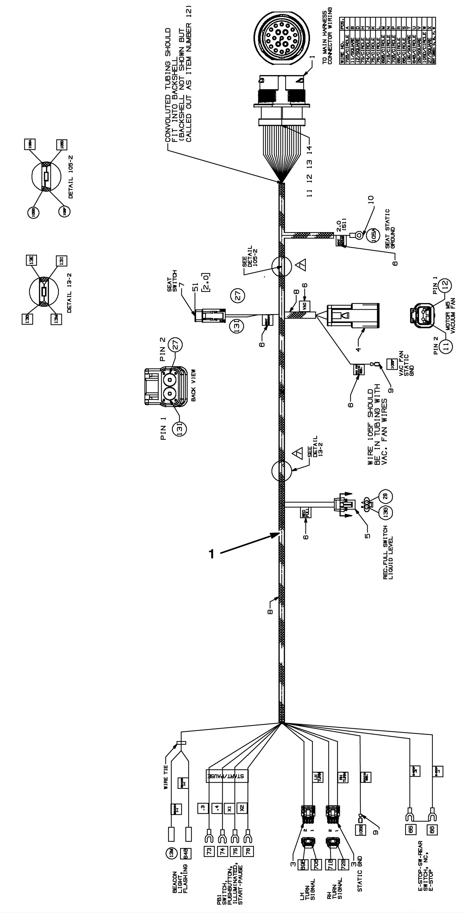
T380AMR
Tank Wire Harness Assembly
Click to enlarge
#
Part
Description
Price
Req
Notes
Availability
1
375-7975
Tank harness
$378.84
1
usually ships 10-13 days