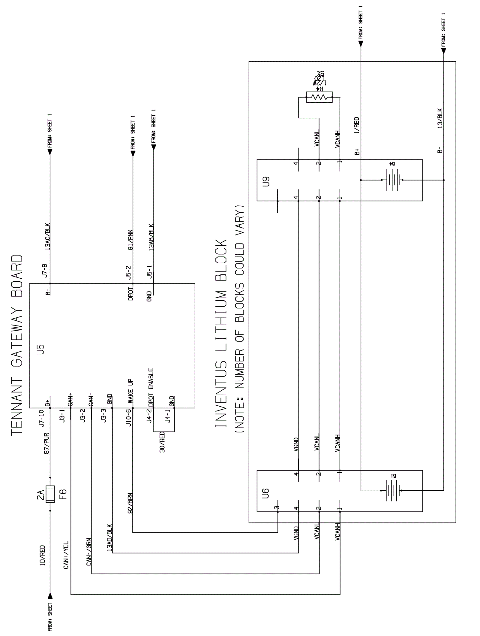
Electrical Diagram-7
Click to enlarge