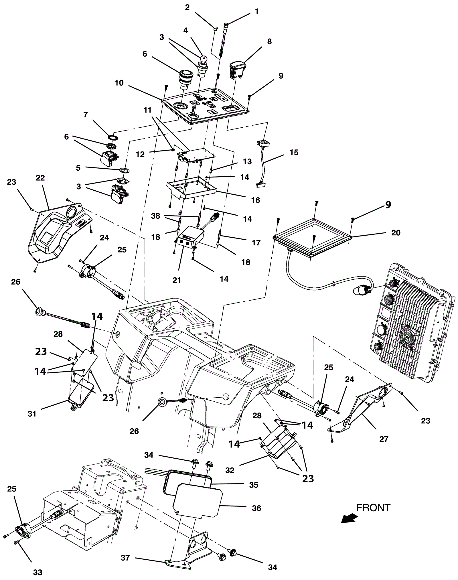
| # | Part | Description | Price | Req | Notes | Availability |
1 |
375-7924
|
LED light |
$101.42
|
1 |
(ec-H2O models) |
usually ships 10-13 days |
2 |
175-9227
|
Hole plug 19/64 |
$4.49
|
1 |
(models without ec-H2O) |
usually ships 10-13 days |
3 |
375-7696
|
Key switch |
$68.09
|
1 |
(includes 4) |
ships same day |
4 |
375-7697
|
Key (pkg of 2) (Tennant Industrial) |
$26.50
|
1 |
|
ships same day |
5 |
375-7698
|
Switch lock ring |
$5.50
|
1 |
|
usually ships 10-13 days |
6 |
375-7694
|
Emergency stop switch |
$119.79
|
1 |
|
ships same day |
7 |
375-7695
|
E-stop lock ring |
$13.00
|
1 |
|
usually ships 10-13 days |
8 |
375-7699
|
Rocker switch |
$116.02
|
1 |
|
ships same day |
9 |
175-9366
|
Screw 8-10 x 1/2 pan head plastic |
$5.28
|
8 |
|
ships same day |
10 |
375-7692
|
Replacement membrane kit |
$265.10
|
1 |
|
usually ships 10-13 days |
11 |
375-7925
|
Membrane controller kit |
$1,041.59
|
1 |
(includes 12) |
usually ships 10-13 days |
12 |
375-7703
|
Shunt (Tennant Industrial) |
$1.20
|
1 |
|
usually ships 10-13 days |
13 |
375-7705
|
M3 x 1/2 stand off hex 10mml |
$3.70
|
4 |
|
usually ships 10-13 days |
14 |
475-7399
|
SCREW, PAN, PHL, M3 X 0.50 X 6, 4.8 (Tennant Industrial) |
$1.83
|
15 |
|
usually ships 10-13 days |
15 |
375-7690
|
Harness |
$61.82
|
1 |
|
usually ships 10-13 days |
16 |
375-7704
|
Circuitboard cover |
$107.80
|
1 |
|
usually ships 10-13 days |
17 |
375-7707
|
M3 x 1/2 stand off hex 25mml |
$6.93
|
1 |
|
usually ships 10-13 days |
18 |
375-7714
|
M3 x 1/2 stand off hex 8mml nylon |
$29.48
|
3 |
|
usually ships 10-13 days |
20 |
375-7682
|
Touch screen module |
$1,998.37
|
1 |
|
ships same day |
21 |
375-7708
|
Modem |
$1,387.20
|
1 |
|
usually ships 10-13 days |
22 |
375-7926
|
Right hand bezel |
$157.30
|
1 |
|
usually ships 10-13 days |
23 |
999-0447
|
Screw 6-32 x 1/2 pan head phillips zinc plated |
$0.99
|
14 |
|
ships same day |
24 |
999-1111
|
Screw 6-32 x 3/4 pan head phillips sheet metal |
$1.43
|
4 |
|
ships same day |
25 |
375-7684
|
2D camera |
$383.24
|
3 |
|
ships same day |
26 |
375-7685
|
Turn signal blinker |
$88.18
|
2 |
|
ships same day |
27 |
375-7927
|
Left hand bezel |
$157.30
|
1 |
|
usually ships 10-13 days |
28 |
375-7711
|
Camera mounting plate |
$33.55
|
2 |
|
usually ships 10-13 days |
31 |
375-7686
|
Right hand 3D camera |
$1,201.31
|
1 |
|
ships same day |
32 |
375-7687
|
Left hand 3D camera |
$1,177.66
|
1 |
|
ships same day |
33 |
999-9113
|
Screw M4-.7 x 16mm pan head phillips stainless steel |
$0.99
|
2 |
|
ships same day |
34 |
275-4736
|
Screw M8-1.25 x 20mm hex washer head stainless steel SEMS |
$4.49
|
4 |
|
ships same day |
35 |
375-7693
|
Antenna |
$281.05
|
1 |
|
usually ships 10-13 days |
36 |
375-7709
|
Antenna angle (Tennant Industrial) |
$47.01
|
1 |
|
usually ships 10-13 days |
37 |
375-7928
|
Antenna bracket |
$97.90
|
1 |
|
usually ships 10-13 days |
38 |
375-7706
|
M3 x 1/2 stand off hex 25mml |
$5.83
|
2 |
|
usually ships 10-13 days |