| # | Part | Description | Price | Req | Notes | Availability |
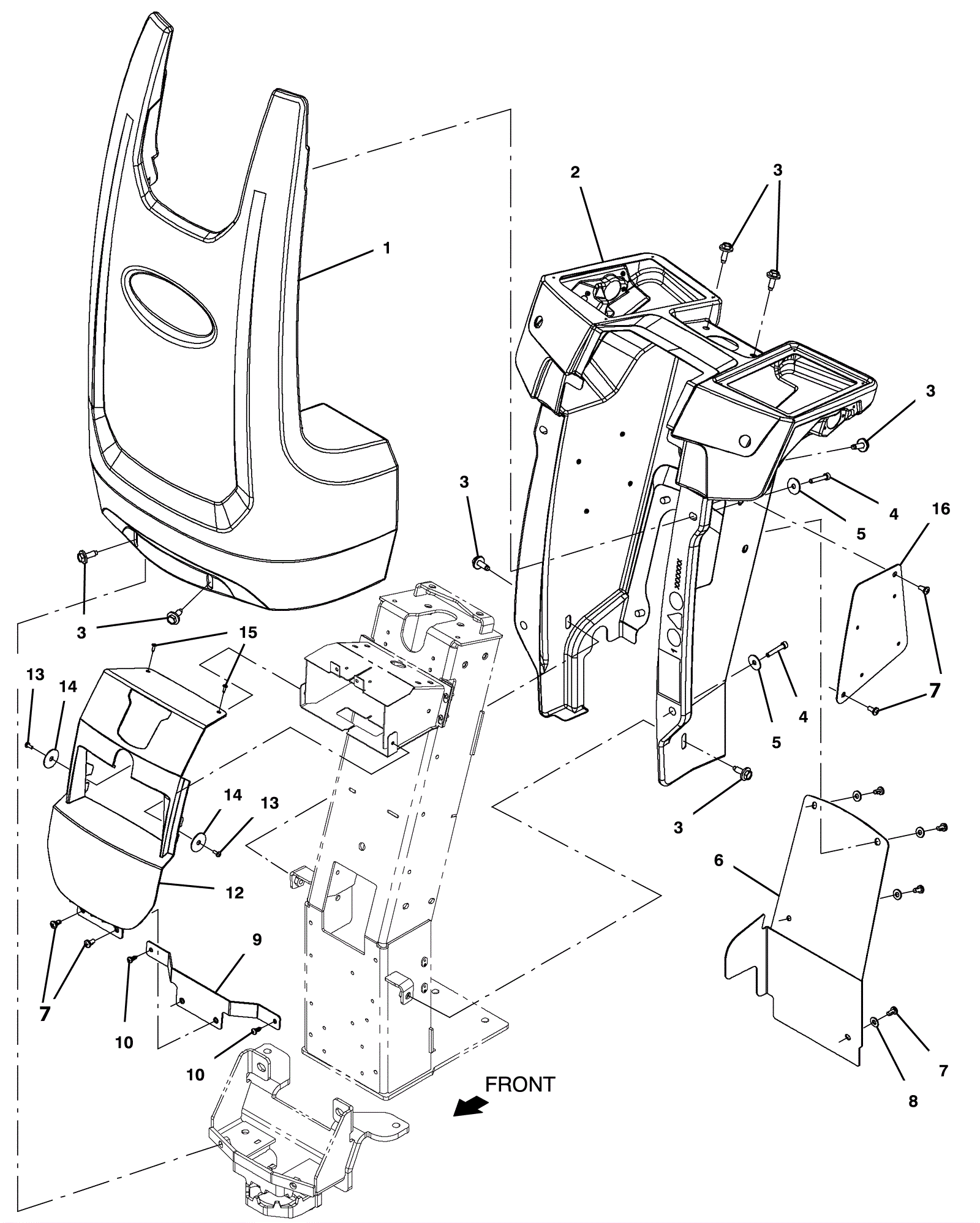
1 |
375-7920
|
Front shroud with decal |
$644.38
|
1 |
|
usually ships 10-13 days |
2 |
375-7921
|
Instrument shroud |
$841.83
|
1 |
|
usually ships 10-13 days |
3 |
275-9575
|
SCREW, HEX, M8 X 1.25 X 25, 9.8, SEMS (Tennant Industrial) |
$4.17
|
8 |
|
ships same day |
4 |
375-7717
|
Screw M6 x 1 |
$3.56
|
4 |
|
usually ships 10-13 days |
5 |
999-0892
|
Washer 1/4 x 1 zinc plated fender |
$0.99
|
4 |
|
ships same day |
6 |
675-9513
|
Access panel |
$289.74
|
1 |
|
usually ships 10-13 days |
7 |
475-7574
|
SCREW, PAN, PHL, M6 X 1.00 X 12, BLK (Tennant Industrial) |
$2.50
|
8 |
|
usually ships 10-13 days |
8 |
275-7063
|
Washer 1/4 SAE flat black (Tennant Industrial) |
$5.33
|
4 |
|
usually ships 1-5 days |
9 |
375-7922
|
Bezel mounting bracket |
$62.59
|
1 |
|
usually ships 10-13 days |
10 |
999-0531
|
Screw M5-.8 x 16mm pan head slotted zinc |
$0.99
|
2 |
|
ships same day |
12 |
375-7719
|
Center bezel with decals |
$300.74
|
1 |
|
usually ships 10-13 days |
13 |
999-0534
|
Screw M4-.7 x 10mm pan head slotted zinc |
$0.99
|
2 |
|
ships same day |
14 |
999-1288
|
Washer 1/4 x 1 OD fender stainless steel |
$0.99
|
2 |
|
ships same day |
15 |
999-0447
|
Screw 6-32 x 1/2 pan head phillips zinc plated |
$0.99
|
2 |
|
ships same day |
16 |
375-7923
|
Controller access cover |
$73.59
|
1 |
|
usually ships 10-13 days |