| # | Part | Description | Price | Req | Notes | Availability |
1a |
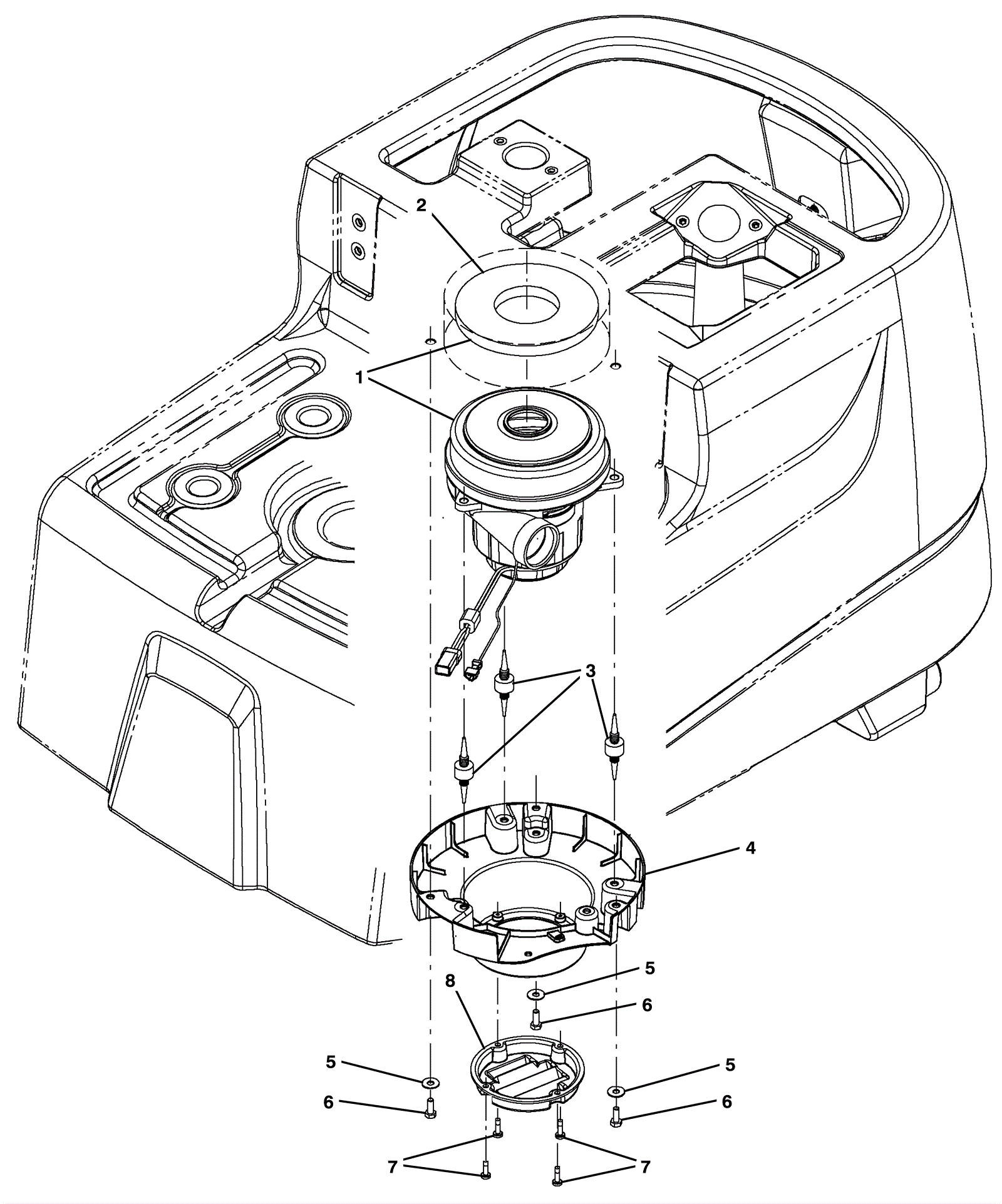
375-5125
|
Vacuum fan kit |
$505.78
|
1 |
(includes 1b) |
usually ships 10-13 days |
1b |
275-7693
|
Carbon brush (pkg of 2) |
$29.92
|
1 |
|
usually ships 10-13 days |
2 |
175-6085
|
Gasket |
$10.89
|
1 |
|
ships same day |
3 |
275-9897
|
Isolator |
$5.28
|
3 |
|
ships same day |
4 |
375-0114
|
Vacuum motor mount |
$19.47
|
1 |
|
ships same day |
5 |
999-0335
|
Washer 1/4 x 5/8 SAE flat stainless steel |
$0.99
|
3 |
|
ships same day |
6 |
999-0507
|
Bolt M6-1 x 16mm hex head full thread plain finish |
$0.99
|
3 |
|
ships same day |
7 |
175-7660
|
Screw #10-14 x .675 shoulder self-tapping |
$3.30
|
4 |
|
usually ships 10-13 days |
8 |
375-0115
|
Vacuum cover inlet |
$11.55
|
1 |
|
usually ships 10-13 days |