| # | Part | Description | Price | Req | Notes | Availability |
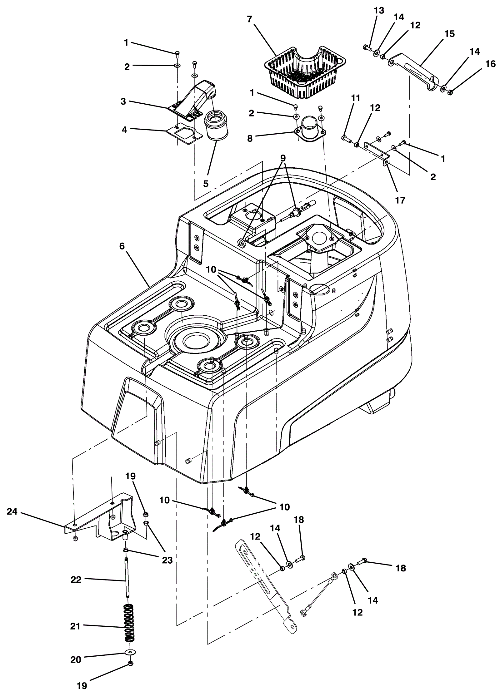
1 |
999-0507
|
Bolt M6-1 x 16mm hex head full thread plain finish |
$0.99
|
6 |
|
ships same day |
2 |
999-0335
|
Washer 1/4 x 5/8 SAE flat stainless steel |
$0.99
|
6 |
|
ships same day |
3 |
175-7782
|
Float mount |
$33.55
|
1 |
|
usually ships 10-13 days |
4 |
175-7783
|
Float mount gasket |
$5.50
|
1 |
|
usually ships 10-13 days |
5 |
375-7879
|
Strainer |
$63.14
|
1 |
|
usually ships 10-13 days |
6a |
375-7880
|
Recovery tank without Ech20 |
$1,171.06
|
1 |
|
usually ships 10-13 days |
6b |
375-7881
|
Recovery tank with Ech20 |
$1,305.15
|
1 |
|
usually ships 10-13 days |
7 |
375-0211
|
Debris tray |
$35.64
|
1 |
|
usually ships 10-13 days |
8 |
375-4536
|
Tube adapter |
$5.50
|
1 |
|
usually ships 10-13 days |
9 |
175-9554
|
Float switch |
$85.47
|
1 |
|
ships same day |
10 |
275-5197
|
Fir tree clip |
$2.38
|
6 |
|
usually ships 10-13 days |
11 |
999-0501
|
Bolt M8-1.25 x 25mm hex head full thread stainless steel |
$2.64
|
1 |
|
ships same day |
12 |
175-2263
|
Sleeve |
$4.22
|
4 |
|
usually ships 10-13 days |
13 |
999-0499
|
Bolt M8-1.25 x 20mm hex head full thread stainless steel |
$1.85
|
1 |
|
ships same day |
14 |
999-0355
|
Washer 3/8 x 7/8 SAE flat stainless steel |
$0.99
|
4 |
|
ships same day |
15 |
375-7882
|
Recovery tank prop bar |
$69.41
|
1 |
|
usually ships 10-13 days |
16 |
999-0496
|
Nut M8-1.25 nylon insert lock stainless steel |
$1.34
|
1 |
|
ships same day |
17 |
375-7883
|
Cable mounting bracket |
$63.03
|
1 |
|
usually ships 10-13 days |
18 |
999-0501
|
Bolt M8-1.25 x 25mm hex head full thread stainless steel |
$2.64
|
2 |
|
ships same day |
19 |
999-0471
|
Nut M8-1.25 nylon insert lock zinc plated |
$0.99
|
2 |
|
ships same day |
20 |
999-0549
|
Washer 5/16 x 3/4 SAE flat stainless steel |
$0.99
|
1 |
|
ships same day |
21 |
375-7884
|
Spring |
$47.74
|
1 |
|
usually ships 10-13 days |
22 |
375-7885
|
Plunger shaft |
$65.23
|
1 |
|
usually ships 10-13 days |
23 |
375-7886
|
Bushing |
$28.82
|
2 |
|
usually ships 10-13 days |
24 |
375-7887
|
Tank assist bracket |
$200.64
|
1 |
|
usually ships 10-13 days |