| # | Part | Description | Price | Req | Notes | Availability |
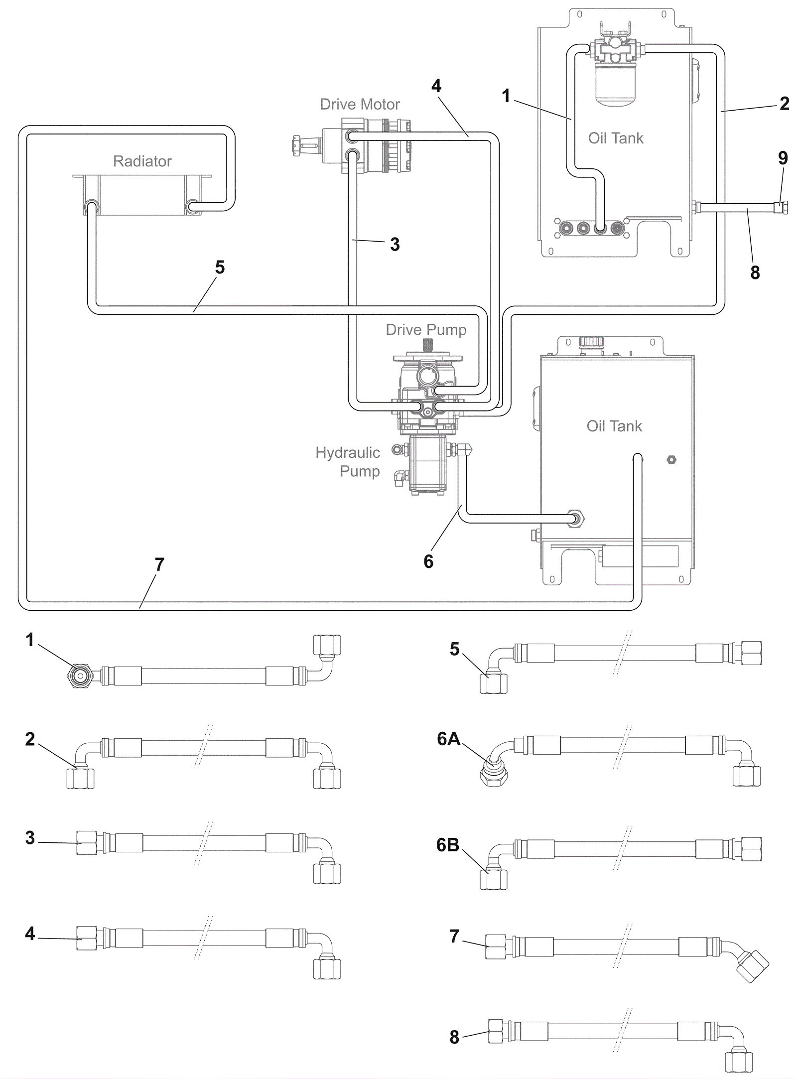
1 |
472-2786
|
HOSE HYDRAULIC 1/2 L 450 |
$97.85
|
1 |
|
usually ships 13-18 days |
2 |
472-2916
|
HOSE HYDRAULIC 1/2 L 1500 |
$168.42
|
1 |
|
usually ships 13-18 days |
3 |
472-3375
|
HOSE HYD 1/2R16 1430W/SHTH PKD |
$142.86
|
1 |
|
usually ships 13-18 days |
4 |
472-3374
|
HOSE HYD 1/2R16 1470W/SHTH PKD |
$225.10
|
1 |
|
usually ships 13-18 days |
5 |
472-3044
|
HOSE HYDRAULIC 1/2 L 1120 |
$144.38
|
1 |
|
usually ships 13-18 days |
6a |
472-2788
|
HOSE HYDRAULIC 3/4 L 900 |
$205.74
|
1 |
(for model number 13300107 before SN3810123500027) |
usually ships 13-18 days |
6b |
472-3304
|
HYDRAULIC HOSE 3/4IN |
$133.61
|
1 |
(for model number 13300107 after SN3810123500026) |
usually ships 13-18 days |
7 |
472-3045
|
HOSE HYDRAULIC 1/2 L 1115 |
$144.38
|
1 |
|
usually ships 13-18 days |
8 |
572-8176
|
Hydraulic hose |
$65.14
|
1 |
|
usually ships 13-18 days |
9 |
472-2210
|
PLUG 1/2 |
$12.89
|
1 |
|
usually ships 13-18 days |