SC4000 28C
Ladder Diagram-8
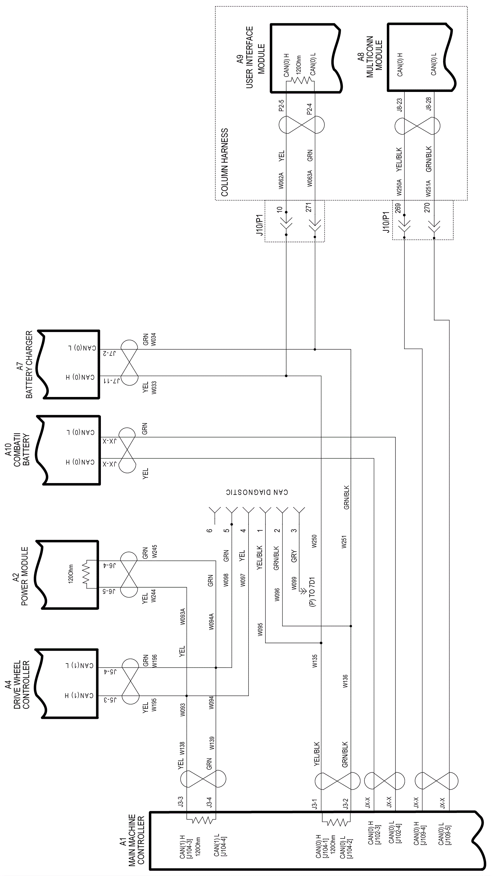
Click to enlarge
#
Part
Description
Price
Req
Notes
Availability
A1
572-8039
Controller kit
$390.38
1
usually ships 13-18 days
A2
472-4961
MODULE-HIGH POWER
$2,220.72
1
ships same day
A4
572-8043
Drive brushed controller
$992.94
1
usually ships 13-18 days
A7
572-8052
36V on-board charger
$968.42
1
usually ships 13-18 days
A8
N/A
Not available
Call for price
1
(muliticon 1)
usually ships 3-26 days
A9
N/A
Not available
Call for price
1
(interface assembly)
usually ships 3-26 days