| # | Part | Description | Price | Req | Notes | Availability |
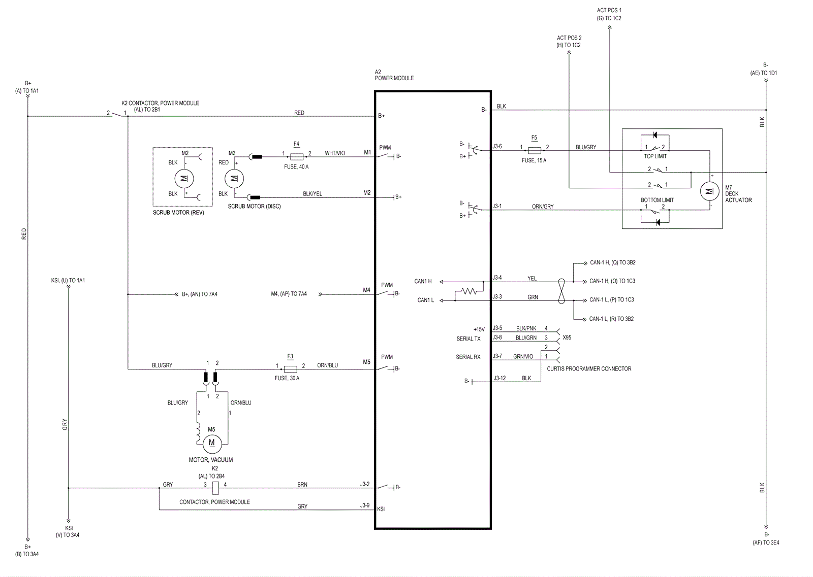
A2 |
572-7037
|
High power module |
$748.33
|
1 |
|
usually ships 13-18 days |
K2 |
172-2163
|
24V solenoid 4 post (2 large 2 small) |
$131.95
|
1 |
|
usually ships 13-18 days |
M2a |
572-7018
|
24VDC 140RPM 50HP motor |
$794.22
|
1 |
(20D) |
usually ships 13-18 days |
M2b |
272-9948
|
24V brush motor |
$1,235.19
|
1 |
(20R) |
usually ships 13-18 days |
M5 |
272-6723
|
Vacuum motor kit |
$577.59
|
1 |
|
usually ships 13-18 days |
M7 |
572-7024
|
Actuator kit |
$385.06
|
1 |
|
usually ships 13-18 days |