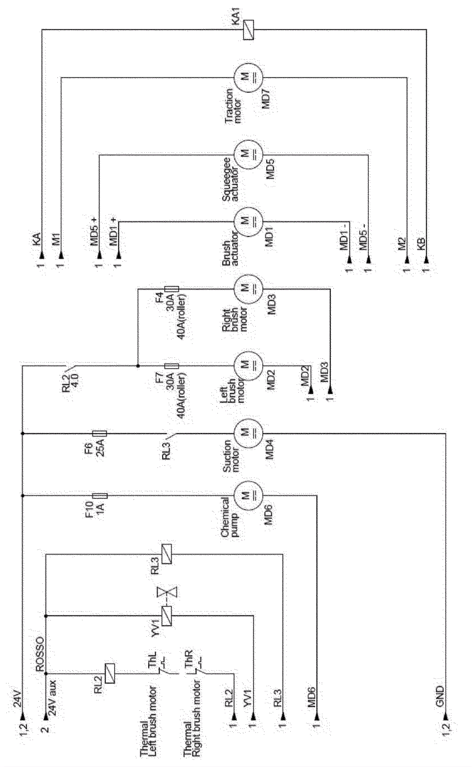
Wiring Diagram - 3
Click to enlarge