| # | Part | Description | Price | Req | Notes | Availability |
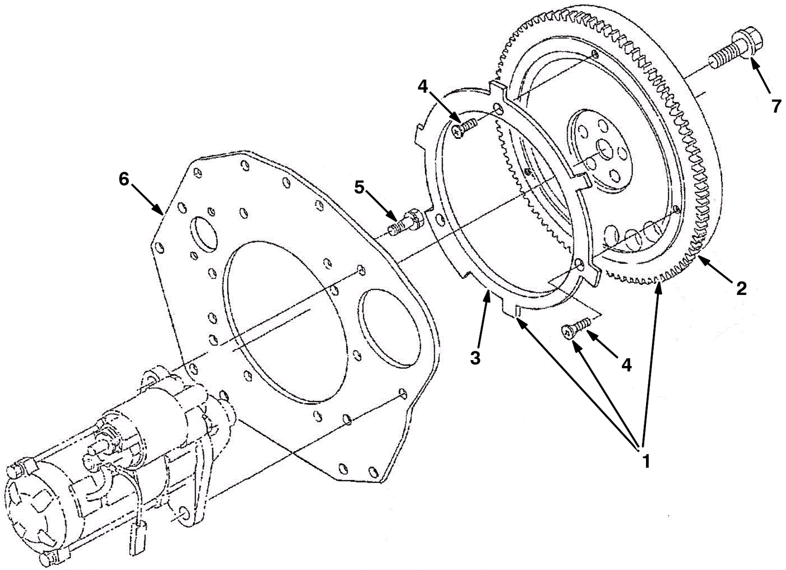
1 |
675-6702
|
VR, FLYWHEEL, COMPLT [KU] (Tennant Industrial) |
$1,182.74
|
1 |
(includes 2-4) |
usually ships 10-13 days |
2 |
175-8502
|
VR, GEAR, RING, FLYWHEEL [KU] (Tennant Industrial) |
$674.63
|
1 |
|
usually ships 1-5 days |
3 |
675-1789
|
VR, PLATE, FLYWHEEL [KU] (Tennant Industrial) |
$280.89
|
1 |
|
usually ships 10-13 days |
4 |
475-7550
|
VR, SCREW, CSK [KU] (Tennant Industrial) |
$2.50
|
3 |
|
usually ships 10-13 days |
5 |
475-9303
|
VR, SCREW, HEX, FLYWHEEL [KU] (Tennant Industrial) |
$7.83
|
10 |
|
usually ships 10-13 days |
6 |
575-7158
|
VR, PLATE, ENG, REAR [KU] (Tennant Industrial) |
$96.35
|
1 |
|
usually ships 10-13 days |
7 |
175-8503
|
VR, BOLT, HEX, FLYWHEEL [KU] (Tennant Industrial) |
$24.17
|
5 |
|
usually ships 1-5 days |