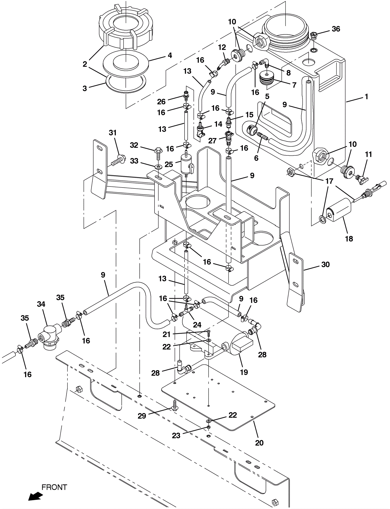
| # | Part | Description | Price | Req | Notes | Availability |
1 |
475-2648
|
CS, TANK, DETGT, TRIMMED [S20] |
$735.13
|
1 |
|
usually ships 10-13 days |
2 |
175-3384
|
Tank cap |
$44.00
|
1 |
(includes item 3) |
usually ships 10-13 days |
3 |
275-4663
|
Gasket |
$9.79
|
1 |
|
usually ships 10-13 days |
4 |
175-3414
|
Tank cover |
$37.40
|
1 |
|
usually ships 10-13 days |
5 |
275-8704
|
SCREEN, PUMP (Tennant Industrial) |
$22.67
|
1 |
|
usually ships 1-5 days |
6 |
275-8703
|
Straight plastic fitting (Tennant Industrial) |
$6.67
|
1 |
|
usually ships 10-13 days |
7 |
275-8702
|
GROMMET, PYE, 0.37ID, F/1.5H, .13 MATL (Tennant Industrial) |
$45.34
|
1 |
|
usually ships 10-13 days |
8 |
175-8716
|
FITTING, PLSTC, E90, BM06/BM06 (Tennant Industrial) |
$6.67
|
1 |
|
usually ships 10-13 days |
9 |
275-7845
|
8 foot clear PVC hose (Tennant Industrial) |
$52.68
|
1 |
|
usually ships 1-5 days |
10 |
275-7253
|
Straight plastic fitting (Tennant Industrial) |
$60.35
|
2 |
|
usually ships 1-5 days |
11 |
175-6869
|
FITTING, DRAINCOCK, E90, .25NPT (Tennant Industrial) |
$24.00
|
1 |
|
usually ships 1-5 days |
12 |
275-8335
|
FITTING, PLSTC, E90, BM04/PM04, NYL |
$5.50
|
1 |
|
usually ships 10-13 days |
13 |
175-5305
|
Hose 1/4 x 3 foot |
$56.32
|
1 |
|
usually ships 10-13 days |
14 |
175-5311
|
Female fitting with valve |
$60.72
|
1 |
|
usually ships 10-13 days |
15 |
275-7793
|
Male plastic fitting |
$5.50
|
1 |
|
usually ships 1-5 days |
16 |
175-3594
|
Hose clamp |
$5.28
|
15 |
|
usually ships 10-13 days |
17 |
175-9554
|
Float switch |
$85.47
|
1 |
|
ships same day |
18 |
275-4664
|
Float switch protector bracket |
$23.54
|
1 |
|
usually ships 10-13 days |
19 |
375-0990
|
Solution pump (Tennant Industrial) |
$961.03
|
1 |
|
usually ships 1-5 days |
20 |
575-4323
|
PLATE, PUMP MTG (Tennant Industrial) |
$50.84
|
1 |
|
usually ships 10-13 days |
21 |
175-3245
|
Screw 4mm-.7 x 30 pan head |
$3.30
|
4 |
|
usually ships 1-5 days |
22 |
999-0006
|
Washer 3/16 flat zinc plated |
$0.99
|
8 |
|
ships same day |
23 |
999-0954
|
Nut M4-.7 nylon insert lock stainless steel |
$0.99
|
4 |
|
ships same day |
24 |
175-8729
|
Plastic tee fitting (Tennant Industrial) |
$18.17
|
1 |
|
usually ships 1-5 days |
25 |
575-3241
|
VALVE, SHUTOFF, BM04/BM04, PVC (Tennant Industrial) |
$40.34
|
1 |
|
usually ships 10-13 days |
26 |
275-7797
|
Male plastic fitting |
$5.28
|
1 |
|
usually ships 1-5 days |
27 |
275-7794
|
Female plastic fitting |
$22.77
|
1 |
|
usually ships 10-13 days |
28 |
275-9302
|
FITTING, NYL, QDC, E90, BM06/ QM10 (Tennant Industrial) |
$16.84
|
2 |
|
usually ships 1-5 days |
29 |
475-8051
|
SCREW, HEX, M6 X 1.00 X 30, 9.8, SEMS (Tennant Industrial) |
$4.17
|
4 |
|
usually ships 10-13 days |
30 |
375-3297
|
Squeegee blade 28 inch linatex front |
$46.09
|
1 |
|
usually ships 10-13 days |
31 |
275-2690
|
Screw M10-1 1/2 x 35mm hex head (Tennant Industrial) |
$6.67
|
4 |
|
usually ships 1-5 days |
32 |
275-9575
|
SCREW, HEX, M8 X 1.25 X 25, 9.8, SEMS (Tennant Industrial) |
$4.17
|
2 |
|
ships same day |
33 |
999-0024
|
Washer 5/16 flat stainless steel |
$1.34
|
2 |
|
ships same day |
34a |
375-9081
|
In-line filter (Tenannt Industrial) |
$24.34
|
1 |
(includes 34b) |
ships same day |
34b |
375-9082
|
Filter screen (Tennant Indsutrial) |
$9.00
|
1 |
|
usually ships 10-13 days |
35 |
175-4808
|
Hose barb |
$5.50
|
2 |
|
usually ships 10-13 days |
36 |
375-9083
|
Breather valve fitting (Tennant Industrial) |
$16.00
|
1 |
|
usually ships 10-13 days |