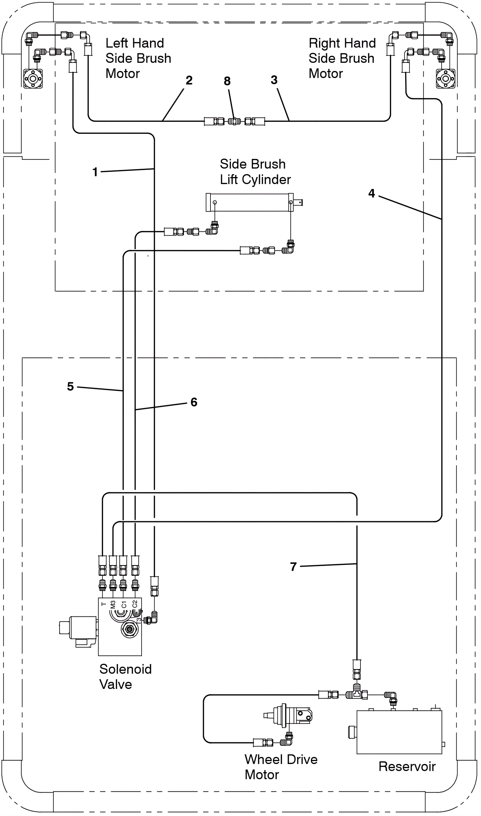
| # | Part | Description | Price | Req | Notes | Availability |
1a |
575-8884
|
HOSE, HYD, TC06, JF06E90/JF06STR, 120.0 (Tennant Industrial) |
$125.53
|
1 |
(before SN 003000) |
usually ships 10-13 days |
1b |
575-7982
|
HOSE, HYD, TC06, OF06E90/OF06STR, 120.0 (Tennant Industrial) |
$104.69
|
1 |
(after SN 002999) |
usually ships 10-13 days |
2a |
575-9495
|
HOSE, HYD, TC06, JF06E90/JF06STR, 086.0 (Tennant Industrial) |
$144.53
|
1 |
(before SN 003000) |
usually ships 10-13 days |
2b |
575-6515
|
HOSE, HYD, TC06, OF06E90/OF06STR, 086.0 (Tennant Industrial) |
$81.02
|
1 |
(after SN 002999) |
usually ships 10-13 days |
3a |
575-9524
|
HOSE, HYD, MED06, JF06E90/JF06STR, 068.0 (Tennant Industrial |
$186.37
|
1 |
(before SN 003000) |
usually ships 10-13 days |
3b |
575-6615
|
HOSE, HYD, MED06, OF06E90/OF06STR, 068.0 (Tennant Industrial |
$77.85
|
1 |
(after SN 002999) |
usually ships 10-13 days |
4a |
575-9275
|
HOSE, HYD, MED06, JF06E90/JF06STR, 114.0 (Tennant Industrial |
$175.54
|
1 |
(before SN 003000) |
usually ships 10-13 days |
4b |
575-7932
|
HOSE, HYD, MED06, OF06E90/OF06STR, 114.0 (Tennant Industrial |
$104.02
|
1 |
(after SN 002999) |
usually ships 10-13 days |
5a |
575-5244
|
HOSE, HYD, TC04, JF04STR/JF04STR, 048.0 (Tennant Industrial) |
$58.01
|
1 |
(before SN 003000) |
usually ships 10-13 days |
5b |
575-5391
|
HOSE, HYD, TC04, OF04STR/OF04STR, 048.0 (Tennant Industrial) |
$63.18
|
1 |
(after SN 002999) |
usually ships 10-13 days |
6a |
575-5518
|
HOSE, HYD, TC04, JF04STR/JF04STR, 042.0 (Tennant Industrial) |
$61.01
|
1 |
(before SN 003000) |
usually ships 10-13 days |
6b |
575-5193
|
HOSE, HYD, TC04, OF04STR/OF04STR, 042.0 (Tennant Industrial) |
$61.01
|
1 |
(after SN 002999) |
usually ships 10-13 days |
7a |
375-0856
|
Hydraulic hose (Tennant Industrial) |
$94.19
|
1 |
(before SN 003000) |
usually ships 1-5 days |
7b |
575-8105
|
HOSE, HYD, TC04, OF04STR/OF04STR, 058.0 (Tennant Industrial) |
$115.19
|
1 |
(after SN 002999) |
usually ships 10-13 days |
8a |
475-9912
|
FITTING, HYD, STR, JM06/JM06 (Tennant Industrial) |
$10.67
|
1 |
(before SN 003000) |
usually ships 10-13 days |
8b |
575-2243
|
FITTING, HYD, STR, FM06/FM06 BH (Tennant Industrial) |
$27.84
|
1 |
(after SN 002999) |
usually ships 10-13 days |