S20
Electrical Wire Harnesses Assembly 3
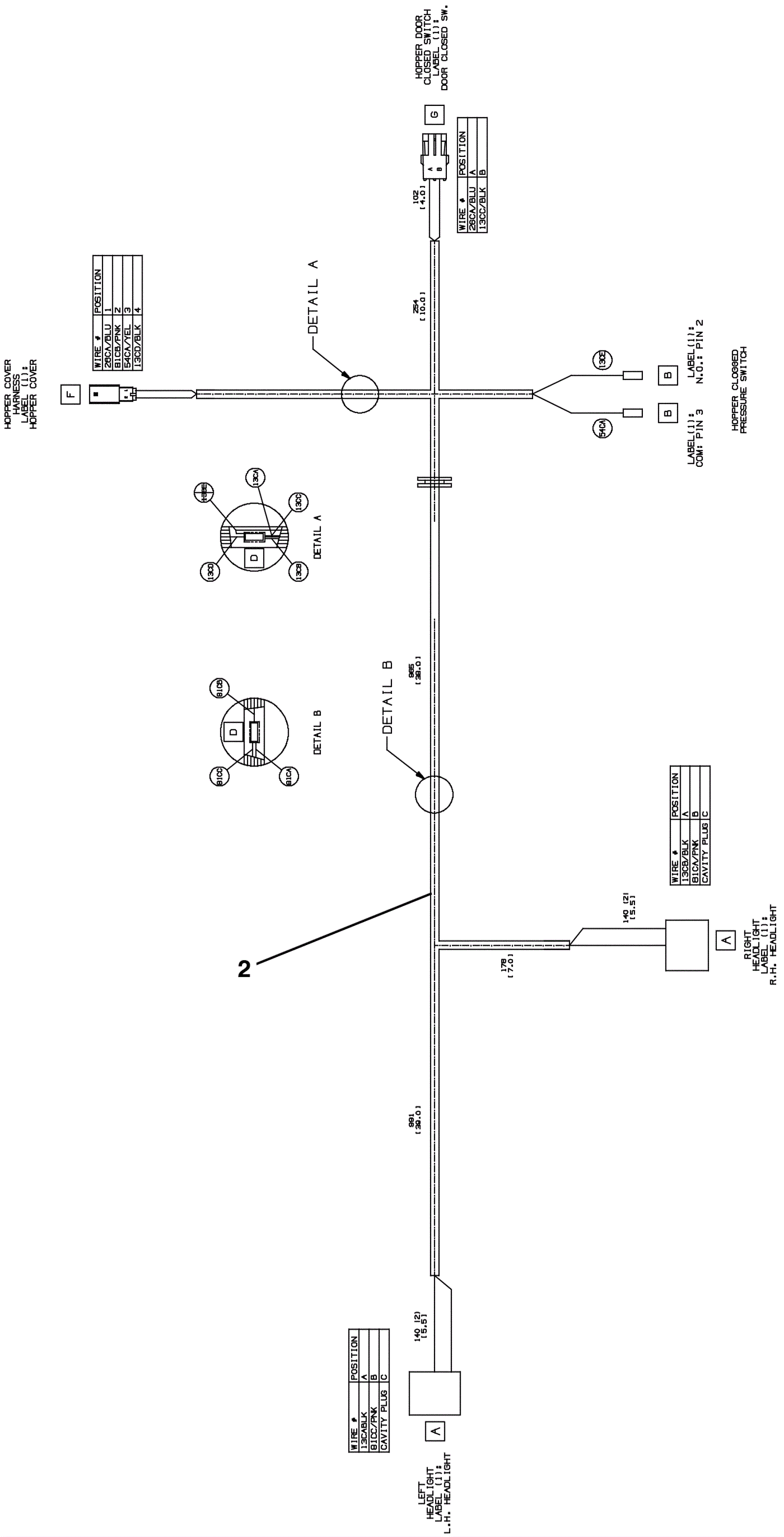
Click to enlarge
#
Part
Description
Price
Req
Notes
Availability
2
575-9448
HARNESS, HPPR, 12VDC [S20] (Tennant Industrial)
$158.53
1
usually ships 10-13 days