| # | Part | Description | Price | Req | Notes | Availability |
1a |
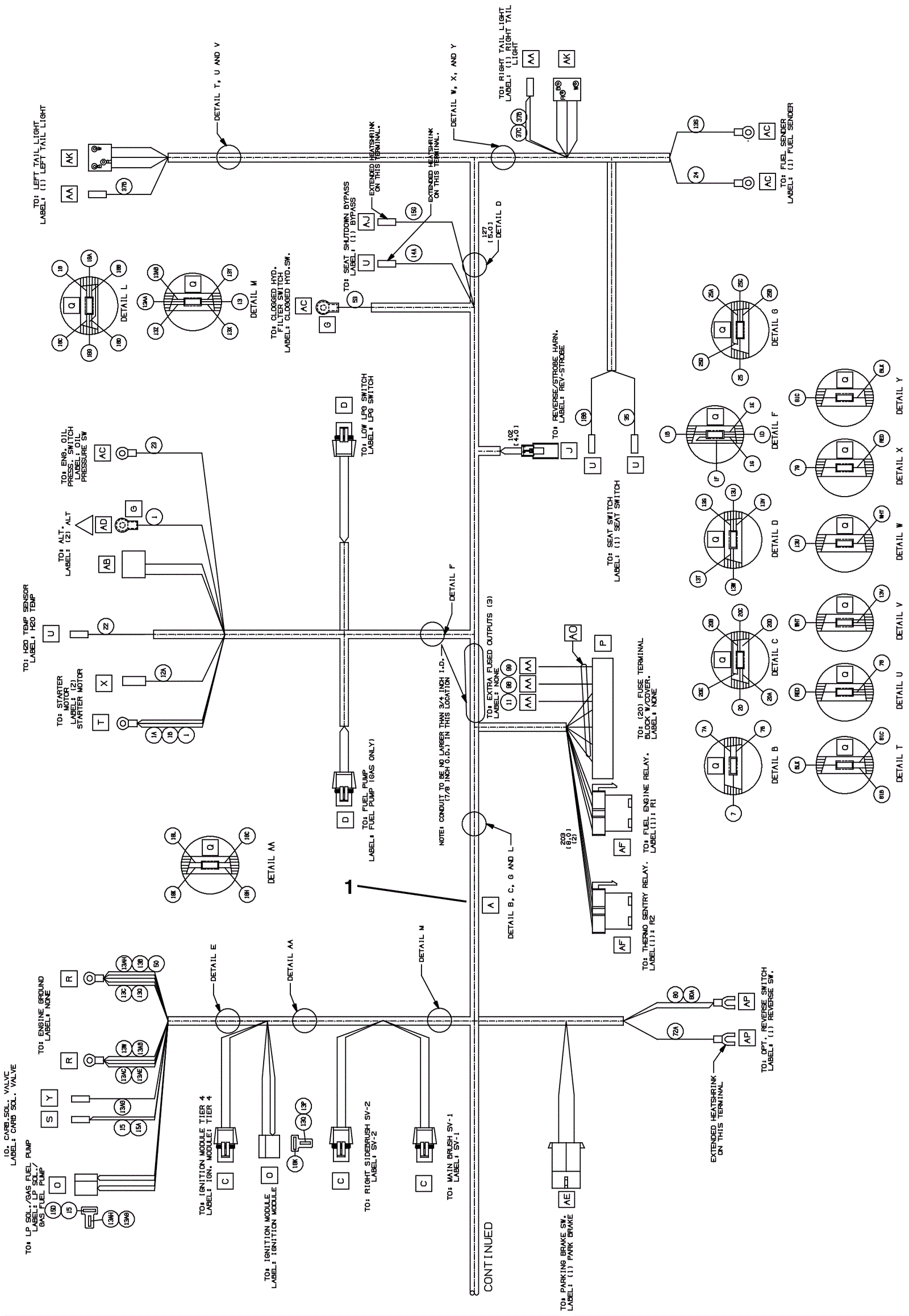
675-7712
|
HARNESS KIT, MAIN, GAS/LPG, REPLMT [S20] (Tennant Industrial |
$2,221.78
|
1 |
(before SN 001071) |
usually ships 10-13 days |
1b |
675-6386
|
HARNESS, MAIN, GAS/LPG [S20] (Tennant Industrial) |
$1,134.39
|
1 |
(after SN 001070) |
usually ships 10-13 days |