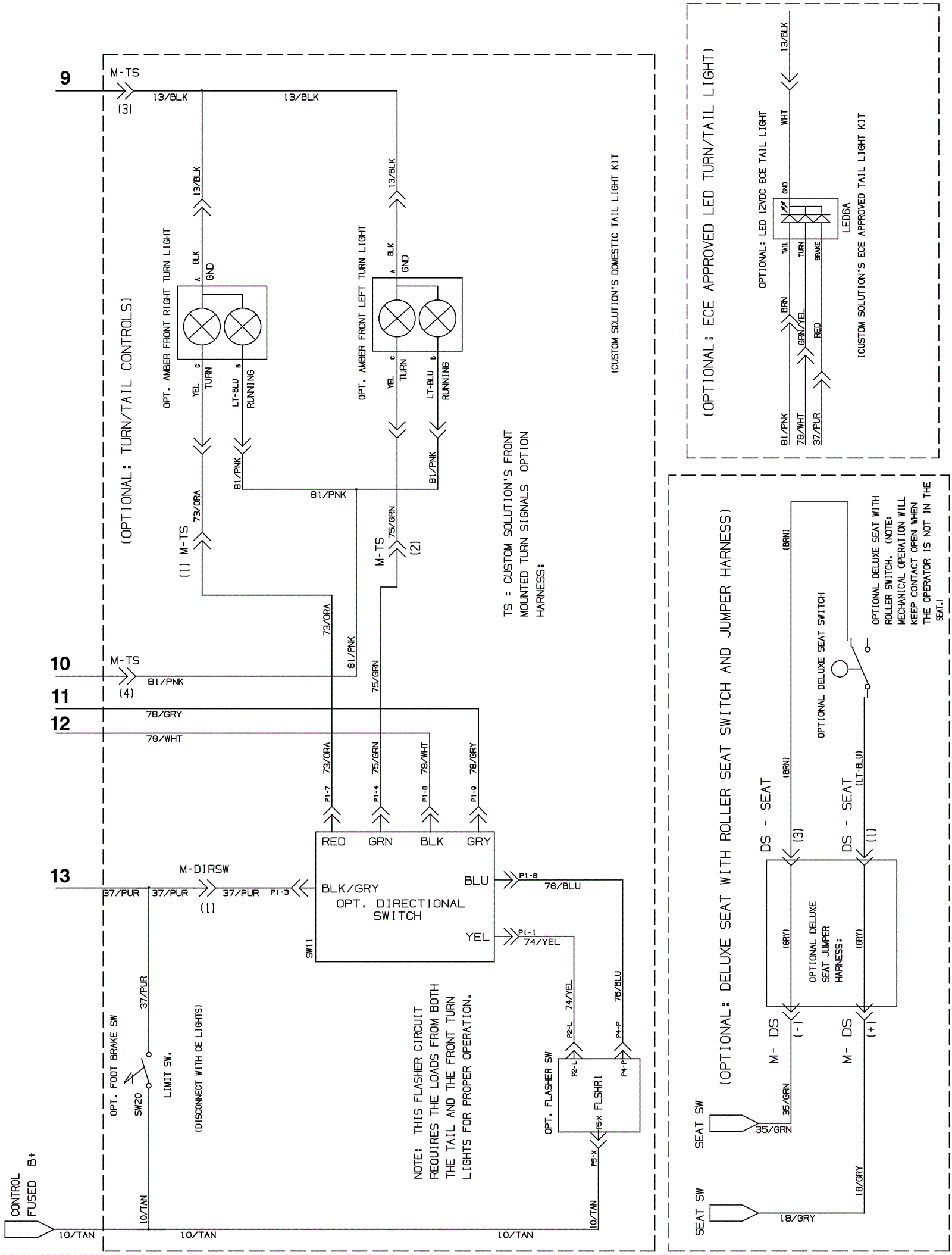
Electrical Wiring Diagram 6
Click to enlarge